Главная Юзердоски Каталог Трекер NSFW Настройки

Радиотехника

Ответить в тред Ответить в тред
Check this out!
<<
Назад | Вниз | Каталог | Обновить | Автообновление | 1001 388 268
Помощи ньюфагу тред БЕСКОНЕЧНЫЙ Аноним 22/09/18 Суб 16:49:21 338104 1
C8rqoJiE400x400.jpg 28Кб, 400x400
400x400
Очередной раковник для ньюфагов стартует в этом легендарном ITT треде.


ПРЕЖДЕ ЧЕМ СОЗДАТЬ ТРЕД, ПОГУГЛИ, ПРОЧТИ ЭТОТ ПОСТ (а лучше весь тред) И ВОСПОЛЬЗУЙСЯ ПОИСКОМ ПО РАЗДЕЛУ. ТАКЖЕ СМОТРИ ТЕМАТИЧЕСКИЙ УКАЗАТЕЛЬ ТРЕДОВ (>>263887 (OP) ).

Решил заняться электроникой, паянием ололо-быдло девайсов? Похвально. Вот список нужной литературы и ссылок:

Книги:

Вообще, их очень много. Но тебе же лень искать, поэтому получай скромнейший минимум:

П. Хоровиц, У. Хилл "Искусство схемотехники"
http://publ.lib.ru/ARCHIVES/H/HOROVIC_Paul',_HILL_Uinfild/_Horovic_P.,_Hill_U..html

У. Титце, К. Шенк "Полупроводниковая схемотехника" (в двух томах)
http://www.tverhtk.ru/library/predmets/pc_systems/Poluprovodnikovaja_shemotehnika_Tom1_2008.pdf
http://www.tverhtk.ru/library/predmets/pc_systems/Poluprovodnikovaja_shemotehnika_Tom2_2008.pdf

Ю.В. Ревич "Занимательная электроника"
http://publ.lib.ru/ARCHIVES/R/REVICH_Yuriy_Vsevolodovich/_Revich_Yu.V..html

Если есть желание обмазаться расчётом с ног до головы, то тебе следует почитать вот это:

И.П. Степаненко "Основы теории транзисторов и транзисторных схем"
http://publ.lib.ru/ARCHIVES/S/STEPANENKO_Igor'_Pavlovich/_Stepanenko_I.P..html

Г.И. Изъюрова "Расчёт электронных схем. Примеры и задачи"
http://publ.lib.ru/ARCHIVES/_CLASSES/TEH_RAD/Raschet_elektronnyh_shem.(1987).[djv-fax].zip

Л.Н. Бочаров "Расчёт электронных устройств на транзисторах"
http://www.radiolamp.ru/library/books.php?id=mrb0963

Полезные ссылки:

Много полезный статей и сообщество:
http://easyelectronics.ru/
Схемы устройств и хороший форум:
http://cxem.net/
Также загляни сюда:
http://radiokot.ru/

Решил прикупить себе сканер «закрытых» частот или хороший приёмник? Глянь сюда:
http://www.radioscanner.ru/forum/
И сюда:
http://www.cqham.ru/ (есть годный /forum по схемотехнике)
Любительской радиосвязи также посвящён:
http://www.qrz.ru/

Я знаю, что тебе, мой начинающий друг, будет лень смотреть на сайтах, которые я тебе дал, поэтому:
Техника Безопасности: http://radiokot.ru/start/other/safety/01/
Инструментарий радиолюбителя: http://cxem.net/beginner/beginner1.php
Немного о пайке: http://easyelectronics.ru/likbez-po-pajke.html
О паяльниках: http://easyelectronics.ru/traktat-o-payalnikax.html

СНАЧАЛА ПРОСМОТРИ УКАЗАННЫЕ ВЫШЕ САЙТЫ. НА НИХ ТЫ, СКОРЕЕ ВСЕГО, НАЙДЁШЬ ИСЧЕРПЫВАЮЩИЕ ОТВЕТЫ НА БОЛЬШИНСТВО СВОИХ ВОПРОСОВ, ДАЖЕ В РЕЖИМЕ READ ONLY.

Как первую схему, гугли "мультивибратор".

Как спаять наушники, для начала спроси у гугла, он много этого дерьма повидал:
http://lmgtfy.com/?q=Как+спаять+наушники
Или обратись к старому местному гайду с выцветшими от времени фото:
http://arhivach.org/thread/7925/

Где-то здесь быд тред, но "он утонул"?
https://2ch.hk/ra/arch/

Если у тебя есть вопросы типа: "почему мои калоночки гудят/не играют?", "мультивибратор не пашет", "как определить полярность резистора?" или наушники так и не поддались, то спрашивай в этом треде.

Если у тебя действительно серьёзный вопрос, тогда так и быть, создавай тред.


ДОБРО ПОЖАЛОВАТЬ В /RA.
ДАЁМ НЕ РЫБУ, НО УДОЧКУ.
Аноним 04/11/25 Втр 10:53:15 584590 2
>>584589
Так а чем он так хорош и нужен ли мне при условии, что я не собираюсь паять космолёт? Поясни, пожалуйста.
Аноним 04/11/25 Втр 10:53:38 584591 3
image.png 301Кб, 437x505
437x505
Это конденсаторы, а какой примерно емкости?
Аноним 04/11/25 Втр 10:56:59 584592 4
image 24Кб, 604x604
604x604
image 191Кб, 1280x1135
1280x1135
>>584591
Это диоды или тиристоры
Аноним 04/11/25 Втр 11:09:47 584593 5
>>584589
>>584590
И, кстати, в отзывах пишут, что от акб мощность не оч, нужно брать к нему дополнительно хорошую банку, и вообще, мол, лучше берите обычный паяльник без выебонов.
Короче, киньте ссылку на годный современный паяльник.
Аноним 04/11/25 Втр 11:19:45 584594 6
>>584532
>Спирт
боровый 3% подойдет?
Аноним 04/11/25 Втр 11:46:39 584595 7
2025-11-04-10-1[...].mp4 4418Кб, 1280x960, 00:00:13
1280x960
>>584019
Получил, 10 из 10, видно нагрев линейного стабилизатора на 0.8 градуса на голой nodemcu.
Аноним 04/11/25 Втр 11:52:25 584596 8
>>584562
Там есть хоть что-то типа дц++ чтобы файлы шарить? Или что там вообще. Просто поиграться, а толку нет?
Аноним 04/11/25 Втр 11:57:00 584597 9
>>584590
Не именно этот паяльнк, а вообще на картриджах. У тебя все остальные на керамических нагревателях один вообще советский.
Вот тебе картриджи, выбирай паяльник под один из них
T12 (считается уже устаревшим, но под большие компоненты самое то)
C210
C245
C115
Ищи по этим словам себе паяльник.
Аноним 04/11/25 Втр 12:19:03 584598 10
>>584587
синий паяльник с али за 300 рублей или сколько он там стоит, канифоль и пос 60
Аноним 04/11/25 Втр 12:19:48 584599 11
>>584594
заказал на озоне 99% изпропиловый
Аноним 04/11/25 Втр 12:21:16 584600 12
image.png 470Кб, 1000x1000
1000x1000
У меня стоит задача немного усилить звук внутренних динамиков одного японского ноутбука. Внутри у него куча свободного объема, поэтому запихнуть динамик и какую-то платку не проблема (даже если динамик не будет выходить в непосредственную дырку в корпусе, похуй)

Проблема с усилителем: так как я беру уже усиленный сигнал с внутреннего выхода, дефолтные чипы и платы за бакс с али выводят белый шум и перегруженный полезный сигнал (шум пропадает когда звуковуха обрубает выход при тишине). Пробовал PAM8403 и какой-то соневский мини-усилитель, который хорошо работает с уровнем "на наушники", но шумит на внутреннем выходе на динамик.

Уровень внутреннего выхода я замерил на максимальной громкости в 2.16 V (вывел 50Гц тон и замерил переменку мультиметром). Ток хуй знает.

Есть ли какие-то готовые компактные решения для пост-усиления горячего сигнала? Или мне нужно паять какую-то грамотную схему типа line level converter?
Аноним 04/11/25 Втр 12:47:57 584603 13
image 127Кб, 1280x1026
1280x1026
>>584600
1 можно на плате найти выход линейный, а не усиленный, и тогда твой усилитель не будет перегружаться, но это не советую, тыкать паялом в мать
2 можно просто сделать резистивный делитель на каждый канал ( можно даже два потенциометра припаять) и ослабить сигнал до нужного уровня усилителю. Компактнее некуда.
Аноним 04/11/25 Втр 12:52:34 584604 14
image.png 220Кб, 1544x907
1544x907
>>584603
> можно на плате найти выход линейный, а не усиленный, и тогда твой усилитель не будет перегружаться, но это не советую, тыкать паялом в мать

Жестко сомневаюсь что я там найду какой-то аналоговый сигнал, все же интегрирванно.

>можно просто сделать резистивный делитель на каждый канал ( можно даже два потенциометра припаять) и ослабить сигнал до нужного уровня усилителю. Компактнее некуда.

Я пробовал сделать простой делитель с двумя 10kOhm + 1kOhm резисторами (то есть занизить примерно в 10 раз), получилось говно, и шум не ушел. Видимо нужна какая-то более сложная схема с конденсатором или хз чем?
Аноним 04/11/25 Втр 13:20:34 584605 15
image 129Кб, 720x960
720x960
image 182Кб, 1024x1280
1024x1280
>>584604
Ну тогда во-первых проверь Что этого ослабления было достаточно для твоего усилителя, не многовато ли для него 0.2в. С переменным Резистором не сложно ослаблять пока не зазвучит как надо.

Во-вторых а не перегрузка ли это динамика твоим усилителем
Аноним 04/11/25 Втр 13:28:59 584606 16
image.png 805Кб, 1500x810
1500x810
image.png 178Кб, 491x333
491x333
>>584605
Я по сути начинаю с идеальных условий.
Тестирую вот таким усилителем с колонками от сони эриксона, которые:
- Хорошо звучат без шума на выходе на наушники, где максимум это 0,22 V
- Когда я припаялся в резисторный делитель, который выдавал в на максимальной громкости где-то 0,3 V, шум был не ниже чем без него, а полезный звук был заметно искажен. Может нужны какие-то специальные аудиофильские резисторы или хуй его знает.
Аноним 04/11/25 Втр 13:30:48 584607 17
>>584606
И как, кстати, определить точно, где на аудиовыходе земля/минус, а где плюс/фаза?
Земля на землю самого ноутбука не звонится.
Аноним 04/11/25 Втр 13:59:38 584608 18
image 59Кб, 640x480
640x480
image 88Кб, 1019x1280
1019x1280
>>584606
Попробуй еще просто наушники подключить в выходу, может у тебя изначально искажения какие-то прут

Использовать усилитель который хрен хочет Как работает/работает только от телефона это не идеальные условия
Аноним 04/11/25 Втр 20:21:22 584609 19
s-l1600.jpg 131Кб, 1183x1600
1183x1600
пк отказывается его видить, как фиксить?
Аноним 04/11/25 Втр 20:25:10 584610 20
>>584609

Ну и какой версии BT у тебя?
Аноним 04/11/25 Втр 20:38:42 584611 21
Аноним 04/11/25 Втр 21:02:14 584612 22
>>584587
> LED-кольцо подпаять с оторвавшимся контактом
Это алюминий скорее всего фольгированный, там ебанутая теплопроводность и ёмкость и даже с нормальным паяльником паять сложно.

В прицнипе всё на пиках примерно одинаковое говно, но приемлемое. Контроль там хуйня, мощность говно, эргономика моча.
Если хочешь что-то нормальное и не нищебород, бери Pinecil/Miniware/Fnirsi/Alientek и всё что рядом с ними. Лучше на жалах C210/C245.
Аноним 04/11/25 Втр 21:47:11 584613 23
>>584608
>Попробуй еще просто наушники подключить в выходу, может у тебя изначально искажения какие-то прут
Искажений нет на любом динамике (динамик от макбука и динамик от самсунг гэлакси ноут) который я туда пробую подключать. Как и на родном.
Если я подпаяю туда наушники, для них это скорее всего будет слишком горячий выход, и скорее всего шум будет слышно, мне это ничего не даст.

Вопрос у меня в том, как качественно понизить уровень аудиосигнала до линейного/наушничного, либо где найти подходящий под этот уровень входа усилитель
Аноним 04/11/25 Втр 21:56:55 584614 24
>>584612
> > LED-кольцо подпаять с оторвавшимся контактом
> там ебанутая теплопроводность и ёмкость
Для этого покупается такой вот нагревательный элемент. Потребляет сколько-то там вольт постоянки и много ампер до пяти вроде, поддерживает стабильную температуру около 200 градусов. Фиксируешь его хорошо, кладёшь сверху кольцо со светодиодами и переставляешь их как хочешь. Стоит копейки, а охуенно удобно и легко.
Аноним 04/11/25 Втр 22:34:44 584615 25
>>584494
Давай так. Сейчас я сижу в номере и страдаю хуетой. Читаю этот свинарник, завтра мне ехать на испытания. Это я выще ориентировал долбоёба насчет стрелочного прибора. Но я хуй возьму какой стрелочник с собой в командировку. Потому что тяжелый и громоздкий и функциональность ограничена. А места у меня в сумке мало и тяжести тоже таскать неохота. Лучший варик - портативный осцилл.
Аноним 04/11/25 Втр 22:54:10 584616 26
>>584610
>>584611
разница есть? вроде как 4и 5 версии будут работать по принципу 4.

как посмотреть вермсию?
Аноним 04/11/25 Втр 23:18:41 584617 27
>>584616

Не факт, может быть BT 5 only.
Аноним 04/11/25 Втр 23:51:41 584618 28
>>584617
есть такое на этой модели? у меня 4.2
Аноним 05/11/25 Срд 08:44:56 584621 29
>>584612
Понял, спасибо, изучу вопросик.
>>584614
Ты ссылку забыл, видимо.
Аноним 05/11/25 Срд 13:28:21 584625 30
20251105123901.jpg 3405Кб, 4032x1908
4032x1908
20251105125115.jpg 1588Кб, 4032x1908
4032x1908
>>584439
Извини, анончик, только сейчас смог поиграться. Первый, второй контур покрутил, но такие точные частоты не удавалось выставить в крайних положениях, поставил примерно. Дальше не понял, как подстраивать. Но в целом увидел, что хотел: синусоиду гетеродина, амплитудный сигнал на промежуточной частоте, и он же после детектора. Дальше буду курить теорию. Спасибо за помощь.
Кстати, китайцы подсунули нерабочий динамик, выдрал из принтера пищалку с мерзким звуком, коллеги сбежались посмотреть, что за чокнутый радист завелся.
Аноним 05/11/25 Срд 14:19:06 584627 31
Помогите понять правильно ли я понял расчёт стабилитрона. Допустим у меня есть источник питания 9В. Есть нагрузка 10Ом, на которой я хочу 0,5А. Значит напряжение стабилизации должно быть 5В. Есть стабилитрон с параметрами Vzt=5,1В, Izt=240мА, Zzt=1,5Ом. Ток через стабилитрон тогда = 0,24А - ((5,1В-5В)/1,5Ом)=0,173А. Тогда сопротивление балластного резистора =(9В-5В)/(0,173А+0,5А)=5,94Ом. Так?
Аноним 05/11/25 Срд 15:12:36 584631 32
>>584627
>((5,1В-5В)/1,5Ом)=0,173А.
Ничего не понятно, как ты это соединять собрался?

Izt это не минимальный ток, который должен через него проходить. Там есть другие характеристики, так что не нужно егшо складывать при расчете верхнего резистора.
Аноним 05/11/25 Срд 15:27:59 584633 33
>>584631
Что тебе не понятно? Это дифференциальное сопротивление, импеданс. Изменение напряжения/изменение тока относительно номинальных значений. Где я сказал что это минимальный ток? Это номинальный ток через стабилитрон при номинальном напряжении стабилизации. При другом напряжении другой ток. Через балластный резистор проходит и ток нагрузки и ток стабилитрона. При заданном падении напряжения Rб=(Uпит.-Uz)/(Iz+Iн). Если сам знаешь хуже новичка нехуй лезть и путать.
Аноним 05/11/25 Срд 16:04:20 584636 34
>>584631
>0,24А - ((5,1В-5В)/1,5Ом)=0,173А
>>584633
Так а что ты посчитал, какой смысл в этом вычислении?
Аноним 05/11/25 Срд 16:53:57 584637 35
>>584636
Для того чтобы найти ток через стабилитрон при нужном мне напряжении стабилизации и использовать этот ток для расчёта сопротивления балластного резистора, там это русским языком написано.
Аноним 05/11/25 Срд 21:16:43 584638 36
Нужен самый маленький powerbank размером чуть больше свистка от беспроводной мыши. Интерес сугубо практический, запитать аудио bluetooth-адаптер, у которого нет на борту аккумулятора, не сильно увеличивая габариты и вес. Готовых таких нет. Паять умею, сам инженер-энергетик, не дурак но в этих ваших слаботочках и радиотехниках не секу - я больше по силовым цепям и трансформаторам, в общем что мне докупить на али, и как собрать? Есть ненужная одноухая гарнитура, в ней подходящий очень мелкий литиевый аккумулятор. Есть несколько аккумуляторов из одноразовых электронных сигарет.
Аноним 06/11/25 Чтв 02:50:31 584643 37
Аноним 06/11/25 Чтв 03:24:33 584644 38
image.png 403Кб, 655x483
655x483
image.png 457Кб, 1354x707
1354x707
Тут спрошу.
Хочу приобрести бустер конденсаторный, какие подводные по сравнению с обычным литием, а то многие пишут что литий вздувается через пару лет, а тот типа вечный и в машине на морозе можно оставлять.
Аноним 06/11/25 Чтв 04:05:44 584645 39
>>584644
У тебя в машине итак вечный аккумулятор на морозе стоит.
Хочешь какого-то резервирования – дома храни.
Аноним 06/11/25 Чтв 04:27:57 584647 40
image 136Кб, 1280x1121
1280x1121
image 175Кб, 731x1280
731x1280
>>584644
Когда я последний раз проверял у суперкапов был ебейший саморазряд, так что хз как ты там его будешь оставлять
Аноним 06/11/25 Чтв 04:46:13 584648 41
>>584627
Как ты собрался снимать ток в 0,5А со стабилитрона с током стабилизации 0,24А? Нагрузка на стабилитрон должна быть как можно меньше, в идеале не больше 20% от тока стабилизации. Либо ставь эмиттерный повторитель, либо просто балластный резистор последовательно с нагрузкой без всяких стабилитронов.
Аноним 06/11/25 Чтв 04:59:21 584649 42
>>584648
Легко. Это не максимальный его ток стабилизации, это Izt, по даташиту у этого стабилитрона 1N5338B Izm вообще почти ампер, 0,93А, он на 5 Вт. Я не спрашивал как что мне лучше сделать, я спрашиваю про расчёт.
Аноним 06/11/25 Чтв 05:53:44 584650 43
wozsiam4.jpg 14Кб, 247x280
247x280
>>338104 (OP)
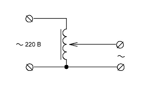
Подключил лампочку 12в через ЛАТР поднял напряжение до 5 в тыкнул щупом осцилографа на контакты лампочки и произошел бдыщь с выбиванием УЗО, зделол второй контрольный бдыщь с тем же результатом. Поясните пожалуйста физику процесса? Как я понял, нужно или ЛАТР или осцил подключать через развязывающий транс 220-220. Мне нужно около 50в переменки, если я подключю йобу через понижающий трансформатор 220-48 бдыща при тыканье осцилом и в других случаях не будет?
Аноним 06/11/25 Чтв 06:18:26 584652 44
>>584650
Жаль ослик не сгорел
Аноним 06/11/25 Чтв 07:00:50 584654 45
>>584652
УЗО спасло, наверное
Аноним 06/11/25 Чтв 07:16:08 584655 46
image 73Кб, 490x490
490x490
Как зделоть чтобы esp8266, настроенная на дипслип первый раз при подаче питания ничего не делала? Вот у меня программа которая запускается если ей надавить на ресет, и потом опять вводит есп в дипслип. Но блин при подаче питания или проблеме с питанием есп тоже выполняет программу, хотя на ресет ей никто не давил
Аноним 06/11/25 Чтв 07:49:15 584656 47
>>584627
У тебя исходных данных недостаточно.
Вот ты пишешь что нагрузка 10 Ом. Она постоянная и резистивная что ли? Тогда зачем стабилитрон?
Аноним 06/11/25 Чтв 07:51:52 584657 48
>>584656
Ну ещё входное напряжение. Оно у тебя не меняется что ли? Тогда опять же, зачем стабилитрон с постоянной резистивной нагрузкой?
Аноним 06/11/25 Чтв 09:25:20 584658 49
>>584650
Латр не дает гальванической развязки с сетью, поэтому надо что-то одно отвязывать.
Аноним 06/11/25 Чтв 10:41:53 584660 50
>>584658
>Латр не дает гальванической развязки с сетью
Да это то я понял, я не понял почему коротнуло.
Аноним 06/11/25 Чтв 10:53:34 584661 51
image.png 9Кб, 287x176
287x176
>>584650
>Поясните пожалуйста физику процесса?
хорошо что не ебнуло. У тебя один провод имеет прямое подключение. Нужно было убедится что общий провод - нейтральный.
Аноним 06/11/25 Чтв 11:34:43 584663 52
>>584660
Ты попался на типичную ошибку при измерении неразвязанного от сети напряжения. Крокодил на щупе имеет прямую связь с заземляющим контактом на вилке. Соответственно, если крокодилом ткнуть в фазный провод, произойдет бум.
Аноним 06/11/25 Чтв 11:56:09 584664 53
>>584661
> Крокодил на щупе имеет прямую связь с заземляющим контактом на вилке. Соответственно, если крокодилом ткнуть в фазный провод, произойдет бум.
К ЛАТР я подключил диодный мост и от него уже лампочку, минус осцила на минус моста, но все же бумкнуло. Хотя вот сейчас терзают сомнения, не перепутал ли я полярности, но проверять я конечно же не буду.
>>584661
>хорошо что не ебнуло. У тебя один провод имеет прямое подключение. Нужно было убедится что общий провод - нейтральный.
Это да, век живи век учись, небольшое напряжение на выходе ЛАТР и мегасопротивления на щупах осцила казалось бы что могло пойти нет так? Вроде пишут и в ипульсные БП тоже тыкать осцилом нельзя, да и вообще тыкать осцилом во что либо подключенное к сети нельзя если не развязано.
Аноним 06/11/25 Чтв 12:26:01 584665 54
>>584664
Я как-то решил поизучать работу БП. Как только коснулся крокодильчиком осциллографа корпуса БП - ебануло. Хорошо хоть осциллограф не вышел из строя. Не понимаю, ведь оба в одной розетке.
Аноним 06/11/25 Чтв 12:31:11 584666 55
>>584664
А в чем смысл твоих действий вообще, ты добиваешься чего? Вот ты неопытен, знаний как видится крайне не хватает, но ты тем не менее создаешь какие-то установки гальванически не развязанные от электросети и тычешь в них приборами. Что ты хочешь создать и познать в итоге? Просто ЛАТР имеет довольно специфичное применение, сдается мне что ты его хочешь использовать сильно не по назначению.
Аноним 06/11/25 Чтв 12:41:11 584667 56
176242188527647[...].jpg 31Кб, 500x387
500x387
>>584664
Диодный мост никак не влияет на вероятность кз
Аноним 06/11/25 Чтв 12:45:24 584668 57
>>584666
>Просто ЛАТР имеет довольно специфичное применение, сдается мне что ты его хочешь использовать сильно не по назначению.
Мне 12-40 вольт регулируемой постоянки хотелось, за диодным мостом планировал кондеров навесить и посмотреть на сколько прямой ток будет.
>>584665
>Как только коснулся крокодильчиком осциллографа корпуса БП - ебануло.
Короче это боевое крещение.
Аноним 06/11/25 Чтв 12:47:16 584669 58
>>584668
>Мне 12-40 вольт регулируемой постоянки
Никак не изолированым от общей сети, опасная хотелка.
Аноним 06/11/25 Чтв 12:51:44 584670 59
>>584669
>Никак не изолированым от общей сети, опасная хотелка.
Похоже на то.
>>584666
>Просто ЛАТР имеет довольно специфичное применение
И какое его применение если не секрет? Или его всегда развязывать нужно?
Аноним 06/11/25 Чтв 12:52:09 584671 60
>>584664
>небольшое напряжение на выходе ЛАТР и мегасопротивления на щупах
Так не не большое, если ты подключал землю щупа к минусу диодного моста, там у тебя фазное напряжение было. И как видно по картинке, у тебя не небольшое напряжение, а скорей всего целый фазный потенциал на одном из выходов ЛАТРа
Аноним 06/11/25 Чтв 12:58:02 584672 61
>>584670
>И какое его применение если не секрет? Или его всегда развязывать нужно?
Он весьма ограничен в своем применении, и по большому счету не нужен. Ты можешь его использовать для тестирования потребителя где можно убедится в безопасной работе при более низком напряжении. Например можно тестировать импульсный источник питания, что бы проверить как он работает при низком напряжении.
Аноним 06/11/25 Чтв 13:35:26 584673 62
>>584618

Полько проверять методом тыка.
Аноним 06/11/25 Чтв 13:54:54 584674 63
>>584672
А если ЛАТР через развязывающий трансформатор подключить, можно же будет использовать как регулируемый ИП?
Аноним 06/11/25 Чтв 14:03:09 584675 64
>>584674
Можно. Но зачем все это? Есть китайские доступные лабораторные ИП
Аноним 06/11/25 Чтв 15:04:21 584676 65
>>584674
Можно, но это максимально извращенная дорога. Если прям уж так хочется именно самопальный лабораторник уж лучше сваять на импульснике от компьютера, на базе ИБП для светодиодных лент и т.д. вольтметр и амперметр с шунтом вкорячить, переключение, регулировку. А лучше намутить заводской лабораторник, там хоть нормально стабилизацию тока регулировать можно и т.д.
Аноним 06/11/25 Чтв 15:38:02 584677 66
>>584675
>>584676
Через ЛАТР нет проблем с мощностью, пробовал один БП от компа даже не смог моторчик запустить, второй БП помощнее запустил, плюс мне до 40в хотелось.
Аноним 06/11/25 Чтв 16:42:52 584678 67
>>584677
>пробовал один БП от компа даже не смог моторчик запустить
Нихуя себе у тебя там моторчики, с компьютерного блока питания можно снять 20 А по линии 12 вольт и больше, смотря какой блок. Боюсь не каждый ЛАТР еще вывезет 20-30 ампер, у них обмотка обычно 0,8 мм
Аноним 06/11/25 Чтв 17:30:59 584681 68
>>584678
>Боюсь не каждый ЛАТР еще вывезет 20-30 ампер, у них обмотка обычно 0,8 мм
Наиболее распространенные ЛАТР-ы на 9 А. Однако они такой ток не особо выдерживают - перегревается ползунок.
Аноним 06/11/25 Чтв 18:37:52 584682 69
>>584656
Достаточно данных. Да незачем. Когда ты в учебниках в задачах видел кучку соединённых резисторов тоже душнил зачем это? Я про расчёт хотел уточнить. Ну раз здесь не знают то ок.
Аноним 06/11/25 Чтв 19:41:05 584683 70
>>584682
>Когда ты в учебниках в задачах видел кучку соединённых резисторов тоже душнил зачем это?
Не бывает учебников где спрашивают подобную нелепицу.
Аноним 06/11/25 Чтв 19:55:52 584685 71
1.jpg 46Кб, 1000x750
1000x750
>>584682
>Достаточно данных.
Ты ошибаешься. Или ты спрашиваешь про расчет в одной точке? Но тогда это не расчет стабилизатора.

В любом случае, для проверки твоих измышлений можно воспользоваться методом эквивалентного генератора. Увы, но стабилитрон не будет в рабочем режиме при твоих сопротивлениях.
Аноним 06/11/25 Чтв 19:59:30 584686 72
>>584682
Да вот просто банально посчитай что будет с твоей схемой при отсутствии стабилитрона. Если напряжение будет меньше напряжении стабилизации, то очевидно оно работать не сможет никак.
Аноним 06/11/25 Чтв 20:01:27 584687 73
>>584685
Едрить ты душнила. Конечно не бывает таких задач. Ты смысл задачи вообще понимаешь? Смысл задачи не в том чтобы получить готовое устройство для какой-то конкретной цели а чтобы отработать понимание процессов. Или когда видел подобное тоже спрашивал: "Марьиванна, а нафига стока резисторов, ведь можно заменить одним эквивалентным? А для чего это, вот тупые люди нелепицу какую то спрашивают" Вот ты такие задачки не решал поэтому даже не понял как работает стабилитрон и как его считать. А надо было бы.
Аноним 06/11/25 Чтв 20:04:51 584689 74
>>584685
Что блять? Ты нахера считаешь какое-то эквивалентное сопротивление для балластного резистора и резистора нагрузки как соединённых параллельно? Они даже на схеме у тебя соеденены ПОСЛЕДОВАТЕЛЬНО блять что с тобой не так?
Аноним 06/11/25 Чтв 20:08:13 584690 75
>>584689
Это просто метод расчета для тех кто понимает ОТЦ.
Если ты со мной не согласен, ну посчитай методом контурных токов или узловых потенциалов. И оно сойдется, если ты не ошибешься, я уверяю тебя.
Аноним 06/11/25 Чтв 20:08:59 584691 76
>>584687
>не понял как работает стабилитрон и как его считать
Так а как же его считать? Расскажите.
Аноним 06/11/25 Чтв 20:11:26 584693 77
>>584691
Посмотри видео для самых маленьких от диодов.нет. Там про стабилитроны их три штуки с подробным объяснением. Ты либо тролль либо хз.
Аноним 06/11/25 Чтв 20:13:23 584694 78
>>584693
>Посмотри видео для самых маленьких от диодов.нет
Тоесть ті пишешь что, что бы понять как решать, надо решать задачи, а потом ссылаешься на видео. У тебя в головой все впорядке?
Аноним 06/11/25 Чтв 20:15:42 584695 79
Аноним 06/11/25 Чтв 20:22:39 584696 80
Screenshot20251[...].jpg 99Кб, 1078x1509
1078x1509
>>584694
Тi 🐷
Всё ясно, йододефицит . Резисторы соеденены ПОСЛЕДОВАТЕЛЬНО а хрюша считает их ПАРАЛЛЕЛЬНО. На симуляторе бы хоть проверил где усредненный стабилитрон.
Аноним 06/11/25 Чтв 20:22:59 584697 81
>>584687
>Конечно не бывает таких задач.
Как раз с твоими данными это больше задачку из учебника напоминает. В реальности, при разработке реальных устройств нужно еще учесть в каких пределах меняется входное напряжение и в каких пределах меняется сопротивление нагрузки (если оно меняется).
Аноним 06/11/25 Чтв 20:24:59 584698 82
Аноним 06/11/25 Чтв 20:28:56 584699 83
>>584696
Но я другой анон. Забавно как ті переключился на симулятор. Видимо знаний от решения задач не добавилось.
Аноним 06/11/25 Чтв 20:31:29 584700 84
>>584697
Ну и если поменять местами, то Eэкв=9х10х(10+5.94)=5.65
Ток через стабилитрон: Iст=(Eэкв-5.1)/Rэкв=0.1476 А.
Сошлось с симулятором?
Аноним 06/11/25 Чтв 20:36:57 584702 85
image.png 113Кб, 1561x1279
1561x1279
Аноним 06/11/25 Чтв 20:39:12 584703 86
>>584702
С хера ли ты теперь балластный резистор поменял?
Аноним 06/11/25 Чтв 20:52:28 584704 87
>>584700
Да, еще учти что это расчет для случая когда напряжение на стабилитроне равно 5.1 В. А поскольку напряжение эквивалентного генератора получилось очень близким, то при небольших изменениях напряжения на стабилитроне, ток через него будет сильно меняться.
Аноним 06/11/25 Чтв 20:52:40 584705 88
tiktokpanabyn74[...].mp4 3115Кб, 576x720, 00:00:16
576x720
Братушки, заебенил себе видеоглазок на есп32 с питанием от павербанка через TP4056, лол и открыл для себя такое явление как оптика. В связи с чем, встал вопрос: ебаться с линзами и ждать их с алика или забить хуй и взять камеру на длинном шлейфе, чтобы её в сам четыреждыблядский глазок вывести до конца?
Аноним 06/11/25 Чтв 20:57:55 584706 89
111.png 7Кб, 609x264
609x264
>>584700
И у меня совпало с расчетом (при допущении что напряжение на стабилитроне равно точно 5.1 В). Так что метод эквивалентных генераторов работает. Ну а то что ты не понимаешь почему там соединение параллельное - то увы, изучай: https://electroandi.ru/toe/metod/metod-ekvivalentnogo-generatora.html
Аноним 06/11/25 Чтв 21:32:15 584708 90
>>584706
>>584704

Тоесть, то что напряжение на выходе не 5в, а 5.1. никого не смущает, да? При таких РОЩОТАХ можно и 1ом ебануть на верхний резистор, мало что поменяется.
Аноним 06/11/25 Чтв 21:43:20 584709 91
>>584706
Так где я ошибаюсь если всё так как я расчитал? И кстати как ты загнал в симулятор параметры конкретного стабилитрона 1N5338B? Там есть важный параметр, дифф. сопротивление, именно он указывает как изменится ток при изменении напряжения стабилизации. Между 1,5 Ом и допустим 7 Ом (у менее мощного на 1Вт) разница получается существенная, поэтому у тебя 5,1 а у меня ровно 5.
Аноним 06/11/25 Чтв 22:55:58 584710 92
>>584708
>>584709
Если тебя так беспокоит 0.1 В, то учти что у стабилитронов еще разброс есть и зависимость от температуры. Оно будет влиять не меньше. А еще учти что дифференциальное сопротивление там не зависит от тока, там даже график есть в даташите.
А все потому что ты кипятильник делаешь.
Аноним 06/11/25 Чтв 23:04:11 584711 93
>>584710
Ну и на самом деле, если не делать кипятильник, то дифференциальное сопротивление влияет только на коэффициент стабилизации.
Аноним 07/11/25 Птн 00:48:13 584713 94
>>584678
>Нихуя себе у тебя там моторчики
От автомобильного пылесоса, мотрчик как моторчик
Аноним 07/11/25 Птн 01:41:42 584714 95
>>584710
Я прекрасно понимаю что реальный стабилитрон отличается от его идеальной модели и что реально купленный в магазине стабилитрон будет отличаться в какой-то мере и от своего даташита тоже. И что п/п зависят от температуры тоже знаю. Но этого нет в условиях моей задачи. Я хз почему людям так сложно понять что я спрашивал исключительно про расчёт на бумажке и в реальности не паяю никаких кипятильников? Видимо пары канифоли напрочь отбивают астрактное мышление что ли. Я к тому что у стабилитрона в симуляторе хз какая ВАХ, а именно её наклон, что как раз и говорит о его коэффициенте стабилизации как выразился анон ниже, это и есть Zz, всё мне это ясно.
Аноним 07/11/25 Птн 01:46:43 584715 96
>>584713
з.ы. дополню, я конечно в компьютерных БП не разбираюсь но в одном БП или защита срабатывала или мощности не хватало при запуске моторчика.
Аноним 07/11/25 Птн 01:52:05 584716 97
поясните за логопериодические антенны. вот есть антенна симметричная, где левая сторона совпадает с правой, а есть несимметричная, где монополи не только отстоят на некотором расстоянии справа и слева, но и скачут вверх вниз. в чем разница?
Аноним 07/11/25 Птн 07:49:37 584718 98
>>584714
>Я к тому что у стабилитрона в симуляторе хз какая ВАХ
Учти тогда что ВАХ даже на рабочем участке это не прямая. Тогда можно взять график из даташита, вернуться к эквивалентному генератору и вот таким https://studref.com/671250/prochie/metod_rascheta_diodnyh_tsepey_ispolzovaniem_nagruzochnoy_pryamoy получить рабочую точку ещё точнее.

>купленный в магазине стабилитрон будет отличаться в какой-то мере и от своего даташита
Как раз в даташите зачастую, хотя и не всегда, указывается разброс номинального напряжения.
Аноним 07/11/25 Птн 10:25:40 584723 99
176250008664031[...].gif 38Кб, 583x497
583x497
>>584716

Разница в том что все эти диполи работают с учетом сдвига фаз сигнала (то самое попеременное подключение +/-) на определенных частотах (расстояние между диполями).
Аноним 07/11/25 Птн 16:35:25 584733 100
776990999.jpg 372Кб, 869x752
869x752
Screenshot20251[...].jpg 138Кб, 515x814
515x814
Хочу научиться паять. В книге прочёл совет потренироваться на кошках, т.е. на старой аппаратуре, но у меня её нет, да и вообще хз какой там припой попадётся. Появилась мысль взять пару макетных плат самых дешёвых, сотню таких же резисторов и тренироваться на этом. Или есть способ получше?
Аноним 07/11/25 Птн 16:53:13 584734 101
>>584733

А нахрена переводить все это просто так?
Аноним 07/11/25 Птн 16:56:52 584735 102
>>584734
Для того чтобы научиться паять, я же написал, отработать навык.
Аноним 07/11/25 Птн 17:04:38 584737 103
>>584735

Радиоконструктор требующий пайки купи. Хоть реальная польза будет.
Аноним 07/11/25 Птн 17:12:34 584738 104
>>584737
Ты цены видел? Реально полезный конструктор в 10 раз дороже обойдётся платы и резисторов по 85 копеек. И на нем тренироваться человеку с нулевым навыком? Чтобы где-то повесить соплю и спалить что-то нибудь? Ебать логика, спасибо за совет, пожалуй не воспользуюсь.
Аноним 07/11/25 Птн 17:57:52 584739 105
>>584733
>Хочу научиться паять. В книге прочёл совет потренироваться на кошках
Есть наборы для обучение пайке. Типа простые конструкторы но с разнообразными типами деталей.
Ищи по "ptactice solder boad"
Аноним 07/11/25 Птн 18:05:05 584740 106
>>584733
Не слушай этого >>584734, паяй всё, что хочешь. Наберёшься опыта.
Аноним 07/11/25 Птн 18:49:24 584741 107
>>584733
Братан, тебе резисторы не дадут весь спектр опыта. Купи или наруби проводов, пару микрух каких-нибудь и транзисторы, чтоб подгибку триногих элементов.
Вообще, если у тебя обычный паяльник без регулировки температуры, то будет тяжеловато, в будущем присмотрись к паяльной станции. Есть не дорогие, в целом всё в доступных ценах.
Аноним 07/11/25 Птн 19:15:35 584743 108
image.png 127Кб, 300x178
300x178
>>584734
>>584739
>>584740
>>584741
Ебать, дебилы.
>>584733
Самый лучший способ научиться паять - научиться распаивать платы. Берешь с помойки или с авито либо что с платами где начинка без смд говна и вперед.
Аноним 07/11/25 Птн 19:27:10 584744 109
Screenshot20251[...].jpg 207Кб, 1080x1400
1080x1400
>>584739
>>584741
Спасибо, посмотрю. Понимаю что резисторы не исчерпывающий опыт, но хоть какой-то навык дадут. Паяльник у меня такой. Я им только проводки паял. Понятно что показывает температуру на Марсе, но регулировать можно, достаточно мощный для моих целей и главное температуру в целом держит при долгом использовании, станция пока жирновата для меня.
Аноним 07/11/25 Птн 19:34:58 584745 110
>>584743
Если только на помойке) На авито продаваны за адекватную цену хрен что отдадут, особенно с платами, ведь это не мусор а раритет, винтаж и проч. Ещё такое ощущение что золотари сейчас всё пылесосят подчистую. Не очень бюджетно получится, хотя наверное да, лучший способ на реальных платах.
Аноним 07/11/25 Птн 23:54:07 584750 111
>>584744
>проводки паял
А у тебя зазор между нагревателем и насадкой-жалом большой? Домотай фольгой - станет лучше теплопередача
Аноним 07/11/25 Птн 23:55:19 584751 112
>>584745
>Ещё такое ощущение что золотари сейчас всё пылесосят подчистую.
И да, и нет. Минимум половина техники всегда отправляется быдлом сразу на помойку.
Аноним 07/11/25 Птн 23:58:40 584752 113
>>584699
>я другой анон
Не анон ты, а пидор!
Аноним 08/11/25 Суб 00:04:17 584753 114
>>584750
>Домотай фольгой
Ты ему ещё термопастой обмазать посоветуй!
Аноним 08/11/25 Суб 00:06:13 584754 115
>>584745
Купи за копейки на авито какой-нибудь задроченный 14" трубчатый телек и распаивай на здоровье!
Аноним 08/11/25 Суб 00:33:38 584756 116
>>584753
>Ты ему ещё термопастой обмазать посоветуй!
У него денег на столько фазовой термухи не хватит
Аноним 08/11/25 Суб 11:48:52 584762 117
1762591732111.webp 36Кб, 1128x669
1128x669
Есть какой-нибудь специальный флюс для пайки наушниковых проводов? Как китайцы их паяют? Не ебутся же они ножичком шкрябая проводники перед каждой пайкой.
Аноним 08/11/25 Суб 12:08:50 584763 118
>>584762

Лак от жала паяла отлично сходит.
Аноним 08/11/25 Суб 12:27:25 584767 119
>>584762
>Есть какой-нибудь специальный флюс для пайки наушниковых проводов?
>ножичком шкрябая проводники
Пайка при температуре от 400c
Аноним 08/11/25 Суб 12:28:58 584769 120
>>584767
Я на обычных 300 их паяю. Прижимаю к стене деревяшке паяльником и тяну, чтоб лак слез. Работает каждый раз.
Аноним 08/11/25 Суб 12:38:55 584771 121
>>584769
>чтоб лак слез
Это зависит исключительно от лака.
Аноним 08/11/25 Суб 13:30:53 584774 122
>>584762
Зажигалкой сначала. Можно и >>584767 но можно сжечь жало, да и припоя надо много, с флюсом
Аноним 08/11/25 Суб 23:10:47 584801 123
images.jpg 4Кб, 225x225
225x225
>>582702
Присри туда линейную оптопару и рули через ЦАП
09/11/25 Вск 10:10:22 584805 124
u9g-full.jpg 33Кб, 620x387
620x387
>>584762
>>584762
>Есть какой-нибудь специальный флюс
Аноним 09/11/25 Вск 19:34:03 584827 125
Screenshot20251[...].jpg 171Кб, 1059x1225
1059x1225
Аноны, есть какой нибудь гайд как вкорячить плату в корпус? Типо надо сделать дырку в днище, вставить туда болт, закрутить на него стойку типа папа-мама насадить на неё плату и загрутить гайками, так? Ну + прокладки. Чёт пздц туплю(
Аноним 09/11/25 Вск 19:39:47 584828 126
>>584827
Фотку платы и корпуса в студию.
Аноним 09/11/25 Вск 20:55:25 584832 127
54871254.jpg 10Кб, 330x330
330x330
>>584828
Представь любую самодельную плату и любой покупной пластиковый корпус вроде этого.
Аноним 09/11/25 Вск 21:09:35 584833 128
>>584827
Как хочешь. Есть бесконечное множество способов.
Самое простое, имхо, сделать дырки в корпусе под дырки на плате и собрать на стойках.
Можно прилепить стойки в корпус на клей.
Можно вплавить в корпус резьбовые хуйни для 3д печати.
Если в корпусе уже есть отверстия и они не совпадают с отверстиями на плате, то можно сделать переходник от одних отверстий к другим из какого-нибудь говна.
Корпуса искать прям вот так "корпус для рэа".
Абу пидорас твоя капча заебала соси за спасибо.
Аноним 09/11/25 Вск 21:20:42 584834 129
>>584832
В этом у тебя пазы есть.
Что ты там на плате развёл и где дырки предусмотрел мы тем более не ебём.
Тащи конкретные фотки.
Аноним 09/11/25 Вск 21:41:33 584835 130
34i9Yge9dA.jpg 1131Кб, 1080x2400
1080x2400
>>584834
Допустим дырок на плате нет вообще, никаких пазов в корпусе тоже, обычный, как написал анон "корпус для РЭА" и обычная самодельная плата. Мне нужно типовое решение для любой подобной дефолтной конструкции, абсолютно не важно что за плата. Представь что-то такое, раз фантазии 0.
Аноним 09/11/25 Вск 21:56:51 584836 131
176271460002429[...].jpg 188Кб, 1000x1000
1000x1000
Аноним 09/11/25 Вск 21:57:14 584837 132
>>584835
Блять, анон, если плата самодельная – самоделаешь её с монтажом сразу.
Если корпуса на руках нет – покупай такой где что-то предусмотрено для монтажа: Отверстия, стойки, пазы... Делаешь сам – проектируй.
В крайнем случае у тебя всегда есть эпоксидка и изолента.
Аноним 09/11/25 Вск 21:57:37 584838 133
>>584835
> дырок на плате нет вообще
По углам на вид полно места, засверлись там. Пластиковые стойки присрёшь на корпус на горячий клей или ещё какой ацетон с разбавленными в ней стружками этого же абс. Если совсем ссышь и сверлиться негде, подпаяй ушки к окружающей всю плату земляной дорожке, приклей к днищу коробки длинный болт, и зажми плату между двух пластиковых шайб нанизанных на этот болт. Очевидно, такие моменты придётся в дальнейшем закладывать в саму печатку, но даже прямо сейчас есть варианты.
Аноним 09/11/25 Вск 21:58:25 584839 134
>>584836
А почему нельзя на стойки? В чём недостаток того что я описал и в чем преимущество клея?
Аноним 09/11/25 Вск 22:00:14 584840 135
Аноним 09/11/25 Вск 22:01:24 584841 136
>>584837
То есть нужно обязательно искать в магазине какие-то корпуса с дырками и под них подгонять плату вместо того чтобы просверлить где нужно? Што?
Аноним 09/11/25 Вск 22:05:44 584843 137
176271494866773[...].jpg 52Кб, 864x864
864x864
176271496767974[...].jpg 146Кб, 768x768
768x768
176271505404631[...].jpg 52Кб, 1000x815
1000x815
176271511142461[...].jpg 39Кб, 864x864
864x864
>>584832

Корпуса моего детства.
Аноним 09/11/25 Вск 22:06:56 584844 138
>>584841
Ну просверли если тебя декоративная часть не волнует.

Все продажные корпуса РЭА итак имеют что-то для монтажа, их же для этого и проектируют.
Тут >>584832 вон стойки под шурупы. Тут >>584835 пазы под платы враспор.
Аноним 09/11/25 Вск 22:11:45 584845 139
>>584843
А чего не деревянные
Аноним 09/11/25 Вск 22:13:02 584846 140
>>584844
> вон стойки под шурупы
2мм глубиной, докупай стойки и фиксируй на суперклей ибо отломятся аж бегом
> пазы под платы враспор
Хоть бы раз в жизни посмотреть на шизов, которые этим занимаются не потому что другого крепежа нет. Сам вклеивал небольшие макетки в эти щели, но чисто от отсутствия другого крепежа и размера той макетки в юбилейный чирибас.
Аноним 09/11/25 Вск 22:17:04 584847 141
>>584845

Деревянные ебацо надо а мыльницы в каждом хозмаге.
Аноним 09/11/25 Вск 22:21:07 584848 142
37386.jpg 21Кб, 700x700
700x700
>>584844
Не все, есть просто коробки, абсолютно гладкие внутри, там ничего нет. Париться вкорячивая априори нестандартную самодельную плату под определённый корпус, подгоняя что то там на плате под типовые детальки в корпусе слишком напряжно. Да и вряд-ли чёрные болты на чёрном корпусе где-то на днище будут уж слишком сильно портить вид.
Аноним 09/11/25 Вск 22:44:41 584849 143
>>584848

Платы можно и на пружинки/резинки растягивать.
Аноним 09/11/25 Вск 23:03:19 584850 144
>>584848
>абсолютно гладкие внутри, там ничего нет
А пазы там для чего по-твоему?
Это специальный корпус под сверловку. Собственно днище у него даже с разметкой под неё и судя по ушам он как раз к стене монтируется и все болты прикрывает.
Аноним 10/11/25 Пнд 20:03:50 584873 145
Подскажите маркировку одножильного однопроволочного медного провода, диаметром как у 22 awg, то есть 0.6-0.7 мм. Запутался в этих ёбаных ПуГвМгТфЛГБТК+ одни многопроволочные попадаются.
Аноним 10/11/25 Пнд 20:08:15 584874 146
Аноним 10/11/25 Пнд 20:08:36 584875 147
>>584873
А нет их нихуя, только многопроволочные. И, на удивление, достаточно тонких в ПВХ нет, только ебучий фторопласт и иногда силикон. Твой выбор - лакированный провод для катушек, ПЭТВ какой-нибудь.
Аноним 10/11/25 Пнд 20:31:22 584876 148
>>584875
Я хотел сам для макетки перемычки из этого сделать. Придётся покупать готовые, снимать лак с этих заебёшься.
Аноним 10/11/25 Пнд 21:00:43 584877 149
>>584876
А, ты про эти. Я их из нв1 делаю, на озоне прям катушками продаётся.
Аноним 10/11/25 Пнд 22:16:39 584884 150
Двощ, а что ЗАХВАТЫВАЮЩЕГО есть в современном радиолюбительстве? Сам я несколько лет назад пытался вкатиться, попрограммировал ардуину, попрограммировал голую атмег, спроектировал и собрал чпу-фрезер, сделал терминал на плис, купил 3д принтер и напечатал кораблик. Но че-то это все какой-то душный пердолинг уровня бэкэнд-рпзработки. А есть что-то, чтобы было не душно?
Аноним 10/11/25 Пнд 22:16:59 584885 151
>>584873
>Подскажите маркировку одножильного однопроволочного медного провода.
Это не стандартизированый кабель, как, например, пв-1, у которого изоляция расчитана на большое напряжение, так что производители могут называть его как хочешь.

на али гуглится по 'hookup wire single 22awg'
Аноним 10/11/25 Пнд 22:18:44 584886 152
>>584884
>а что ЗАХВАТЫВАЮЩЕГО есть
Робототехника.

>>584884
>чтобы было не душно?
Системы вентиляции.
Аноним 11/11/25 Втр 00:36:35 584890 153
msedgecnyPSE2Fit.jpg 124Кб, 1373x813
1373x813
msedgezF9x69sVIW.jpg 93Кб, 1359x782
1359x782
msedge5ZfmfEyemU.jpg 145Кб, 1398x816
1398x816
Такие ручки все из шершавого материала где пальцы или есть силиконовые? В магазине был там штук 10 стояло и все одинаковые как на картинке.
Аноним 11/11/25 Втр 03:25:39 584894 154
image.png 189Кб, 700x700
700x700
>>584873
Тебе именно провод, или жила просто нужна?
Жилы можно напиздить из ТРП. И какие-то ещё там похожие есть.
Но как кабель/провод он говно полное.
Аноним 11/11/25 Втр 16:20:00 584917 155
image.png 10Кб, 213x196
213x196
Кто нибудь знает что это за элемент на схеме?
Аноним 11/11/25 Втр 16:33:02 584918 156
176286793234979[...].gif 8Кб, 400x145
400x145
>>584917

Даже не знаю, шото из высоких технологий недоступных сейчас человечеству.
Аноним 11/11/25 Втр 16:33:42 584919 157
176286800864512[...].jpg 58Кб, 433x640
433x640
Аноним 11/11/25 Втр 16:49:30 584922 158
7690162536.webp 24Кб, 750x1000
750x1000
не хочу напрямую в плату запаивать провода и хочу их посадить на клеммник, но мне нужен не на два контакта, а на один, так как выходы находятся далеко друг от друга. Ни как его не могу найти такой: они вообще существуют? Если нет, то можете посоветовать как выкрутиться
Аноним 11/11/25 Втр 16:54:46 584923 159
image.png 615Кб, 700x700
700x700
image.png 86Кб, 606x606
606x606
>>584922
Или пикрил1, или припаяй к плате гайку и болтом прижимай к ней пикрил2
Аноним 11/11/25 Втр 17:40:51 584924 160
image 133Кб, 1168x1280
1168x1280
>>584922
Припаивай на 2, крепче будет, будет запасной, для дальнейшей модификации
Аноним 11/11/25 Втр 17:45:08 584925 161
image 50Кб, 850x446
850x446
image 49Кб, 877x465
877x465
Аноним 11/11/25 Втр 21:57:52 584928 162
Аноним 12/11/25 Срд 00:16:30 584939 163
51MdwCIamLL.ACS[...].jpg 49Кб, 775x805
775x805
Пацантре, есть варик DIY аккустической камеры на какой-нибудь ардуине? Заводские решения пиздец дорогие, платить 1500 косаря за 64 микрофона и пластик просто охуеть.
Аноним 12/11/25 Срд 01:02:01 584940 164
>>584939
Конечно есть. Я даже искать не буду.
Аноним 12/11/25 Срд 09:12:49 584951 165
изображение.png 274Кб, 1227x649
1227x649
>>584923
у меня разъем, конечно, одверстие в плате(у меня на фото даже немного ножки виднеются), но думаю пик1 смогу напаять. Как я понимаю оно же называется по другому, нежели "клеммник"?
>>584924
там места нет. Буквально одно отверстие, к которому подведен контакт. А второе отверстие у другого края платы.
>>584925
пик 2 выглядит похоже на то что надо. Я конкретно этот товар не нашел, но ясно в какую сторону двигаться. Спасибо
Аноним 12/11/25 Срд 10:53:30 584957 166
изображение.png 630Кб, 1080x608
1080x608
изображение.png 1199Кб, 960x1280
960x1280
изображение.png 1413Кб, 960x1280
960x1280
>>338104 (OP)
Коллеги, помогите опознать разъемы на юните для автодатчиков (Greddy SMI). Нужно подобрать фишки для них, потому что старые при любом чихе разваливаются от старости. Либо нужно подобрать аналоги маму/папу, чтобы с обеих сторон поменять. Мамы сидят на штырях просто за счет трения как я понимаю (снимаются и ставятся обратно без проблем).
И еще вопрос, чем обжимать пины для таких фишек? Они там супер мелкие (для меня).
Аноним 12/11/25 Срд 11:54:25 584958 167
Пацаны, есть один GP-300, который внезапно включился с аккумулятором с озона.
Диапазон 438-470, судя по номеру модели.

Знаю, что VHF-версия на 146-174 программно настраивается на любительский диапазон 2 метра.

А вот UHF-версию с 438 на 431 перетянуть реально?
У меня просто вход в репу как раз на 431 находится. И если с китаекалом проблем ноль, эта хуйня умеет в работу от 400 до 480 легко настроиться чирпом, то нормальная техника, увы, под такое не могёт.
Аноним 12/11/25 Срд 18:14:12 584963 168
20251112181221.jpg 5925Кб, 4128x2580
4128x2580
20251112181202.jpg 5439Кб, 4128x2580
4128x2580
Лол, никогда такого не было и вот опять.
Аноним 12/11/25 Срд 22:21:30 584964 169
>>584922
Не используй пикрил дряньё. Там лепесток заедает, выгибается, дерьмовая конструкция, ненавижу.
Аноним 12/11/25 Срд 22:37:09 584965 170
426345a.jpg 18Кб, 600x600
600x600
alientek t90 so[...].webp 18Кб, 800x800
800x800
>>584597
>считается уже устаревшим
Мне как то плевать на устаревшесть. Впечатлил лет 5 назад только разогрев "картриджного"(hakko 900 m) за полминуты.
В карманном плеере старым, похоже кнопки не перепаяю. alientek t90 норм выбор? К нему ещё ведь блок питания где то за его цену понадобится?
Аноним 13/11/25 Чтв 01:20:47 584970 171
Аноним 13/11/25 Чтв 04:26:31 584977 172
Сап, подскажите складнчину где можно раздобыть 3д модели корпусов на всякие баофенги/кенвуды/моторолки, хочу на 3д принтере попечать. Гугл вообще мизер что выдал, всякие бамперы и переделки корпусов под 18650 на пару модель.
Аноним 13/11/25 Чтв 09:33:25 584978 173
изображение.png 41Кб, 1228x365
1228x365
>>584925
нашел по фото. Не знаю где ты живешь анон, но у нас его купить кажись нельзя
Аноним 13/11/25 Чтв 14:55:29 584996 174
Радиач, доехал мой RTL-SDR v4
Комплектная антенна полный мусор, даже FM берёт с трудом некоторые станции - правда, я прочитал что её нужно лепить на металлическую поверхность, вроде крыши автомобиля, для чего там есть магнитная пластинка, но у меня ничего подобного нет.

Почитав интернеты на предмет антенн для помещений, купил YouLoop с усилителем,жду пока доедет. Пишут, что усилитель иногда просто добавляет шум и в целом нужен наверное если использовать длинный кабель для антенны. На всякий случай спрошу, где под него добыть источник питания на 12v 200ma? довольно редкая слаботочка, не могу таких найти в продаже на озоне или алике.
Аноним 13/11/25 Чтв 16:16:55 585004 175
16592263663560.jpg 4008Кб, 10328x6419
10328x6419
Алоэ, электраны!
Есть кнескопный телик. Самсунг. Годов, наверное, нулевых. Что можно из него ценного дёрнуть? Не в плане драгметаллов или каких-то деталей чтобы толкнуть хотя и это тоже а что-то для рукоблудия: махарайку-другую замутить.
Аноним 13/11/25 Чтв 16:26:07 585005 176
>>585004
>Что можно из него ценного дёрнуть?
Оставить рабочим, и играть в старые, дожидкокристалические игры.
Аноним 13/11/25 Чтв 16:45:26 585006 177
6zgdJFh.jpg 824Кб, 3226x2419
3226x2419
o4xlhbd10ry81.jpg 2762Кб, 4160x3120
4160x3120
>>585005
Это вот. Ещё можно аниме крутить, как в старые добрые, которое под старые трубки было нарисовано.
Аноним 13/11/25 Чтв 18:15:50 585010 178
435435.png 11Кб, 390x82
390x82
7159027452.webp 48Кб, 1000x1000
1000x1000
Думал в этом году ничего не брать на распродажах, но вот попалось на глаза, не выдержал и заказал модуль с б/у OCXO.
Есть у кого идеи, как эту херню можно откалибровать, не имея доступа к частотомеру с поверкой?
Аноним 13/11/25 Чтв 18:51:22 585014 179
Screenshot 2025[...].png 65Кб, 377x284
377x284
>>584970
Его и смотрел. Понял только, что понадобится блок питания докупить. Почему такие в обзоре не показывали?
Понравился колпачок на жало и,получается, есть возможность термоусадку греть, он же от 80 градусов. Для термоусадки слабого аккума хватит.
Аноним 13/11/25 Чтв 18:58:07 585016 180
image 2Кб, 90x98
90x98
>>585010
Надо ж как индуктивность откалибровали
Аноним 13/11/25 Чтв 19:34:09 585019 181
Аноним 13/11/25 Чтв 20:10:33 585029 182
>>585019
Вспомнил что ещё со времён радио кружка хотел компактный паяльник. А запас по мощности- разумный выбор.
Аноним 13/11/25 Чтв 20:54:00 585035 183
>>585010
По GPS, а еще лучше добавь туда ФАПЧ и получи GPSDO.
Аноним 13/11/25 Чтв 21:57:35 585043 184
16957479179850.png 241Кб, 460x527
460x527
>>585005
Не, надо от него избавляться, как ни крути
>>585004
Бамп вопросу
Аноним 14/11/25 Птн 00:38:14 585050 185
130221984383.png 84Кб, 299x288
299x288
>>585035
Вот только купить GNSS-модуль, подходящий для построения GPSDO - это целая проблема, а за дёшево - практически нереально.
Пару-тройку лет назад вся алипомойка была завалена б/у-шными neo 6 модулями, перемаркированными под модули 7-8 серий. Как сейчас - хз. В новых сериях ВЧ-выход остался только у редких и дорогих специализированных модулей.
Может, я просто не в курсе. Буду рад, если предложишь годные варианты.
Аноним 14/11/25 Птн 01:14:46 585051 186
Сап.

А чо там по мультиметрам нынче? Какая годнота актуальная?

Только давайте без этих механических галетников, не хочу снова на этих граблях плясать
Аноним 14/11/25 Птн 06:20:07 585057 187
91.jpg 27Кб, 296x285
296x285
вот есть обычная яга(1). мы взяли и передвинули штырь и все диполи и теперь оно выглядит так(2). подразумевая что штырь и диполи изолированны, а все диполи также подключены через середину, я правильно понимаю что в принципе так можно сделать и антенна будет работать все также?
Аноним 14/11/25 Птн 08:08:29 585058 188
>>585050
>подходящий для построения GPSDO
Они все подходят, вопрос только в результате. Простые модули от специализированных для тайминга отличает только то что у простых большой джиттер. Но на длительном периоде усреднения у всех точность будет стремиться к одному и тому же пределу. Так что как минимум для калибровки подойдёт любой модуль, хоть с выходом 1 Гц, просто усредняй подольше.
Аноним 14/11/25 Птн 11:51:13 585066 189
176311008935489[...].jpg 176Кб, 1500x1500
1500x1500
176311012563485[...].png 617Кб, 689x877
689x877
176311016254742[...].jpg 121Кб, 1000x1000
1000x1000
176311022534359[...].jpg 813Кб, 2048x1536
2048x1536
>>585057

Если бум диэлектрический то похуй.
Аноним 14/11/25 Птн 12:37:13 585069 190
image.png 874Кб, 750x1000
750x1000
под какие холдеры эти аккумуляторы расчитаны? там плата защиты не даёт их нормально вставить,и паять их или сваривать тоже не получится
Аноним 14/11/25 Птн 12:59:06 585070 191
176311431487547[...].jpg 23Кб, 596x335
596x335
Аноним 14/11/25 Птн 17:20:52 585083 192
>>584587
Так, это снова я, наконец-то руки дошли немножко поразбираться с темой. Короче.
>>584612
>эти бренды
Верю, что годнота, но дороговато для первого (не считая раннего сосничества, да-да) паяльника в моей жизни на пробу поиграться. Я же не шарю нихуя, вдруг возьму по незнанию что-то дорогое и пиздатое, но совсем не под мои задачи? Такое со многими темами работает в контексте гаджетов и технологий. Поэтому я просто вбил на али слово ПАЯЛЬНИК и отсортировал по заказам. Что мы имеем в порядке убывания:
https://ali.click/00wbpu ок?
https://ali.click/32wbpt совсем примитив?
https://ali.click/s3wbpp то же, что и первое?
https://ali.click/w7wbp3 кокой-та набор на базе первого. Стоит того?https://ali.click/zdwbpo что-то на любопытном
https://ali.click/jgwbpn что-то
https://ali.click/dlwbpd ещё вот такое
И ещё вот такое где-то нашёл, один из тех брендов, что вы советовали, но дороже, 2100р:
https://ali.click/9qwbpm точно годнота?
Помогите дураку, пожалуйста, хочу дома паять всякое, быть мужиком и, возможно, позже плотнее вкатиться в тему /ra и DIY.
Аноним 14/11/25 Птн 22:22:50 585091 193
alientek t90 so[...].webp 18Кб, 800x800
800x800
>>585014
Ап вопросу. Вроде норм по характеристикам и приятный по цене БП. Для USB паяльника в самый раз?
Аноним 14/11/25 Птн 22:38:42 585094 194
>>585091
Блин, это мне ещё вот такую приблуду придётся докупать в комплект к Alientek T80, например, да?
>>585083-анон
Аноним 14/11/25 Птн 23:28:54 585096 195
>>584612
Авчом разница-то между жалами? Ну есть у меня паяльник на жалах Т12, и чо? Зачем его гипотетически надо было бы менять на паяльник под современные жала?
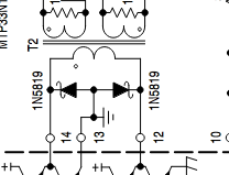
Аноним 14/11/25 Птн 23:59:17 585097 196
>>585096
>жалах Т12
Менять не имеет смысла.
Аноним 15/11/25 Суб 01:08:20 585100 197
Sdfea0cedddb14d[...].webp 37Кб, 640x640
640x640
эти фанарики от повербанка почти нихуя не светят, почему так как фиксить?
Аноним 15/11/25 Суб 03:03:29 585104 198
>>585100
Павербанк с кнопкой или сам решает когда ему включаться и ток давать?
Фонарики оче мало жрут и павербанк их может просто не считать за потребитель.
Аноним 15/11/25 Суб 03:45:44 585107 199
>>585104
кнопка есть но фанарик не запускается
запускается если вставить сразу после другой техники
как быть?

с телефону через перехогджнгик его можно будет запустить?
Аноним 15/11/25 Суб 15:33:57 585116 200
>>584965
Бля, тоже его возьму, короче, забайтили.
Какое жало выбрать совсем нубасу под максимальное кол-во задач чтобы? Самое универсальное, так сказать.
Аноним 15/11/25 Суб 15:53:45 585117 201
Аноним 15/11/25 Суб 18:02:35 585121 202
72744908.webp 11Кб, 560x504
560x504
>>585116
>Самое универсальное
Цилиндр или конус с косым срезом.
Аноним 15/11/25 Суб 18:13:19 585122 203
174731975677835[...].jpeg 334Кб, 1688x2560
1688x2560
>>585121
Так а на пикче вот из этого >>584965 поста это какая из субмоделей паяльника? Они просто отличаются же как раз только жалом, идущим в комплекте. Не хочу ещё и на жало отдельное сразу тратиться.
Тут ещё непонятно, нужен ли мне отдельный бп или что-то такое. У меня есть вилка вот эта от гнусмас бука, мне её не хватит на первое время для домашней пайки? Ещё 2-3к бонусом к паяльнику за 3к я пока что тратить также не хочу.
Аноним 15/11/25 Суб 19:17:57 585126 204
>>585122
>Тут ещё непонятно, нужен ли мне отдельный бп или что-то такое
Вот и мне внятно не ответили. Я на питание для диодных лент нацелился, вроде недорого и норм ток отдают.
Аноним 15/11/25 Суб 19:24:55 585127 205
>>585014
У тебя нету какого-нибудь старого блока от ноута чтоли?
Там USB-PD, вообще пойдёт зарядка от мобилки.
Потому и не обозревают и кладут в комплект потому что у всех дома этих блоков питания итак как грязи.
Аноним 15/11/25 Суб 19:37:15 585128 206
image.png 90Кб, 480x480
480x480
>>585116
Нет универсального.
С одной стороны, любым можно запять что угодно.
С другой для каждой хуйни удобно что-то своё.
Как с ножами: Хлеб, щепки и мусоров можно порезать любым ножом, но удобнее своим для каждого. Да ещё в нескольких размерах. Как собственно и жала тоже.

Возьми одно очень маленькое любой формы, иглу например вроде 1С на пике и очень большое, ровный цилиндр косым срезом например как 4С.
Маленький нужен чтобы блох подковывать, большой полигоны прогревать.
Более менее универсальные – это средний размер. Топорик, конус или цилиндр. 1.6D, SK, I например. Но удобство – субъективный вопрос всё равно, может тебе с кочергой SI лучше будет.

Жала к счастью итак наборами продаются, возьми дефолтный какой-нибудь, там разберёшься.
Одного всё равно мало, его легко засрать или проебать, особенно по неопытности.
Аноним 15/11/25 Суб 19:46:54 585129 207
>>585128
Понял, брат, спасибо большое за подробный ответ.
А что насчёт питалова? Я просто в душе не ебу, чем нормально было бы запитать тот же Т90, чтобы он хорошо хуярил. Вилку свою я уже приложил, насчёт бп от старого ноута ты выше челу писал – гляну тоже дома, но не факт, что найду. Или обязательно нужен отдельный бп? Если да, то какой?
Заранее благодарен.
Аноним 15/11/25 Суб 19:48:04 585130 208
>>585116
Самое универсальное это скошенное жало а ля K или KU
Аноним 15/11/25 Суб 19:48:44 585131 209
5ofeocztbu5mo4e[...].jpg 316Кб, 1400x934
1400x934
А если выбирать именно советский, дедовский паяльник, с медным жалом, какой в этом конкретном формате лучше? Мощность, производитель?
Аноним 15/11/25 Суб 20:27:23 585135 210
>>585131
Никакой. Это палка-ковырялка, а не паяльник.
Простой синий или красный паяльники с али дадут ему пососать по всем параметрам. Для них можно купить цельномедные жала и будет ваще пушка. Но я б всё равно не покупал.
Сейчас охуенные паяльники с питанием от 12-24 вольт, их можно питать от юсб и от повербанков, не часто надо, но когда надо это прямо охуенно.
Аноним 15/11/25 Суб 21:01:24 585136 211
>>585135
> дадут ему пососать по всем
Не по всем, зумерок, не по всем.
Аноним 15/11/25 Суб 21:15:00 585138 212
>>584573
Твоя постоянная ошибка, которую я наблюдаю в данном треде вот в чём. Ты взял примитивную книжку Р.Свореня "Электроника шаг за шагом" для начальных классов школы. Но по ней ты постоянно пытаешься осмыслять ФИЗИКУ происходящих процессов, и конечно же, ничего не понимаешь.
Это твоя грубейшая ошибка.
Книжка Р.Свореня
а) Не предназначена для объяснения физики.
б) Она дает очень грубые, приблизительные, концептуальные наблюдения.
в) Это НЕ учебник, книжка содержит неточности.
Крайне не советую осмыслять ФИЗИКУ происходящих процессов по книжке "начинающим о электронике" для школьников.

>> если напряжение равно 0, то есть ЭДС нету, то как ток может течь
А дело в том, что здесь ты пытаешься оценить быстропеременные процессы со статической точки зрения, то есть ты игнорируешь (упускаешь, оставляешь за кадром) сам факт того, что когда напряжение пересекает 0 (ноль), оно не статично вовсе, но пересекая ноль оно при этом очень быстро меняется. То есть в точке ноль ПО ФАКТУ на самом деле присутствует самая высокая скорость изменения напряжения.
Аноним 15/11/25 Суб 21:20:37 585139 213
Бля, хули вы тут такие умные все, я в ахуе.
Пиво оч вкусное свежее, кста, 28 сентября розлив, что ли.
Аноним 15/11/25 Суб 21:35:56 585141 214
>>584655
Запускай программу не по reset
Аноним 15/11/25 Суб 21:38:19 585142 215
Где покупать платы дешево, например NUCLEO-WB55RG ?
На али что-то дорого, да я нищий.
Аноним 15/11/25 Суб 21:55:24 585143 216
>>584964
Удваиваю. с поджимными лепестками внутри пиздец говнище.
Аноним 15/11/25 Суб 22:04:13 585144 217
>>584963
Китайские пидоры это пиздец.
Аноним 15/11/25 Суб 22:15:41 585145 218
345435.jpg 430Кб, 1101x1524
1101x1524
>>585058
Тут один ньюанс обнаружился, у меня GPS 24/7 спуфят. Нужен GNSS-модуль без GPS (либо с возможностью его отключения в конфиге). Бывают ли модули чисто глонасс (+ бейду и т.д)? Где такое можно купить?
При этом, общественный транспорт в городе отслеживается онлайн на карте, абсолютно корректно, так что такие модули однозначно существуют.
Аноним 15/11/25 Суб 22:38:54 585146 219
Аноним 15/11/25 Суб 22:40:34 585147 220
>>585129
Эти паяльники максимально всеядны, вот прям если сможешь воткнуть, то сможешь и паять.
Чем мощнее тем лучше, но с низкой мощностью ты только время нагрева потеряешь. В USB-A конечно сувать бессмысленно, а любое USB-C зарядное от современного телефона или ноута подойдёт. Даже банки подойдут.
Проблемки могут быть только с проприетарным говном которое стандарты на хую вертит типо VOOC, Nintendo, ...
На пикриле >>585122 например есть PD профиль 20В/3А – заебить, 60 Вт пальнику за глаза.
Кабель тоже любой нормальный зарядный подойдёт. Но рекомендую силиконовые – охуенно мягкие и если паяльником в него ткнёшь то ничего не случится.
У T90 вообще бешеная максимальная мощность, за сотку. Не уверен что это очень надо, но если хочешь его на полную раскрыть, то блок и кабель возможно ещё поискать надо будет такой.

Я (pinecil-ом, но суть та же) паяю вообще тем что на столе под руку попадётся. Обычно это станция от Ugreen на пять портов, иногда блок с кабелем от макбука, иногда дежурный 5.5 джек...
Аноним 15/11/25 Суб 23:32:32 585149 221
>>585014
>понадобится блок питания докупить
Если у тебя нет ни паяла, ни бп, то какой смысл именно в "карманном варианте"?
Ведь связка "карманный+бп к нему" выйдет в ту же сумму, что и настольная станция.

Одно дело, когда когда уже этих блоков - горы, и хочешь взять просто тушку паяла. Тогда да, это резонно и выгодно, экономия все дела. Но с нуля... бред какой-то
Аноним 16/11/25 Вск 00:03:12 585150 222
>>585083
Жалко тебя, молодой. Пока опыта наберешься, говна ещё похлебаешь...

В разделе /ra есть два треда.
а) Тред паяльников
б) Тред инструментов, в котором обсуждались паяльники.
Здесь мало старых, опытных людей, разработчиков электроники или хотя бы просто радиолюбителей. Или они молчат.

Вопрос 1.
Зачем тебе паяльник? Какова цель? Что конкретно собрался им делать? Что уже умеешь? Паяльник в руках вообще когда-нибудь держал?

Вопрос 2.
Сколько денег собрался потратить?

TL/DR советы на опережение.
1. Если денег совсем немного, всё же найди паяльник (не паяльную станцию) на жале C210, так ты хоть не потеряешь деньги. Есть то, чего ты не знаешь. Надо выбирать не просто паяльник. Надо выбирать паяльник с учетом жал.
2. Не бери хипсторское китайское говно - паяльники с кнопками, регуляторами, USB, аккумуляторами и проч. Всё это выброшенные деньги.
3. Никогда не бери ничего не проверенного на Aliexpress/Озон. Всё что можно подделать (припой, флюс) - обязательно будет подделкой, это грубейшие наёбки, вместо флюса вазелин, вместо припоя переплавленное вторсырье с печатных плат, этикетка будет самая красивая, обязательно "Original", как же.
Аноним 16/11/25 Вск 00:17:21 585151 223
>>585149
С нуля это паяльник с колпачком и возможностью припаять/термоусадку усадить, по отзывам без глюков. Мне надолго, всякой дешевкой и абы чем наработался. Возможность работы в поле- для меня вполне стоит переплаты.
Аноним 16/11/25 Вск 00:28:46 585152 224
image.png 389Кб, 1365x569
1365x569
image.png 354Кб, 1260x627
1260x627
>>585151
Ну не знаааааю.
Как мне, так это просто веяние моды. Сейчас каждая вшивая конторка счиатет своим долгом выпустить свой "юсб паяльник". Хотя смысла в этом нет никакого (я про "юсбишность"), просто очередной тренд, не более
Аноним 16/11/25 Вск 00:29:41 585153 225
>>585151
>> с колпачком
Имеешь в виду жало-колпачок?
Как паяльником (не газовым) усадить термоусадку?
Аноним 16/11/25 Вск 00:31:41 585154 226
>>585083
Бери любой паяльник и паяй, блядь. Потом купишь другой, потом другой, и так пока не сдохнешь.
Аноним 16/11/25 Вск 00:38:42 585155 227
Gizzard.jpg 30Кб, 542x431
542x431
>>585154
Чаю адеквату.

10+ лет на дедовом эпсне просидел, с вкоряченным туда диодом с кнопкой. И ничего, жив здоров. Сколько всего им паяно-перепаяно был, ух.

А щас? Не радиолюбители, а соевые смузихлебы какие-то, за деревьями леса не видящие. Которые не работой с инструментом занимаются, а лишь дрочкой на этот самый инструмент.
Скоро, небось, и вайфай к паялу прикрутят, чтоб "температуру в риалтайме через телефон" смотреть...
Аноним 16/11/25 Вск 00:41:40 585156 228
>>585139
>> Пиво оч вкусное свежее, кста, 28 сентября розлив, что ли.

Сегодня 16 ноября. 2025 год. Держу в курсе. =)
Аноним 16/11/25 Вск 00:56:21 585157 229
>>585147
Ещё раз спасибо огромное, брат, стало сильно понятнее.
>>585150
Ну, значит, смотри.
Направлений для пайки у меня два. Во-первых, хочу паять по необходимости дома всякую мелкую бытовую хуйню: оторвавшийся контакт на LED-лампе (прижать изолентой – не очень надёжное и долговечное решение) микрики (те, что клацают) на мышке, когда отъебнут, а не слепо бежать за новой, и тому подобное. Это раз.
Во-вторых, хочу открыть для себя новое хобби. За молодого спасибо, конечно, но у меня уже сорокет маячит на горизонте не сильно далеко. И вот захотелось всяких охуенных новых активностей. Пайка – одна из них. Хочу покупать какие-нибудь наборы плат и просто паять ради удовольствия, чтобы оно потом ещё как-то работало в идеале, а я кайфовал от процесса. По-другому объяснить не могу.
Паяльник иногда держал в руках батин, советский в сосничестве и ещё, как бы это сказать... У меня есть образование ака техан по специальности «Техническое обучение средств вычислительной техники и компьютерных сетей» прямиком из нулевых. У нас была, охуеть, электротехника, материаловедение, основы электроники и ещё дохуя всего. Пайка тоже присутствовала на практике. Учился я тотально хуёво, не буду скрывать, но в целом я не совсем тупой.
И вот с тех уже пор паяльник я не трогал.
Потратить сколько готов? Готов 2100 на Т80 или 2800 на Т90, такие цены увидел на али сегодня. За годноту не жалко. Не хочу брать совсем уж дешёвый кал, хочу золотую середину цена/качество. Впрок, так сказать.
>TLDR
1. Вот вроде как и нашёл, спасибо треду.
2. Не беру.
3. Пон.
Теперь жду советов мудрых.
>>585156
Вообще-то, брат, 2 месяца – свежак для лагеров, пилсов и охмелёнок. Неделя была бы ещё пизже, но такого в магазинах из-за логистики не бывает.
Аноним 16/11/25 Вск 01:06:09 585158 230
Аноним 16/11/25 Вск 01:13:16 585159 231
Аноним 16/11/25 Вск 02:07:38 585161 232
>>585159
Зачем покупать нуклео, если есть weact по цене дешевле чем просто микросхема?
Аноним 16/11/25 Вск 03:43:50 585164 233
>>585157
>> Теперь жду советов мудрых.

Как нет самой лучшей пилы, так нет самого лучшего паяльника.
Это всё была от тебя неплохая информация. Паяю с 10-ти лет последние 40. Разраб электроники, поэтому в паяльниках чуть-чуть разбираюсь.

У меня уже почти утро, поэтому тезисно, по фактам.
Все что было рассмотрено выше, это китайский клон японской HAKKO 936, (в 2011 пеерстала выпускаться). Что интересно, ранние HAKKO созданы по мотивам WELLER, PACE.
Минусы: Китайцы как скопировали лет 20 назад, так до сих пор не исправили проблему зазора между керамикой и жалом-колпачком.
Японский нагревательнй элемент это пленочный нагреватель. Внутри у китайцев обыкновенная проволока.
https://www.eevblog.com/forum/reviews/genuine-vs-fake-hakko-936-ceramic-heater-a1321/
https://www.eevblog.com/forum/reviews/genuine-vs-fake-hakko-solder-tip/
Плюсы: крайняя дешевизна


Когда мы касаемся места пайки, надо не просто расплавить припой, но еще и чтобы температура в этом месте не упала ниже температуры плавления припоя, так как тепловой поток сразу же начинает динамически рассеиваться в эл.компоненты и медь платы.

Старые паяльники имели в качестве жала медный стержень, который:
а) Очень хорошо проводит тепло
б) Служит теплоаккумулятором.
в) Пайка медным жалом-стержнем происходит немного иначе потому что медное жало уже смочено припоем, что с современными необлуживаемыми жалами и методами пайки не всегда так.

Современные паяльники имеют композитное железное жало (внутри медь, сверху железо) с заведомо меньшей теплопроводностью, во-вторых оно существенно менее теплоемко. Современный паяльник с картриджным жалом пытается нивелировать отсутствие телоемкости и теплопроводности быстрой автоматической реакцией на нагревательном элементе картриджного жала. HAKKO с жалом-колпачком это тоже делает, но гораздо медленнее. Как итог - малая масса жала + медленная реакция приводит к тому что паяльник "плохо паяет". Совсем недавно у меня была смешная история. Поехали в командровку и пришлось прикупить китайский клон HAKKO 936. Взял свою плату, которую паял дома, начал выпаять разъём иии... паяльник припаялся к плате! Плата отводила тепло быстрее.

За годы появилась HAKKO на картриджном жале. Китайцы тоже склонировали это жало и активно выпускали его в 2010х и выпускают и по сей день. Известна как "станция T12". С жалами все обстоит также как см. выше.
В 2025 году паяльники на T12 жалах уже уходят в прошлое.

JBC.
Оригинальные JBC очень дорогие, цена иногда уходит за 100-200тыс, но китайцы скопировали их жала и ручки, и это самое главное.
Если искать на Ozon/Ali то отыскивается по слову JBC или лучше - формату их ручек (и жал)
115 - самая маленькая, пайка сотовых
210 - средняя/универсал
245 - мощная
Так как китайцы выпускают клоны JBC жал и клоны JBC ручек (115,210,245) то разные китайские подвальные мануфактуры клепают огромное количество паяльников и паяльных станций под самыми разными названиями. Разумеется, так как ручка одна и та же, и картриджное жало одно и то же - вся разница в "косметике". В подставках, дисплеях, индикаторах, цветах итд.
Но также (увы!) и в электронной начинке и в программном обеспечении. Выше я сказал, что современный паяльник отсутствие теплоемкости компенсирует быстрой динамикой нагрева. Программное обеспечение здесь играет очень важную роль - оно должно измерять температуру и по различным термопрофилям жал пытаться "предугадывать" что происходит. Обычный PID controller (ПИД регулятор) здесь тоже работает, но его надо очень тонко настраивать, далеко не каждому это дано.
Поэтому даже на одних и тех же жалах станция станции будет рознь.

Это я не говорю о таких различиях (у станций) как активные подставки, наличие в комплекте различных щёточек/очисток итд...
В конце концов, важна эргономика. У JBC например паяльник ставится в подставку сбоку, подставка специально сделана тяжёлой, и сверху есть держатель провода.
Недавно я видел очередную китайскую вариацию JBC паяльной станции, где китайцы сделали неразъемную подставку и выполнили место куда втыкается паяльник прямиком НАД дисплеем. И никакого утяжелителя, импульсный блок питания и она легко опрокидывается.

Когда я работаю профессионально, то кладу или втыкаю паяльник на подставку не глядя, она у меня близко к району пайки (тушка паяльной станции мешается). Теперь представим что подставка жестко спарена с тушкой паяльной станции и что существует угроза ткнуть жалом паяльника (или капнуть припоем) прямиком в дисплей...

Отдельное - это китайская эргономика кнопочек/менюшек. С этим у китайцев почему-то всегда всё было очень плохо.
Кстати, о универсальном паяльнике. Есть станции под две или три сменные ручки.

По итогу, в 2025 году надо брать китайский клон JBC под 210 (или 210+245) ручку/жало.

Теперь что касается "походных паяльников" на аккумуляторах, USB, с кнопочками, с дисплеями, Bluetooth, WiFi и прочими красотами итд.
Верю, что круглый, симметричный паяльник под JBC жало, идущий в комплекте с хорошим силиконовым проводом и мощным GaN блоком питания - наверное будет неплох. Но это лишь моя вера, т.к. хваленый TS100 зарекомендовал себя очень, очень и очень плохо. Минусы:
1. Чрезмерная цена.
2. Отсутствуют необходимые жала BCM2, BCM3, BC2, BC3, D1, D2 и мощные.
3. Жала дорогие, дороже в 3 раза.
4. Вылет жала слишком длинный (сделано намеренно, сам нагр.элемент ~2см).
5. Отстутвует гарда, из-за чего постоянно опасаешья схватиться за жало. (в курсе про можно напечатать)
6. Паяльник асимметричен, из-за чего ты не можешь работать вслепую и должен обязательно СМОТРЕТЬ как и куда ты его кладешь.
7. Не запоминает температуру (в курсе про смену в файле настроек через USB).
8. Нет в комплекте и нет в продаже нормальной подставки. (поехал на проводе, обжегся, пытаясь поймать)
9. Идет без компактного GaN БП и шнура (и чехла), так что их необходимо добавить к высокой цене.
10. Жала на винте и меняются при помощи ключа (винт в полевых условиях уронишь, ключ потеряешь).
11. Корпус хлипкий и трескается в районе жала. Боишься уронить паяльник в полевых условиях.
Плюсы:
(?) Каких-то преимуществ перед другими паяльниками не увидел.
Вердикт - китайский высер, непригодное для проф. работы оверпрайснутое хипсторское говно.

Я специально расписал все неудобства,
чтобы было понятно с чем придется столкнуться при покупке чего-то подобного.
Этот паяльник на работе приобрели только потому что несколько лет назад его усиленно пиарили все Youtube блоггеры, вся MySKU и 4pda братия. Никакого понятия все эти обзорщики о нормальном инструменте не имеют.

Паяльник должен быть как молоток или отвертка: практичный, удобный, недорогой, ремонтопригодный ИНСТРУМЕНТ.
Ключевые параметры:
1. Наличие в продаже сменных жал, особенно - наличие миниволны (BCM, Teaspoon), наличие жал шириной 0.5-1-2-3мм и мощных, коротких, теплоёмких и теплопроводных.
2. Недорогие жала (ловушка у Ersa, Metcal, PACE, Weller - цена порой 5-7-11 тыс за жало)
3. Наличие в продаже сменных ручек (та же ловушка что выше), по сути чтобы был китайский клон ручки
4. Наличие хорошей, качественной подставки под паяльник.
5. Наличие на подставке/в комплекте инструментов для чистки (вискозная губка, моток бронзы, бронзовая щеточка и пр)
6. Трансформаторное питание (не импульсный БП).
7. Тяжелая подставка/тушка - иначе будет постоянно переворачиваться. (см. п.6 выше)
8. Нормальный гибкий (или наоборот как у ERSA Minitool) не плавкий шнур.
9. Наличие отвода массы/заземления (и чтобы оно было соединено с жалом)
10. Высокая эргономика (кнопка питания впереди!), прямая копия брэнда без китайской отсебятины
11. Надёжность.
12. Цена.
Аноним 16/11/25 Вск 08:24:13 585167 234
>>585164
Бля, мужчина, это самый длинный авторский пост на сосаче, что я видел за 15 лет. Моё уважение, спасибо.
После вдумчивого прочтения вывел для себя два главных тезиса:
1. Для серьёзной работы действительно нужна полноценная паяльная станция, модные современные прочтения на фоне такого – клоунский кал.
2. При этом во время беглого изучения ассортимента я не увидел таких паяльных станций за пару тысяч рублей. Как я понимаю, ценник начинается от пятёрки минимум. А если ты ещё и неофит, то как будто в первые несколько лет вряд ли раскроешь потенциал оного девайса.
Посему теперь с заметно более глубоким пониманием вопроса ещё активнее смотрю в сторону Т90.
Или я не в теме, и недорогие стоящие внимания станции тоже существуют в этом диапазоне? Может, имеет смысл посмотреть на авито или ещё где?
Аноним 16/11/25 Вск 09:13:20 585168 235
>>585135
Из совейского паяльника можно сделать лудильник - приматываешь к жалу оплётку медную, и готово! Оче хорошо потом плату лудить. Тонко выходит, лишний припой пристаёт к оплётке сильнее, чем к дорожкам. Каплю можно по всей плате размазать.
Аноним 16/11/25 Вск 11:32:21 585170 236
>>585164
>TS100 и подобные говно
Для профессиональной работы конечно. Но для хобби, проблем не вижу. Особено если брать более новые конструкции типа pinecil'ов всяких. А если у анона ещё и отдельного стола для пайки нет, на который станцию поставил и никогда не убираешь, то компактность этих "палочек любителя" может стать решающей. На работе у меня какое-то jbc оригинальное, ещё до меня купленное, дома pinecil.
Аноним 16/11/25 Вск 12:13:06 585171 237
dimmer lamp 070[...].jpg 3Кб, 225x225
225x225
soldering iron [...].jpg 18Кб, 600x600
600x600
На работе попользовался паяльником с жалами 900-й серии с регулировкой. Докупил проводок для старого паяльника, получилось удобнее.
Посмотрел обзоров о современном и понял, что компактное, с колпачком, возможностью работы в поле- стоит прикупить, пригодится. БП от старого компа подключу и норм будет.
Аноним 16/11/25 Вск 12:15:35 585172 238
>>585152
>юсбишность
= универсальность питания, подключения. Остаётся только надежда на качественный разъём в паяльнике. Так то DC трубчатый больше доверия вызывает.
Аноним 16/11/25 Вск 12:31:32 585173 239
>>585153
>Имеешь в виду колпачок?
Ездил на радио кружок со своим паяльником потом горячий в бумагу заворачивал. Оказалось от перегретого может и бумага тлеть. Прикрыть горячее жало и сразу убрать- полезно.
Аноним 16/11/25 Вск 13:30:12 585174 240
image 63Кб, 1080x1090
1080x1090
image 89Кб, 774x1280
774x1280
На днях Т90 себе после обзора гуйвера заказал как последняя шлюха потребления
Аноним 16/11/25 Вск 19:00:11 585188 241
image.png 205Кб, 806x1000
806x1000
image.png 232Кб, 818x1000
818x1000
Можно ли запитать пик 1 от павербанка.
Комплектный бп - пик 2.
Потребитель колонка, заявленная как 25 ватт

Если можно то что мне для этого надо? Просто шнурок в павербанк?
Аноним 16/11/25 Вск 19:09:39 585189 242
>>585188
Да, если повербанк нормальный (умеет повышать напряжение на выходе).
Покупай USB PD trigger и выставляй нужное напряжение.
Аноним 16/11/25 Вск 19:34:51 585192 243
image.png 121Кб, 800x531
800x531
>>585189
вот такая сяоми

>USB PD trigger
ого я даже не знал что такое бывает, спасибо
главное с диаметром не проебаться бы

А за сколько часов оно высосет 20 ah из павербанка? Тупо 20/1,5 = 13 часов
Примерно так считать?
Аноним 16/11/25 Вск 21:16:35 585195 244
>>585168
Платы лудятся по классике сплавом Розе. В кипящей воде с лимонной кислотой, служащей флюсом.
Аноним 16/11/25 Вск 21:17:16 585196 245
>>585192
>Примерно так считать?
Добавь ещё процентов 20 на потери. И вряд ли там честные 20Ah, наверняка меньше.
Аноним 16/11/25 Вск 21:25:05 585197 246
>>585195
https://habr.com/ru/articles/437778/
Но на деле на производстве используется HASL, а дома возиться с изготовлением плат смысла не особо.
Аноним 16/11/25 Вск 22:23:12 585200 247
Аноним 16/11/25 Вск 23:34:55 585205 248
Сап /ra/дисты
тлдр
Дело такое. Надо помыть платы в УЗ ванне. Насколько идея тупая?

Подробности
Скоро вернут майнер с хостинга и мне его надо будет капитально обновить (Вентиляторы, термопаста) и почистить от грязи перед размещением на другом хостинге. Показалось что просто кинуть платы в УЗ ванну со спиртом самой простой идеей. Очистка везде и всего, удаление старой пасты, в общем сплошь плюсы, на первый взгляд. А подводные?
Аноним 16/11/25 Вск 23:36:45 585206 249
>>585205
Полупроводники не любят ультразвук. Оттирай руками, откисай в спирте, полощи деионизированной водой, обдувай из компрессора.
Аноним 17/11/25 Пнд 02:19:35 585210 250
>>585206
> Полупроводники не любят ультразвук
Весь мир моет электронику в ультразвуке, но если на дваче сказали, то значит так оно и есть.
Аноним 17/11/25 Пнд 02:38:34 585211 251
>>585205
Мой, если платы помещаются в твою уз ванну.
Аноним 17/11/25 Пнд 07:12:07 585213 252
image.png 373Кб, 1273x713
1273x713
Надо сделать электрическую часть для лазерного гравера. Буду делать по этому видео https://youtu.be/y9P2kUsd0t8?list=PLE5lYDXKrssa1ZYGEulqDZJ9yG7HvSVVU

Блок питания возьму от старого пека + ещё надо лазеро-отутюжить плату для всего, что на пикриле.

Что скажете об этом варианте? Я считаю, что это дёшево, работоспособно и хорошо.
Аноним 17/11/25 Пнд 12:25:30 585223 253
image.png 3126Кб, 1925x1038
1925x1038
image.png 2699Кб, 1925x1038
1925x1038
image.png 272Кб, 800x600
800x600
image.png 760Кб, 800x600
800x600
image.png 592Кб, 800x600
800x600
>>338104 (OP)
Задача - поменять mini USB на type C на гарнитуре. Пикчи не мои, если что, из мануала по замене.
Как видно, сделано уродливо, чел взял порт с какой-то платой и порт торчит.

Можно ли подобрать type C порт, такой же по размерам как старый mini usb?
Как это сделать? Может подскажете номенклатуру?
P.S. он только для зарядки, данные вроде не нужны.
Аноним 17/11/25 Пнд 12:27:06 585224 254
>>585223
>mini USB
Точнее, микро. Пардон.
Аноним 17/11/25 Пнд 12:45:19 585225 255
>>585223
>Можно ли подобрать type C порт, такой же по размерам как старый mini usb?
Ищи в интернетах свой микро, открывай его чертеж, и ищи тайпси, которые будут похожи
Аноним 17/11/25 Пнд 12:46:11 585226 256
>>585223
Но в целом, скорее всего нет, микро в любом случае будет сильно короче
Аноним 17/11/25 Пнд 13:07:56 585227 257
>>585223
>Можно ли подобрать type C порт, такой же по размерам как старый mini usb?
Нет.
Аноним 17/11/25 Пнд 13:12:05 585228 258
image 62Кб, 879x459
879x459
image 57Кб, 866x469
866x469
image 60Кб, 855x464
855x464
image 79Кб, 888x469
888x469
Аноним 18/11/25 Втр 00:07:59 585252 259
Есть ли смысл вкатываться в 30 лет с поиском будущей работы в этой сфере?
Бэкграунд: закончил бакалавриат "управление в технических системах", пройден курс вышмата, физики и тоэ, но все на тройки, поскольку интересовало по большей части только программирование и около него, поэтому имел четыре-пять по вычислительным машинам, дискретной схемотехнике, ооп и тау. Волею судеб, по специальности работать не пошел, потому что бабки были в галерах, пошел работать тестировщиком в епам. Спустя уже почти 9 лет получается меня дико заебала айтисфера, чувствую что отупел и стал каким то биорабом-животным, которое занимается какой то хуйней и для того чтобы называться человеком хотелось бы освоить что то по настоящему инженерное и выбор пал на электронику и электротехнику, прям начало интересовать, пусть даже если работа будет приносить меньше денег, пусть даже если это будет хобби, хочется потом дойти до создания каких то своих устройств с микроконтроллерами и т.п.

Но что волнует - мне уже ебаная тридцатка и мое развитие в этом всем по сути остановилось на пиздец каких зачатках курса 1-2 универа, есть ощущение что я просто не успею это освоить плюс текущая работа не очень сподвигает на плодотворное изучение. Ощущение что я все проебал. Расскажите плз о своем опыте кто с таким сталкивался и что можно предпринять.
Аноним 18/11/25 Втр 00:09:00 585253 260
Какой же мерзкий этот ваш esp-idf
Аноним 18/11/25 Втр 00:15:03 585254 261
Анчоусы, такое дело. В моей деревне все оче плохо с электричеством, пека подключена к упске, за год аккумулятор приходит в состояние, когда держит 0-30 секунд, типа ожидаемо вполне. Кроме того, отказы иногда идут парами-двойками, так что энергия быстро уходит.
Сейчас пришла та самая пора, когда надо заменить аккумуляторы на лифепо, но я хочу немного инженерного безумия, в данном случае, заменить обычный 9 Ач на не менее обычный советский 120 автомобильный, который все равно лежит без дела. Я быстро погуглил всякие за-против и примерно сформулировал для себя так:

1)
q: упс не сможет заряжать его нужным током;
a: пох, я могу в любой момент снять его и зарядить шестиамперной дурой;

2)
q: упс офисного уровня должен просто выключить систему через пять минут и не предполагается работающим три часа;
a: да, я знаю, в старом у меня через два часа однажды сгорел инвертор, но я могу воткнуть туда вентилятор (наверное) и главная проблема не играть в каэсочку три часа подряд, а держать его в дежурном режиме (~10 Вт суммарно с сетью и мелочью) час, потом безопасно все включить (~40 Вт) и окончательно выключить;

3)
q: аккумулятор не влезет и будет стоять рядом, неэстетично демонстрируя провода;
a: да ето так.

Желательно добиться такого расклада, чтобы это все работало и не сгорело. Неочевидные подводные?

Ну и сразу вдогонку, чем коммутировать хотя бы ампер десять (звучит достаточно нелепо, но было бы неплохо переключать с одного аккумулятора на второй на горячую в режиме "ввести второй в параллель, вывести первый"), тумблер 250 В 15 А покатит?

Сорян за дебильные вопросы.
Аноним 18/11/25 Втр 00:20:49 585256 262
>>585254
>a: пох, я могу в любой момент снять его и зарядить шестиамперной дурой;
Не все так просто.

У тебя любой кислотный акк придет в негодность, потому что в упсе наивная зарядка которая ничего не делает против сульфации. Он у тебя одинаково придет в негодность со временем, а с учетом, что это акб с жидким электролитом, он испортится еще быстрее.

Обзаведись лифепо бесперебойником, если такие есть, либо ноутом.
Аноним 18/11/25 Втр 00:28:51 585257 263
>>585256
Спасибо за ответ.
Насколько я пониммаю, в автомобиле тоже нихрена не щадящий режим зарядки происходит, вдобавок с огромными пусковыми токами и в сложных условиях, но по пять лет ходят. Внутрення зарядка просто будет пытаться подавать туда эти самые 0.1Ц (0.9 А, очевидно) пока его напряжение будет ниже Uпорогового, а оно не будет ниже никогда.
Во-вторых, его объем (как я наивно считаю) все равно феноменально избыточен, даже если оно уже деградировало до 60, до десяти будет деградировать годами.
И, опять же, по моим фантазиям, самая основная проблема из всех проблем - аккумулятор заперт внутри маленького объема, его пичот электроника (инвертор греется как тварь), и только потом уже он неэффективно разряжается и плохо заряжается. Аккумулятор за пределами ящика (кстати, если вытащить обычный наружу, это должно же улучшить его параметры? лишен этого недостатка.
Аноним 18/11/25 Втр 00:34:26 585258 264
>>585256
UPD. И ноутбук не подходит, к сожалению. Тем более, емнип, у них деградация будет ничуть не лучше, за год дежурного режима "всегда в розетке" емкость падает вполовину (?), член на член менять - только время терять.
Аноним 18/11/25 Втр 00:36:45 585259 265
>>585257
>нихрена не щадящий режим зарядки происходит
Достаточно нормальный там режим зарядом ок 14в, но все дело в глубине разряда. Если бы акб в автомобиле разряжался глубже, а не использовался для старта, все было бы значительно хуже.
Аноним 18/11/25 Втр 02:01:28 585263 266
>>585258
>всегда в розетке

Для этого придумали режим схоронения батареи, когда контроллер вырубает заряд на например 80%.
Аноним 18/11/25 Втр 02:13:30 585264 267
У меня в не открывается сайт st.com
Проверьте пожалуйста, попробуйте открыть в браузере.
У всех такая проблема (ST россию забанили, роскомнадзор забанил ST) или это только у меня?
Аноним 18/11/25 Втр 02:36:43 585267 268
>>585264
Без впн не открывается.
Аноним 18/11/25 Втр 02:46:55 585269 269
>>585252
>> отупел и стал каким то биорабом-животным
>> чтобы называться человеком
>> Ощущение что я все проебал

Мне показалось, ты задаешь вопрос с учетом ВНУТРЕННЕГО СОСТОЯНИЯ.
Смысл двигаться конечно имеет. Вообще надо менять занятие раз в несколько лет.

Ты это я, меня люто заебало программирование, прям отравление наступило.
Ничего более интересного чем сидеть на стуле, пялиться в экран и давить на кнопки правя тексты тут не будет.
Это правда.

Ситуация с заработком в электронике такая же как и везде в раше. Все зависит от места где ты работаешь, насколько успешно твоя контора купается в деньгах, рода занятий что ты делаешь, и коллектива куда ты попал. И всё между собой коррелирует, кстати. Так например, я замечал что люди связанные с Apple, iOs, Mac в каких-нибудь стартапах куда как душевнее и интереснее, чем смутные молчаливые задротины ваяющие на C# или упаси господь, C++. Про базы данных на Delphi вообще разговор особый.

Чудес не будет. В электронике в рашке ситуация всегда была куда тяжелее, чем в галерах живущих за счет того что в них льются западные бабосы (а они-то как раз с началом гойды и перестали литься). Частная контора с дядей-предпринимателем и зарплатой это всегда тяжелый случай. Сейчас в раше есть вакансии по электронике связанные либо с путинскими госкорпорациями, либо стартапами но опять же на господсосе. Поэтому отпад от галеры и переход вот в такое это совершенно отдельный случай.

И учти, что "электроника" это такое. Какая электроника? Аналоговая? Цифровая? Цифровая микроконтроллеры? FPGA? RF? Платы разводить? В общем, в любом случае, двигайся. В любом.

И задавай свой вопрос в правильных местах.
форум electronix.ru caxapa.ru
Аноним 18/11/25 Втр 02:48:14 585270 270
>>585253
Что там тебе не понравилось?
Аноним 18/11/25 Втр 03:18:11 585271 271
17633715317072.png 215Кб, 800x600
800x600
>>585223
Тоже как-то была идея заменить заебавший MicroUSB.
Простой перепайкой не выйдет. Может когда-нибудь какой-нибудь китайчонок додумается сделать удлиненный разъём который паяется как MicroUSB и внешне как TypeC, в котором ВНУТРИ пины идут как надо. Но пока никто не додумался.

Поржал вот над 3й по счету слева картинкой (её же и приложил).

Если нарыть фото какого-нибудь старого советского паяльника, лежащего на проволочных "козлах", то можно обнаружить, что под паяльником, как правило, всегда имеется крышка от кофе, просто жестянка или какая-нибудь типа плоская ванночка в которой флюс и канифоль. Вопрос, а зачем она нужна? А вот как раз, для культуры (т.е. удобства) пайки и чтобы не было такого ужаса как на фото. Эта ванночка-жестянка ОБЯЗАТЕЛЬНАЯ ДЕТАЛЬ при паяльнике. Без неё тяжко. В целом она служит целям, которые как раз и прослеживаются по фото.
1. Служить местом для припоя и канифоли, оттуда как раз можно взять на жало немного припоя.
2. Служить местом куда их можно сбросить, "вытереть" жало паяльника.
3. Труднопередаваемо, но в целом, это "тестовый полигон" куда тыкаешься жалом чтобы проверить температуру, на нем облуживаешь, итд.
В общем всё это ненужные слова и формализовать сложно, но идея такая - припой с канифолью должен лежать в облуживаемой баночке-крышечке размером несколько см. Об эту жестяную залуженную площадку очень удобно потереть жало паяльника с тем чтобы облудить его, снять окисел, сбросить лишний припой, пролудить ногу компонента и так далее.

Этого кстати не знают большинство ребят с запада, у которых только паяльник, только припой в виде проволоки и шприц с флюсом. По-идее она должна быть съёмной чтобы выкинуть когда засрется и поставить свежую. Китайцы на подставке паяльника с алиэкспресс такую ванночку делают из алюминия, что неправильно, т.к. он не лудится. Конечно она может быть и для вискозной губки-квадратика, чтобы вытирать жало. (Губку кстати надо смачивать перед работой, что многие не ведают). Но такая ванночка обязательно должна быть облуживаемая. И крайне важная деталь, она не должна забирать тепло, то есть должна лежать на деревянной основе. Жестяная крышка от кофе - неувядаемая классега.
Аноним 18/11/25 Втр 03:30:10 585272 272
>>585205
Идея самая прямая, все сервисники в ультразвуке и моют. Материнки от ноутов и матери сотовых.
Подводные как обычно, найдешь web поиском, поиском по Youtube.

1. Некоторые детали убъешь просто тем что залъёшь в них отмывочную смесь, типа динамиков-пищалок у которых защитный отрывной лепесток, микрофоны или камеры на сотовых.
2. Некоторые детальки убиваются самим ультразвуком, например кварцы.
3. Можно переборщить с мощностью и временем, смотри видео на Youtube как мыть сотовые.
4. Используя спиртобензин можно устроить пожар.
Аноним 18/11/25 Втр 08:39:10 585275 273
>>585271
>Китайцы на подставке паяльника с алиэкспресс такую ванночку делают из алюминия, что неправильно, т.к. он не лудится.
В комплекте кейса телемастера официально поставлявшимся в времена СССР в КБО и мастерские была штампованная стальная подставка под паяльник с двумя алюминиевыми ванночками. Профессиональные типовые столы радиомонтажника в СССР предназначенные для массовой потоковой пайки аппаратуры тоже имели подставки с алюминиевыми ванночками под канифоль. Радиомонтажники в основном работали все таки больше с жидкими и пастообразным флюсами. Большинство ребят с запада действуют более-менее профессионально, паяльная станция, путанка для очистки, губка, необгорающие жала, нормальная регулировка температуры, чистый припой, дозированная подача соответствующего паяльной ситуации флюса, последующая отмывка. Я паяю постоянно, с 1998 года, с 2000 года профессионально, с 2007 года я не использую канифоль, она осталась где-то в мастерской где станки стоят в комплекте с кастрюльным паяльником и мотком серого ПОС40. Неувядаемая классика прошла мимо совсем- не использовал облуженные поверхности на постоянной основе в подставке паяльника, ни дома, ни на практике на заводе (одно из образований радиомонтажник 4 разряда) Везде ванночки под флюс были и есть алюминиевые, свежее медно жало обычно отковывал, опиливал, на поверхность которая не должна лудиться наносил риску и натирал графитовым карандашом чтобы не лудилась и меньше обгорала растворяясь в припое, регулировка температуры по вылету жала, профессиональные паяльники тех лет были 36 вольт и питалось довольно стабильным напряжением на производстве, достаточно одной регулировки, полевые ремонтные паяльники на 220 иногда нужно было подстроить по вылету жала, лучшие паяльники СССР были белорусского производства. Хуй его знает как целые заводы в СССР обходились без крышечек от банок кофе и угоняли припой килограммами за смену, а канифоль в кусковом виде не использовали, растворяли в спирте и в лабораториях при цехах готовили специальные флюсы. Работа кусковой канифолью это ее огромный перерасход, невозможно точно дозировать, это больше к ремонтникам относилось которые по сравнению с заводом паяли мало. Роль луженой поверхности выполняют чаще бросовые платы, да и в целом луженые поверхности особо и не нужны, зачем?
Аноним 18/11/25 Втр 09:40:00 585276 274
>>585269
Спасибо за совет
В айти уже даже не то чтобы само програмироаание заебало, заебали какие то не от мира сего ебанутые люди и бессмысленные проекты, которые мне просто не интересны, держишься тупо за зарплату, но ощущение что скоро ВСЁ. Причем новую контору даже искать не хочется, потому что будет все то же самое, только через 7 кругов ада на собесе пройти надо и перформить как проклятый как на каторге. И получается такая ситуация, что вроде то больше и нихуя не умеешь, внутри какой то крепкой базы нет, чтобы с it на инженерную отрасль уйти, хотя был шанс, причем нихуевый, в ней закрепиться, ну даже хер с ним пусть это будет госуха, но я сейчас даже в ремонт мобильных телефонов и ноутбуков не уйду, обидно за себя в молодости что я повелся на бабло, а не развивал себя. Короче хз, наверно есть смысл попробовать, иначе никогда из этого болота не выберусь.
Аноним 18/11/25 Втр 09:51:45 585277 275
>>585270
Безумно громоздкий монстр, который пытается сделать все все сам и по своему. Выглядит на попытку создать операционную систему.

Я хотел бы видеть, что они предоставили отдельные либы и драйвера, а дальше ты уже сам. Как обычно, в общем то.
Аноним 18/11/25 Втр 12:42:04 585285 276
orig.webp 33Кб, 766x1920
766x1920
есть лишний лион аккумулятор, что будект если поменяе на него?
Аноним 18/11/25 Втр 16:12:06 585293 277
image.png 685Кб, 493x805
493x805
Сап анон, где можно спиздить курс по электроника для начинающих от диодовнет? На рутракере есть только по микроконтроллерам.
Аноним 18/11/25 Втр 17:02:58 585294 278
Аноним 18/11/25 Втр 17:22:33 585296 279
>>585293
>спиздить курс по электроника для начинающих от диодовнет
Зачем?
Аноним 18/11/25 Втр 17:52:10 585297 280
specelservis.ru, кто ни будь в этом магазине отоваривался?
Аноним 18/11/25 Втр 18:09:00 585300 281
>>585296
Мне нравится как он объясняет, т.к. я совсем долбоеб, но если случится так что я смогу "затащить" базовый курс - задоначу автору.
Аноним 18/11/25 Втр 18:48:13 585301 282
>>585297
Что это за опечатка, блядь?
Аноним 18/11/25 Втр 19:47:20 585302 283
>>585252
Какой сферы? Я монтажник из пту, 31 лвл, 12 лет работы. Паяю руками и паяльником платы, распаиваю элементы 1206 0805 0603, микросхемы с выводами, провода межплатные, разъёмы, кручу винты, собираю в корпус, делаю всякую сопутствующую неописуемую хуйню.
Аноним 18/11/25 Втр 21:15:30 585304 284
>>585301
Для привлечения внимания. По делу есть что сказать?
Аноним 18/11/25 Втр 22:34:02 585306 285
>>585259
Ладно, разряд тоже влияет, с этим не поспоришь.

>>585263
Ноут это каличный сценарий, имеет смысл только для мобильности, мне не подходит - я сижу как сыч.

>>585254
Бампану разочек.
Аноним 18/11/25 Втр 23:02:41 585307 286
image.png 131Кб, 1920x1080
1920x1080
>>585306
>Ноут это каличный сценарий, имеет смысл только для мобильности, мне не подходит - я сижу как сыч.

Ну я тебе про то как решают проблему постоянной зарядки. На некоторых планшетах такая же функция имеется.
Аноним 18/11/25 Втр 23:53:27 585308 287
image.png 269Кб, 640x480
640x480
Я просто в шоке от цены и возможностей этого малыша.
Получается, что если делаешь какой либо прибор, можно исключить физические кнопки и управление, и все настраивать через вайфай/блютуз изначально.

С блютузом конечно будет гиморно, но считывать статус и изменять настройки через вайфай - тривиально.
Аноним 19/11/25 Срд 00:08:35 585309 288
>>585308
>Получается, что если делаешь какой либо прибор, можно исключить физические кнопки и управление, и все настраивать через вайфай/блютуз изначально.
Да.
Аноним 19/11/25 Срд 00:35:00 585311 289
>>585308
Посмотри сколько он жрёт при работе беспроводного модема хз как по-человечески написать, не в Modem Sleep в смысле и энтузиазма поубавится.
Аноним 19/11/25 Срд 04:05:58 585313 290
Самолёт на радуиоуправлении 30-40 кг реально сделать? Какой мотор нужен?
Аноним 19/11/25 Срд 04:06:57 585314 291
>>585313
>30-40
эт чёт я загнул, 25 кг это вес который должен подниматься.
Аноним 19/11/25 Срд 06:18:39 585315 292
>>585314
>>585313
Ты там новую Герань хочешь сделать?
Аноним 19/11/25 Срд 09:24:04 585317 293
17630395408870.jpg 148Кб, 640x640
640x640
у меня провод на выходе блока питания ноутбука уже весь перекрутился, начинает отваливаться. ПВС 2х0,75 сечением подойдет, чтобы его заменить? или лучше потолще 1 или 1,5мм? на блоке написано 19V / 4.74A на выходе. и насколько этот ПВС эластичный? а то мой какой-то уже дубовый весь и я не помню был ли он таким изначально или стал со временем
Аноним 19/11/25 Срд 09:54:18 585318 294
>>585317
>ПВС
Зависит от твоих ожиданий. Гибкость ПВС не на достаточно высоком уровне для подобных задач. К тому же он излишне толст, так как расчитан на 600АС/1000DC
Аноним 19/11/25 Срд 10:07:06 585319 295
image 36Кб, 800x800
800x800
>>585317
Купи на али силиконовый.
Аноним 19/11/25 Срд 10:42:20 585320 296
>>585275
Оценил сколько приложено усилий чтобы подчеркнуть авторитетность мнения.
Но я разработчик, а не монтажник на производстве. Конвеер, монтажные столы и лаборатория — разные вещи.
Домашняя пайка больше приближена к лаборатории, чем к производству.

В лаборатории никто себя травить химией не хочет, сидеть днями, месяцами и годами с постоянно работающей вытяжкой тоже. Перечисляю (бросив взгляд) флюсы: спиртово-канифольный, ЛТИ-120, органический спиртовый безотмывочный, Kester #951, шприцы с Fluxplus, припой с флюсом.

И зачем мне канифоль?
Кусочки канифоли в упомянутую ванночку я добавляю всегда сам, чтобы она там была. Зачем? Флюс обеспечивает припою поверхностное натяжение и припой без флюса ведет себя иначе. И лудить так проще. Канифоль я использую для того чтобы не дышать лишний раз химией, просто люблю я запах канифоли с детства. Вместо канифоли у меня бывает несколько капель канифольного Radiel Fondam, остатки сладки...

Всё зависит от ответственности и повседневности.
Скажем нужно мне повседневно облудить кончик проводка - я МОГУ но не беру шприц или кисточку со спиртоканифолью. И макать проводк во флакончик или мазать фломастером я не буду. Сложно, долго. Я просто подношу проводок к подставке, беру паяльник и касаюсь паяльником и проводком ванночки с припоем и канифолью и всё. Очень быстро и без химии. На производстве это будет сделано иначе, но я не на производстве, я в лабе.

Теперь касаемо того что должна быть плоскость с припоем, зачем ванночка?
Это "лайфхак". Когда её нет — смотрим что бывает выше на фото, оно обо всём говорит.

Почему я подчернул что ванночка должна быть облуживаемая? Опять же, лайфхак. Это моё наблюдение.
Если она будет необлуживаемая, нержавейка, алюминий итд — да можно, но это просто неудобно. Припой не будет смачивать дно. Он будет собираться на дне в капли и кататься по дну по всей ванночке. Это неудобно. Чтобы обслужить жало (выше я писал "вытереть", "протереть") нужно часто всего лишь коснуться дна чтобы снять излишек, он снимается просто потому что дно смочено и оно стягивает на себя поверхностным натяжением припой с поверхности жала. Если дно будет несмачиваемым - ничего не выйдет.

Производство не затрагиваем, монтажник снимает припой тысячью разных способов, или точнее он не сталкивается с такими проблемами. Но у меня лабораторный стол, а не монтажный и не конвеер. Держать лишние приспособы на столе не вариант.

Теперь насчет алюминия. Алюминий очень хорошо проводит тепло. И тут снова, ты начнешь тыкать в дно алюминиевой ванночки, он начнет собирать припой в капли, отбирать тепло с жала и всё некрасиво. Всё это я уже проходил и мне не понравилось.

Я подсказал как оно будет удобнее.
Ванночки даже с новомодными JBC с припоем-канифолью я видел много раз у своих коллег, ничего тут нового не вижу, я же сказал, неувядающая классега. Ну да, можно вовсе отказаться от ванночки или заменить её на что-то иное, но к чему приводит - см выше и читаем. Если кто-то хочет сопротивляться и назло маме отмораживать уши, я ж разве мешаю? Вопрос чисто удобства.

Смешно как много можно написать, пытаясь объяснить такую простую штуку. Я как бы пытаюсь объяснить, зачем вилка, если есть ложка. :-)
Аноним 19/11/25 Срд 10:58:12 585321 297
>>585320
> дышу жжёной смолой я для того, чтобы не дышать лишний раз этой же смолой но в виде геля
Охуительная логика. Вытяжку ставь и не выёбывайся. А то будешь потом как шиз, думающий что две коробки, приклёпанные к подставке в качестве органайзера, это не в рот ебись метод очистки жала, когда латунная губка для этого есть.
Аноним 19/11/25 Срд 11:31:12 585324 298
>>585319
>>585318
а с сечением что? 0,75 пойдет? или лучше 1мм?
Аноним 19/11/25 Срд 11:33:38 585325 299
>>585324
>0,75 пойдет?
Пойдет. Даже 0.5 пойдет.
Аноним 19/11/25 Срд 12:10:08 585327 300
>>585307
Ты прав, я задумался о чем-то своем и ответил невпопад.
Аноним 19/11/25 Срд 12:44:25 585328 301
image.png 61Кб, 786x608
786x608
image.png 85Кб, 1017x475
1017x475
>>585325
нейрокал говорит, что на 2 метрах падение напряжение у 0,5 больше + нет запаса по току. при этом говорит что 0,75 достаточно и рекомендует его. нашел калькулятор какой-то, тот говорит 1,5 надо...
Аноним 19/11/25 Срд 12:51:35 585329 302
>>585328
>нейрокал говорит
Твой нейрокал не учитывает, что 90% процентов времени через кабель будет проходить незначительный ток.

Для 0.5мм можно 11 при открытой прокладке.
Аноним 19/11/25 Срд 13:04:02 585332 303
image.png 8Кб, 281x141
281x141
image.png 81Кб, 602x376
602x376
>>585329
вообще, я бы свой разобрал и замерил диаметр его жил, но если разберу, то без ноутбука останусь... короче, тогда наверное 0,5 возьму, потому что визуально провод выглядит тоньше, чем самый тонкий 0,75 с 2 жилами силиконовый, у которого внешний диаметр всего провода минимум 6мм (хотя в основном попадались 7,3мм) и я так понял это у всех силиконовых проводов специально толстая изоляция

алсо почему калькулятор посчитал вообще 1,5мм? и в каких случаях ток под 5А будет? когда цпу и гпу на 100% работают?
Аноним 19/11/25 Срд 13:11:46 585333 304
>>585321

>> В лаборатории никто себя травить химией не хочет,
>> сидеть днями, месяцами и годами с постоянно работающей вытяжкой тоже.

1. Вытяжка есть и на работе и дома.
2. Между канифолью и ладаном разница невелика.

Теряешь сознание от страха вдохнув дымок от канифоли? Читаешь жопой?
Тут уже ничего не поможет.
Аноним 19/11/25 Срд 13:21:02 585334 305
>>585254
>> типа ожидаемо вполне

С чего бы ожидаемо?
Некоторые бесперебойники славятся тем, что из-за ошибки в схемотехнике постоянно травят в аккумулятор подзарадный ток, чем выводят их из строя.
Ищи исправление схемы.
Аноним 19/11/25 Срд 13:23:27 585335 306
>>585334
>постоянно травят в аккумулятор подзарадный ток
Эммм, так и нужно. Это называется напряжение плавающего заряда (Float voltage)
Таам будет проходит незначительный ток для компенсации сакморазряда и такой режим более оптимальный чем остальное.
Аноним 19/11/25 Срд 15:26:10 585337 307
Аноним 19/11/25 Срд 18:50:00 585339 308
Аноним 19/11/25 Срд 20:13:48 585341 309
>>585337
Зачем втыкать в каждый аккум по разъему, когда можно сделать провод с разъемом как на шурике и тупо присоединять аккумы?
Аноним 19/11/25 Срд 20:49:05 585342 310
>>585334
>С чего бы ожидаемо?
Не первый раз, не первый десяток (?) аккумуляторов, и т.д. Как я там отмечал выше, аккумулятор греется, сохнет, охлаждение плохое, переразряд. Тут поможет только комплексное решение (вытащить аккумулятор наружу, засунуть внутрь вертушку с термодатчиком), но я плохо представляю себе это адекватно.
Аноним 19/11/25 Срд 23:13:28 585344 311
Аноним 20/11/25 Чтв 17:37:54 585363 312
Screenshot20251[...].jpg 66Кб, 1682x1080
1682x1080
Есть паяльник, которые едва работает от 12 вольт.
Есть повербанк, который едва выдаёт 12 вольт, использую pd trigger.
Если включить холодный паяльник в повербанк, то он сразу сосёт слишком много ампер из повербанка и тот отключается, уходит в защиту, потом оживает, и снова умирает. Паяльник так и не разогревается.
Если горячий уже разогретый паяльник включить в повербанк, то он нормально работает, не очень мощно, но это уже проблема паяльника, главное что он работает.
Как бы ограничить максимальное потребление? Какой-нибудь буст-бак конвертер-хуертер. Не резистор же последовательно втыкать и потом убирать, этакий переключатель.
Аноним 20/11/25 Чтв 19:48:52 585368 313
>>585363
Диммер, и ручкой мощу накручивать
Аноним 20/11/25 Чтв 20:59:45 585370 314
Увлажнительвозд[...].jpg 370Кб, 1270x1280
1270x1280
Сгорела плата от увлажнителя воздуха. Транзистору вроде нашёл замену по маркировке, а как найти нужный номинал резистора? Подскажите кто знает
Аноним 20/11/25 Чтв 21:35:35 585371 315
>>585370
на нём написано было
Аноним 20/11/25 Чтв 21:37:39 585372 316
image.png 56Кб, 1069x417
1069x417
Объясните мне отрицательное напряжение. что оно и как оно, и для чего
Я правильно понял, что главное понять откуда мы считаем напряжение. и на картинке мы считаем от корпуса\земли получается, так?
Аноним 20/11/25 Чтв 21:47:51 585376 317
>>585294
На радиохате есть торрент, 86.7gb

Ваш анон.
Аноним 20/11/25 Чтв 22:31:05 585377 318
>>585372
Просто такой костыльный способ считать разницу потенциалов, если есть какие-то точки ради которых неудобно разворачивать схему, то часть можно просто спихнуть типа в минус. По факту если ты видишь какую-нибудь схему, к примеру, с операционником, которому подавай и плюс, и минус относительно сигнала, зачастую ради него просто задерут плюс, а на входе и выходе просто по кондеру поставят.
Аноним 20/11/25 Чтв 22:31:06 585378 319
>>585372
Для установки тока смещения сигнала в аналоговой технике, в частности в операционных усилителях, что позволяет усиливать как по плюсу, так и по минусу.


Это не единственный случай, к примеру есть малоизвестный случай, когда у нас есть шина постоянного тока, получаемая от напряжения сети, "безопасное" напряжение без изолирующего трансформатора можно получить только в случае, если середину объединить с нулем, и плюс и минус выпрямлять от противоположных полюсов фаз.


>>585372
>откуда мы считаем напряжение
Потенциал всегда считается существует между двумя точками.
Аноним 20/11/25 Чтв 22:56:05 585380 320
image.png 1005Кб, 1200x675
1200x675
>>585378
>>585377 Спасибо. Очень интересно получилось, но не понял, но понял.
Аноним 21/11/25 Птн 08:32:37 585398 321
>>585293
>> На рутракере есть только

Набери на рутрекере "забарило", всё там есть, только что оттуда.
Аноним 21/11/25 Птн 14:26:19 585420 322
IMG202511211622[...].jpg 3946Кб, 3072x4096
3072x4096
IMG202511211622[...].jpg 3549Кб, 3072x4096
3072x4096
Сап после месяца ожидания приехал мой первый осцилогроф. Почему первый канал показывает чуть чуть а второй дохуя?
Аноним 21/11/25 Птн 14:30:25 585421 323
>>585420
>39Мб пикча
Ты там ебанулся штоле?
Аноним 21/11/25 Птн 15:05:35 585424 324
>>585420
Ты хоть в оба канала подал 7 вольт?
Аноним 21/11/25 Птн 15:05:39 585425 325
>>585420
Ты на щупе делитель 10х переключил.
Аноним 21/11/25 Птн 15:51:24 585427 326
>>585425
Да спасибо именно в этом была причина
Аноним 21/11/25 Птн 19:48:00 585441 327
что лучше - рыгОл или говОн?
Аноним 21/11/25 Птн 19:52:36 585442 328
>>585441
рыгол дно DHO с вайфайным усб свистком.
Аноним 21/11/25 Птн 20:09:10 585443 329
изображение.png 308Кб, 629x487
629x487
>>585442
Почему из Китая цена ниже в 2 раза?
Аноним 21/11/25 Птн 20:23:58 585444 330
>>585443
Наценка на контанкт со сверхчеловеком. (Это большая честь, скажи спасибо что сделали скидку, пес)
Аноним 21/11/25 Птн 21:25:14 585447 331
1.0abP9La4fU5Q9[...].webp 64Кб, 720x960
720x960
стали бы брать такое чудо? 4.5 к
Аноним 21/11/25 Птн 21:53:50 585448 332
>>585447
Это типо буржуйский аналог с1-94?

Ну, если четенько работает из коробки, яркая трубка, не нужно ничо ковырять и допиливать (и все равно оно не допилится, как в случае с 94м), то может быть. В наши дни 4.5к это не много.

А с другой, а на кой в наше время один канал?

Если же тут буквально "те же яйца" что и у "щидевора сумрачного рижского гения" - то точно нет. Бесконечная возня ради самой возни с нулевым результатом... это, конечно, в каком-то смысле и есть суть радиогубительства как такового, да, но чот не хочется
Аноним 21/11/25 Птн 22:22:09 585450 333
Хочу включить светодиодный фонарь, там хитрый блок питания https://luxon.su/upload/iblock/b3a/Datasheet-LI100.pdf
Сейчас на выходе 200 вольт, как понимаю полевой транзистор неисправен, уже заказал.
Но вот не знаю, как бы проверить светодиоды? Блока питания на 80-142 вольт нету.
Аноним 21/11/25 Птн 22:36:09 585451 334
>>585254
Короче говоря, практика - критерий истины. Остается только выделить один из своих упсов, подключить к нему аккумулятор и протестировать под нагрузкой.
Аноним 21/11/25 Птн 23:59:51 585452 335
176375876259264[...].jpg 17Кб, 480x360
480x360
>>585372

Ты только на ноль не дели.
Аноним 22/11/25 Суб 11:25:48 585455 336
>>585441
Рыголя перепрошьёшь и будет счастье. С овоном хуй пососёшь.
Аноним 22/11/25 Суб 11:38:17 585456 337
>>585447
На лохито есть перекупщики СПЕЦСЕРВИС54
https://www.avito.ru/brands/i4202316/
они толкают Б/У осциллографы из Китая (100Mhz, 2 канала) за 7...10 тысяч.
Цены накручивают раза в 2-3. Это значит что закупочная цена у китайца на TaoBao будет тысячи 2-3.

Теперь сам подумай.
Должно ли детское говно с экраном со спичечный коробок, 1 канал, с полосой 10Mhz
стоить 4.5 тысячи рублей?

Если бы тебе его предлагали за 500р, ну за 1000р то еще можно было бы посмотреть.
Но 4,5т.р. это дикий оверпрайс.
Аноним 22/11/25 Суб 19:04:10 585461 338
Screenshot2025-[...].jpg 304Кб, 448x1494
448x1494
Screenshot2025-[...].jpg 245Кб, 1080x1485
1080x1485
как работают такие токовые клещи? если эффект холла то магнитное поле от провода же будет идти вдоль металлической пластины, а не перпендикулярно. и если на индукции то цепь же не замыкается. или она там просто сложена как на пике?
Аноним 22/11/25 Суб 19:20:19 585462 339
176382818440838[...].jpg 56Кб, 449x357
449x357
Аноним 22/11/25 Суб 19:33:20 585464 340
>>585462
так эти две штуки неподвижны
Аноним 22/11/25 Суб 19:41:13 585465 341
>>585464
Катушкам не нужно двигаться.
Аноним 22/11/25 Суб 19:51:18 585466 342
>>585465
так если их не сомкнуть то катушка не будет замкнута и эдс не наведется
Аноним 22/11/25 Суб 20:06:40 585467 343
>>585466
>катушка не будет замкнута и эдс не наведется
замкнутый контур это не булевое условие. Зазор сильно уменьшается связь.
Аноним 22/11/25 Суб 20:22:20 585469 344
>>338104 (OP)
Сап радач. На днях купил себе тексан H 501. В общем курил курил инструкцию и нихуя не понял как эту китайскую ебень настроить. Как хоть КВ на нём слушать? Или морзянку на 7025 SSB? Он не ловит даже мощные станции. Для сравнения даже деген 1103 его всухую делает.
Аноним 22/11/25 Суб 20:35:14 585470 345
>СПЕЦСЕРВИС54
Прочекал лоты.
>за 7...10 тысяч
В этом диапазоне лишь два лота (за 7 и, соответственно 10к. Внезапно.) и оба на 40 МГц.
На 100, конечно, тоже есть, но за втрое большую цену.

Крч говоря, этот >>585456 взял два разных, никак друг с другом не связанных факта, смешал в кучу, и на основе получившегося "рагу" сгенерировал свою собственную реальность, в которой полки перекупов просто ломятся от 100МГц осциллов по 7к - бери не хочу.
Или, говоря простым языком, НА ПИЗ ДЕЛ
Аноним 22/11/25 Суб 20:35:40 585471 346
Screenshot2025-[...].jpg 174Кб, 958x504
958x504
>>585467
> не булевое условие
Аноним 22/11/25 Суб 20:39:39 585472 347
>>585467
> замкнутый контур это не булевое условие
Я скорее поверю, что там в каждом роге по катушке, и концы этих катушек идут обратно вглубь чтобы соединиться посередине, типа на катушке провода настолько больше что этот отрезок не влияет на показания.
Аноним 22/11/25 Суб 20:54:47 585473 348
circiut.gif 13Кб, 392x288
392x288
>>585471
>> не булевое условие
Ну так это ленгвистика. Любой контур замкнут. Зазор влияет на магнитное сопротивлените(magnetic reluctance), и с некоторой долей условности его можно рассматривать как резистор.
Аноним 22/11/25 Суб 21:04:10 585474 349
>>585473
У тебя по такой логике и конденсатор посреди цепи будет "замкнутым", только постоянный ток ты такими клещами не померишь
Аноним 22/11/25 Суб 21:07:29 585475 350
>>585474
так постоянный ток индукцией и не померишь
Аноним 22/11/25 Суб 21:07:36 585476 351
176383479555580[...].jpg 59Кб, 640x480
640x480
>>585469

Ты чуйку в какое положение ставил? Если до антенны касаться то уровень шума меняется?
Аноним 22/11/25 Суб 21:18:04 585477 352
>>585475
>посреди цепи будет "замкнутым",
Так он и замкнут, иначе саморазряда не было бы.
Аноним 23/11/25 Вск 00:16:29 585478 353
>>585476
Ставил на DX
Касаюсь антенны в вытянутом положении – нихуя не происходит. Касаюсь в сложенном – ловит помехи.
Аноним 23/11/25 Вск 11:34:28 585485 354
>>585478

Ну вот еще пишут што там есть ВЧ шумодав некий, отключается кнопелями.
Аноним 23/11/25 Вск 16:22:25 585490 355
>>585485
Пизда значит, я заебался всё перебирать. В любом случае буду искать. Спасибо, анонче!
Аноним 23/11/25 Вск 18:31:27 585494 356
Как включить светодиоды, которые светятся лишь при эксклюзивном напряжении? Например от 80 до 140 вольт нужен блок питания, с какого вольта именно происходит запуск непонятно, но в итоге светит только от него.
Аноним 23/11/25 Вск 18:34:22 585495 357
image.png 246Кб, 852x884
852x884
>>585494
> с какого вольта именно происходит запуск непонятно,
Нужно выяснить прямое напряжение твоих диодов и умножить на их количество.
Аноним 23/11/25 Вск 18:35:56 585496 358
image 165Кб, 768x1117
768x1117
image 98Кб, 973x1280
973x1280
Аноним 23/11/25 Вск 19:27:28 585499 359
>>585452
яж не математик что бы ноль делить.
как на пикче получилось 7 вольт? типо пять это ноль, а 12 - 5 = 7, так получается?
Аноним 23/11/25 Вск 19:39:32 585500 360
>>585499

Разница потанцевалов между 5 и 12 вольтами.
Аноним 23/11/25 Вск 19:44:24 585501 361
>>585495
Как понимаю от 5 вольт запускается, на 12 светит уже хорошо, но их 84 штуки, им явно хватает меньше, но для старта якобы нужно много. Кстати чего заметил сразу на плафоне (28 штук) - не включается от 12-24 вольт, больше у себя не нашёл. И светят не все светодиоды в ряду, если подавать питание не отпаивая на диод, то есть из 28 штук штук 20 светят.
>>585450
Это я если что.
Аноним 23/11/25 Вск 19:52:22 585502 362
>>585500
а так можно было?
Аноним 23/11/25 Вск 20:30:20 585506 363
Cтоит ли брать крутой осцилл со встроенным генератором? Или лучше взять осла и гену раздельно?
Аноним 23/11/25 Вск 20:48:53 585507 364
>>585502
И да и нет. Если на 5В не будет потребителей, то ты поднимешь 5В вверх. Никогда так не делай.
Аноним 23/11/25 Вск 20:56:30 585508 365
Как раз вспомнил вопрос. Как проверить смд светодиод типа 2835? Ни в какую сторону он не звонится, какое напряжение нужно на него подать тогда?
Аноним 23/11/25 Вск 22:45:27 585513 366
>>585508
Подруби к источнику и медленно повышай напряжение. Делов-то.
Аноним 24/11/25 Пнд 05:05:51 585518 367
>>585470
>> этот >>585456 взял два разных, никак друг с другом не связанных факта,
>> На 100, конечно, тоже есть, но за втрое большую цену.
>>НА ПИЗ ДЕЛ

1. Хотел за 4.5тыщ рублей увидеть 100 Mhz двух-четырехканальные приборы?
2. Не знать что Rigol'ы и Tek'и 1000й серии программно апгрейдятся?

Смысл в том, что ослы в районе 10ки на космический парсек опережает древнее совковое говно.
Предложения у перекупа бывают разные. Можно либо помониторить вкусной цены, либо, если бы ты по своей двачерской привычке не открыл своё поганое ебло, я бы кое-что подсказал.
Аноним 24/11/25 Пнд 05:11:46 585520 368
>>585461
>> если на индукции
Часто и то и то.
Внутри количественный датчик постоянного магнитного поля для промера постоянного тока.
Индукция работает только при изменении магнитного поля, т.е. переменный ток.
Аноним 24/11/25 Пнд 11:06:01 585521 369
>>585513
Это здорово, но я хоббист и покупать источник ради одного сраного светодиода как-то дико.
Если перепутать полярность, его пробьет сразу?
Аноним 24/11/25 Пнд 12:00:01 585524 370
>>585521
>> Если перепутать полярность, его пробьет сразу?

Это зависит от напряжения источника, к которому ты его подключал. У всех светодиодов и у других диодов есть определенное обратное напряжение, которое он выдерживает. Посмотри даташит, если ты найдешь. Да и то, необратимый "пробой" случится когда ток не ограничен (хотя бы десятки и сотни мА, ну или прямое подключение). А если он ничтожен (микроамперы), то обратный пробой, т.е. резкое лавинное увеличние обратного тока часто не причиняет вреда. Но - как повезет.

Ты с ОДНИМ smd-светодиодом занимаешься? Он у тебя всего один?

Батареек с резистором 2шт хватит чтобы зажечь red, yellow, green
3шт батарейки чтобы зажечь blue, white.

Расчет ограничительного резистора такой. Из напряжения батареек вычитаешь напряж. падения светодиода. Требуемый ток через светодиод - где-то 15-20мА (0.015 - 0.020 A) для обычных индикаторных red, yellow, green светодиодов, но белые осветительные светодиоды гораздо мощнее и жрут ток куда больше.

Пример расчета резистора:
Закон ома R = V / I
Зажигаем красный от 2шт. батарейки 1.5V+1.5V = 3V.
Возьмем ток 15мА.
Падение на светодиоде ~1.7...1.8V
(3 - 1.7) / 0.015 = 86.6666, округлим, где-то 100 Ом, ток будет чуть поменьше.
Но на самом деле индикаторные светодиоды неплохо светятся даже при токах порядка 0.5..1мА, то есть если ты возьмешь резистор 1К (1 килоом, тысяча ом и даже 1.5 килоом) то светиться от 3V с таким резистором все равно будет, но не так ярко. Отсюда вывод - пойдут резисторы от 100 Ом до 1.5К (1500 ом).

А вот если светодиод синий, то напряжения ему не хватит и от двух батареек (то есть от 3V) он не зажгется вовсе. И ток ему нужен 20-30мА. По этой же причине его не могут проверить многие электроныне мультиметры.
Аноним 24/11/25 Пнд 14:24:14 585528 371
>>585495
а зачем эти диоды включать последовательно если после каждого падает так много вольт?
Аноним 24/11/25 Пнд 14:36:42 585529 372
>>585528
Сам не разберусь, сейчас жду полевик, поменяю, мб заработает и даст 80-142 вольта. Смешно конечно, что эти светодиоды не загораются даже от 48в/8ампер, но при этом ряд диодов (не всех) светятся от 5-12вольт.
Аноним 24/11/25 Пнд 14:41:37 585530 373
>>585524
>даташит
На нонейм диод нереально.

>Он у тебя всего один?
Их впаяно несколько штук в линейку, параметры я не знаю.

>белые осветительные светодиоды
Ну, вот этот вариант гораздо ближе к реальности, я нуб, но мне кажется, что в 2835 индикаторных почему-то не делаают.

Короче говоря, ему надо три вольта и он не зажжется, пока там не будет 0.1 А, если я иебя правильно понимаю.

Спасибо за ответ.
Аноним 24/11/25 Пнд 16:06:53 585531 374
>>585528
>а зачем
Чтобы токи килоамперные не коммутировать.
Аноним 24/11/25 Пнд 16:07:17 585532 375
>>585530
>> то в 2835 индикаторных почему-то не делаают.

Тьфу блядь, типоразмер я и проебал почему-то.
Аноним 24/11/25 Пнд 18:44:51 585536 376
IMG202511241840[...].jpg 362Кб, 2448x3264
2448x3264
>>585531
>килоамперные не коммутировать.
Смотрю на плате фонаря разводку, я как понимаю это последовательнное подключение? А в чём особенность, может мне переделать проволокой на параллельное соединение светодиодов и они уже смогут хотя бы от 24 вольт все светить?
Аноним 24/11/25 Пнд 18:47:05 585537 377
>>585501
>на плафоне (28 штук) - не включается от 12-24 вольт
Ты ёбу дал? У белых светодиодов, ну грубо, падение 3 вольта. 3х28=84. Какие нахуй 12-24? Ты вообще в принципе понимаешь, что делаешь?
Аноним 24/11/25 Пнд 18:47:59 585538 378
>>585536
Собери ещё процессор из горсти песка и паяльника.
Аноним 24/11/25 Пнд 18:50:26 585539 379
>>585537
Штатный бп 80-142 вольта, от этого и пляшу. Вот этого я не понимаю почему.
Аноним 24/11/25 Пнд 18:51:15 585540 380
>>585521
>я хоббист
>источник
Какое-то взаимоисключение.
Ну или не хоббист ты, а пидор!
Аноним 24/11/25 Пнд 18:54:10 585541 381
>>585539
>почему
Поэтому:
>а зачем эти диоды включать последовательно
Аноним 24/11/25 Пнд 18:55:11 585542 382
>>585541
Ты на вопрос можешь ответить а не ужа на сковородке включать?
Аноним 24/11/25 Пнд 18:55:54 585543 383
В светодиоды ТОКОМ питаются, а не напряжением! Читай теорию!
Аноним 24/11/25 Пнд 18:56:35 585544 384
>>585543
Я подключал бп 48вольт 8 ампер, неужели вот этому плафончику мало?
Аноним 24/11/25 Пнд 19:28:30 585545 385
>>585540
Опять нажрался что ли?
Аноним 24/11/25 Пнд 19:31:27 585546 386
>>585536
>> я как понимаю это последовательнное подключение

Повнимательнее посмотри. А еще лучше прозвони мультиметром.
По-моему там смешанное подключение, есть группы параллельно, есть группы последовательно. Но это насколько я вижу токонесущие дорожки, могу ошибаться.
Аноним 24/11/25 Пнд 20:12:49 585548 387
>>585544
Вольт недостаточно. А амперы не при чём.
Аноним 24/11/25 Пнд 20:32:37 585551 388
S92afa872adc14a[...].webp 26Кб, 960x960
960x960
Чем это запитать? В спеках указано:
Входная мощность усилителя: 11-14 В, 200 мА
Пробовал без усилка, шумит и принимает на балконе на уровне двухметрового провода.
Аноним 24/11/25 Пнд 23:27:11 585553 389
>>585551
>200 мА

Любым говно БП.
Аноним 24/11/25 Пнд 23:57:26 585554 390
Аноним 24/11/25 Пнд 23:59:46 585555 391
>>585554

Второй, только возможно придется городить фильтр если в самой коробке их нет по питанию. Я бы посмотрел на обычные линейные БП.
Аноним 25/11/25 Втр 10:45:53 585560 392
>>585555
>самой коробке их нет по питанию
Как их там может не быть, там всегда будет ЛДО с обвязкой.
Аноним 25/11/25 Втр 13:02:57 585563 393
4a+bEYKWJRZLb60[...].webp 12Кб, 600x210
600x210
что за линейные входы и выходы? вставил в них джек все заработал.
сложно ли поменять с микрос усб на усб с?
Аноним 25/11/25 Втр 14:15:14 585564 394
в радиотехнике схемы типовые? типа достаточно знать из чего что-то состоит, чтобы рассматривать часть схемы как целое? те примерно, всё равно же надо что-то считать?
Аноним 25/11/25 Втр 16:30:56 585565 395
>>585560

Пусть раскрутит и сфоткает, гугель чото не находит разобранных.
Аноним 25/11/25 Втр 17:58:19 585566 396
Есть модель на ардуино с сервоприводом. Если я заменю сервопривод на безщеточный, ничего менять в обвязке не придется? Просто разъем подключил и всё?
Аноним 25/11/25 Втр 18:03:55 585568 397
>>585566

Каким сервоприводом епт? Безщеточные обычно тяговые.
Аноним 25/11/25 Втр 18:05:48 585570 398
image 61Кб, 720x935
720x935
image 126Кб, 848x1280
848x1280
>>585566
Если у тебя серва 3 фазы то ничего
Fantastic 25/11/25 Втр 20:32:02 585575 399
Хочу сделать простой линейный БП, на 10 Вт примерно. Понимаю что в идеале нужно плату делать. А можно на макетной, соединив всё проводами? Там деталей же не так много вроде, можно довольно надежно всё соединить.
Аноним 25/11/25 Втр 20:52:36 585576 400
>>585536
В общем поменял транзистор в блоке питания - результат нулевой.
Аноним 25/11/25 Втр 21:07:02 585577 401
>>585575
> сделать
А хули там делать? У тебя какие-то особенные требования? У тебя уже есть все нужные компоненты? Нет? Ну тогда дешевле купить готовый, плату или даже с коробочкой.
Fantastic 25/11/25 Втр 21:23:08 585578 402
>>585577
Всё есть от трансформатора до LM-ки. Меня не интересует что дешевле а что нет, вопрос не про это.
Аноним 25/11/25 Втр 22:40:18 585579 403
>>585551
>> Любым говно БП

Ты больше слушай местных пидарасов, они тебя научат. Открути два винта и посмотри что там стоит в цепи питания.
А еще лучше сделай несколько фото и пришли сюда. Тебе надо выяснить что там стоит в цепи питания. Есть ли там микросхема LDO и какая. Есть ли там (а вдруг) импульсный DCDC. Питание может оказаться с обратной стороны платы. Выше по треду уже был анралогичный разговор.
Аноним 25/11/25 Втр 22:44:49 585580 404
>>585540
Я же не написал, хоббист чего я.
Нет, ты.
Аноним 25/11/25 Втр 22:51:38 585581 405
>>585575
Можно. Навесным монтажом тоже можно.
Аноним 25/11/25 Втр 22:59:24 585583 406
>>585564
>> в радиотехнике схемы типовые?
Радитехника это радиотехника, электроника это электроника.
Точно радиотехника интересует?
Нет, иногда схемы или блоки не "типовые"
>> типа достаточно знать из чего что-то состоит, чтобы рассматривать часть схемы как целое?
Части схем самодостаточны, как правило используется блочная компоновка.
Но не всегда. Встречаются долбоёбы не пользующиеся инженерным принципом "разделяй и властвуй".
>> те примерно, всё равно же надо что-то считать
"всё равно же надо что-то считать" . Постоянно.
Аноним 25/11/25 Втр 23:01:01 585584 407
>>585560
>> Как их там может не быть, там всегда будет ЛДО с обвязкой

Ну да, ну да. Всегда, ага. Ты мало имел дело с косоглазыми долбоёбами. У них может быть что угодно.
Аноним 25/11/25 Втр 23:03:24 585585 408
>>585580
>> Я же не написал, хоббист чего я.

А хоббист чего ты?
Аноним 25/11/25 Втр 23:35:32 585586 409
IMG202511252317[...].jpg 1326Кб, 3472x4624
3472x4624
я все равно не могу нормально понять это реактивное сопротивление. а конкретно штука с производной напряжения. то что в самом начале конденсатор не имеет емкостного сопротивления и ток может свободно течь я понимаю. но есть два вопроса
1) откуда в самом начале у источника напряжения вообще есть электрическое поле чтобы ток шел,да т на максимальном значении(напряжение же равно нулю)? ведь электрончики толкают впереди стоящие только если их толкают кулоновские силы электрополя из розетки. но если этого поля нет, так как напряжения нет, то и тока быть не может
2) и что будет если подключить конденсатор к источнику переменного тока в тот момент когда на нем пик напряжения? ведь напряжение будет высоким, но и конденсатор не заряжен следовательно емкостного сопротивления нет. и следовательно и ток и напряжение будут высокими.
Аноним 25/11/25 Втр 23:41:13 585587 410
image.png 823Кб, 1000x1000
1000x1000
image.png 36Кб, 200x132
200x132
Мне нужна ваша помощь суть такова:
Нужно каким-то образом постепенно стирать звук с кассеты внутри плеера. Причем так, чтобы я мог контролировать силу стирания. Мне это нужно для тейплупов. Это когда ты записываешь что-то на кассету и она потом может по кругу проигрываться, для создания музыки. Если просто залепить фольгой стирающую головку, то сила ее стирания ослабевает, но, после определенного предела стирание прекращается, т.е. если например у звука осталось 20% громкости, то эта громкость остается на пленке, не важно сколько раз при этом плетка пройдет под стирающей головкой.

Мой хитрый план заключается в том, чтобы положить внутрь кассеты мини электромагнит, и вертя ручку потенциометра, я бы мог контроллировать силу стирания. Надежный план или нет? Теперь вопрос - где найти очень маленький электромагнит? Из того, что я сейчас нашел это электромагниты в маленьких клапанах типа пикрила, но я не уверен, что смогу оттуда этот магнит достать. Какие еще есть идеи?
Аноним 25/11/25 Втр 23:42:38 585588 411
>>585587
Ну и да, стоит понимать, что у меня познаний во всем этом электронном почти ноль. Но что-нибудь спаять, или даже скрутить электромагнит самостоятельно я смогу, вроде бы там принцип не сложный наверное
Аноним 25/11/25 Втр 23:45:28 585589 412
>>585588
накрути тонкий лакированный провод на маленький гвоздик
Аноним 26/11/25 Срд 03:07:33 585592 413
i.webp 16Кб, 650x373
650x373
если дверь не открывается проблема в трубке? или какой хаб есть на полпути? как определить что у меня за домофон и какую трубку взятоь?
Аноним 26/11/25 Срд 03:12:01 585595 414
>>585592
МКД? У тебя в квитанции за коммуналку должен быть домофон отдельным пунктом, т.е. ты за него каждый месяц платишь. Вызови ремонтника, обязаны починить/заменить бесплатно.
Аноним 26/11/25 Срд 04:13:50 585596 415
>>585587
Если у тебя есть стирающая головка, то какой смысл в электромагните и прочей ереси? Контролируй стирающую головку, начни для начала контролировать в ней ток.
Аноним 26/11/25 Срд 04:15:35 585597 416
>>585592
Домофоны обычно обслуживаются организацией и ты вносишь им плату. Какой смысл самостоятельно дергаться, если ты за это платишь?
Аноним 26/11/25 Срд 05:50:08 585598 417
>>585586

Что такое механическая скорость? V = S/t
Это расстояние (какое-то количество) за время.

Если посмотришь физическую размерность электрического тока, увидишь что это I = Q/t то есть это некое "количество электричества" за время. Или понятийно, электрический ток (current, I) это скорость течения электричества в какой-то цепи. I = dQ/dt

Обрати внимание, что любая "скорость" хотя и измеряема, но измеряема не напрямую. Хотя в конечном итоге и проявляет себя, но проявляет косвенно, через различные феномены-последствия. Ну никто же не способен сказать, что скорость существует сама по себе? Вон, гляньте, в пространстве, в вакууме, висит скорость?

Аналогичным образом дело обстоит с "электрическим током". Электрический "ток" это всегда производная, оценочная характеристика. Хотя многие деятели склонны считать что мол вот он-то и существует в природе (это они опираются на феномен постоянного тока), я считаю это не так. Это всего лишь оценка. Скорость течения электричества.

Зная это, ты поймешь что такое "электрический ток" в твоем случае с конденсатором в цепи переменного тока. Чем больше частота (чем больше изменений) тем больше ток. Но электрический "ток" - это скорость. Поэтому все абсолютно логично. Чем выше ты устраиваешь скорость изменений течения электричества в твоей цепи, тем выше становится "ток". Получается небольшая тавтология, но в понимании тавтологий иногда и состоит понимание сути, таким образом мы поняли что такое сам "ток". Что от чего зависит, и чем по сути является.

Комменты на остальное могу дать потом, но ты неправильно либо понимаешь, либо применяешь термин "емкостное сопротивление", оно же реактанс. Сосредоточься на этом понятии, посмотри определение на википедии. Это понятие не применимо к цепям постоянного тока.

Еще, чтобы сразу снять у тебя возможную путаницу. Два тока, постоянный и переменный - это два различных феномена. Две различные области. Каждый со своим раздельным набором понятий, величин а также феноменов.
Аноним 26/11/25 Срд 09:30:03 585600 418
174409925535524[...].jpeg 600Кб, 1920x2560
1920x2560
Ну всё, нахуй, щас вообще пиздец упаяюсь. Начну с того самого LED-кольца.
Главное – не спалить хату и лампу желательно тоже не испортить.
Аноним 26/11/25 Срд 09:40:02 585601 419
>>585600
Надеюсь у тебя все сгорит, шиз с механикой
Аноним 26/11/25 Срд 09:53:05 585602 420
>>585600
Ты как додумался этот кал вместо паяльника купить? Место паяльников на керамических нагревателях на свалке истории
Аноним 26/11/25 Срд 09:55:22 585603 421
>>585600
Красавчик! Виват!
Аноним 26/11/25 Срд 09:56:53 585604 422
>>585601
Саси, лох-старовер с обоссанной мембранкой :)
>>585602
АлексГайверYT. Мне весь этот комплект, кроме пос и флюса, обошёлся в 660р, грех жаловаться. Т80/90 за 2.3-2.9к как-нибудь потом, спасибо.
>>585603
Мерси!
Аноним 26/11/25 Срд 10:31:39 585607 423
>>585604
>АлексГайверYT
Это какого года рекомендация? 2015?
Аноним 26/11/25 Срд 11:14:00 585609 424
>>585607
Свежий видос о пайке год назад. Очень приятно повествует человек.
Аноним 26/11/25 Срд 11:38:57 585610 425
>>585596
Я так уже обсирался, когда думал, что всё устроено просто, а потом оказывается, что там через одну цепь запитывается и записывающая и стирающая головка, и просто потенциометр на нее повесить не получится, это например. Как оно в реальности устроено я не знаю, поэтому и искал способ проще
Аноним 26/11/25 Срд 12:35:45 585613 426
>>585587
А не проще сразу записывать с минимальным уровнем записи, потом поверх записывать с раз от раза увеличивающемся? И вообще заниматься подобным онанизмом лучше на катушечнике, кассетники шумные по ряду причин, в первую очередь из-за низких скоростей и узкой пленки.
Аноним 26/11/25 Срд 12:51:02 585614 427
>>585613
> кассетники шумные
брух... в этом весь смысл. У меня цифровые луперы есть, мне не идеальность записи нужна. Нужно именно полностью стереть звук с пленки, иначе он очень быстро засирается разными нотами
Аноним 26/11/25 Срд 12:52:43 585615 428
>>585610
А может схемку для начала глянем, а то может не всё так страшно?
Аноним 26/11/25 Срд 13:54:56 585616 429
>>585615
Рекордер - Marantz PMD 222

Я от него пока только такую схему нашел, я в ней ничего не понимаю
Аноним 26/11/25 Срд 13:55:28 585617 430
image.png 537Кб, 1557x714
1557x714
Аноним 26/11/25 Срд 14:49:43 585618 431
7453349521.webp 78Кб, 750x1000
750x1000
>>338104 (OP)
Нормально такое за 700 рублей для начала? или хуйня? или мне нужно покупать детали под конкретный проект? есть ли смысл в таком базовом наборе?
Аноним 26/11/25 Срд 15:13:00 585619 432
6751963210.jpg 60Кб, 800x800
800x800
>>585618
У тебя хоть проект-то есть? Я лично не люблю наборы, 90% из них никогда не пригодится, а того что надо ещё и не окажется, лучше прицел но покупать. Хотя вот я себе купил книжки с резисторами 0603 и доволен, всё есть и удобно, какие заканчиваются то покупаю новые отдельные нминалы.
Аноним 26/11/25 Срд 15:38:38 585621 433
>>585618
>для начала?
Для начала чего? Просто чтоб лежали и можно было из них фигурки скручивать?
Аноним 26/11/25 Срд 15:58:35 585623 434
>>585621
ну типа того, да.
>>585619
а, то есть: сначала находим/придумывем схему. потом покупаем детали по мере надобности. понял. мне тоже кажется что наборы это сомнительно. просто живу буквально в мухосранске, где нет возможности пойти и купить нужное поштучно.
Аноним 26/11/25 Срд 16:13:21 585624 435
Screenshot20251[...].jpg 275Кб, 1080x1065
1080x1065
Screenshot20251[...].jpg 420Кб, 1080x1080
1080x1080
>>585568
>>585570
Уже понял, что написал некорректно.

В общем, есть пик 1. Хочу поставить пик 2. Просто беру и ставлю или придется схему управления менять?
Аноним 26/11/25 Срд 16:15:27 585625 436
>>585616
>> Я от него пока только такую схему нашел, я в ней ничего не понимаю
Этотв фрагмент схемы и мне ничего не говорит. Ты разве видишь на ней генератор стирания и подмагничнивания? Видишь стирающую головку?
А откуда тогда у тебя инфа:
>> что там через одну цепь запитывается и записывающая и стирающая головка,
>> и просто потенциометр на нее повесить не получится
?
Аноним 26/11/25 Срд 16:17:31 585626 437
>>585624

А разные углы поворота тебя не смущают? По ширине импульсов подходят? В целом обычно не должно возникать проблем.
Аноним 26/11/25 Срд 16:21:58 585627 438
>>585625
>А откуда тогда у тебя инфа:
Это просто я как пример привел, мне-то откуда знать как там и что устроено, а разбирать и ломать что-то лишний раз я не хочу
Аноним 26/11/25 Срд 16:24:45 585629 439
>>585626
Углы понятно, просто рандом пик дернул. Я с сервами не шибко разбираюсь, просто знаю, что безщеточные моторы управляются иначе. Вот и спросил - просто поменять или еще какие платы управления добавлять придется. Изначально я считал, что вся начинка управления уже есть в самом серве, а ты тупо подаешь питание и сигнал. Но цена отличается в три раза, поэтому не хочется проверить на практике путем того, что не будет работать по итогу
Аноним 26/11/25 Срд 17:05:30 585630 440
>>585623
> а, то есть: сначала находим/придумывем схему. потом покупаем детали по мере надобности.
Ебать какая мудрость прям, блядь! Охуеть! Ваще! Пиздец! У меня нет слов!
Аноним 26/11/25 Срд 17:09:42 585631 441
>>585629

Мотор это мотор а серва это серва. Если там обычный PWM наружу то разницы нет.
Аноним 26/11/25 Срд 17:17:55 585632 442
>>585598
>размерность электрического тока
>Электрический "ток" это всегда производная
>мол вот он-то и существует в природе
Эта величина называется "сила тока". Сам по себе электрический ток это явление, а не величина, и вот он как раз существует, в том числе, в форме электростатики.
Аноним 26/11/25 Срд 18:28:37 585633 443
>>585632
1. Речь выше идет о переменном электрическом токе.

2. Никогда бы не подумал, что электрический ток существует © "в форме" раздела физики.

3. Электростатика, как известно из определения, изучает неподвижные электрические заряды.
Потрудись подумать, каким образом возникает электрический ток, если отсутствует движение зарядов.

За попытку хвалю, а за понимание смысла разговора и за физику - садись, пока двойка.
Аноним 26/11/25 Срд 20:35:37 585635 444
>>585604
Не слушай этих пидоров с их имитаторами!
На самом деле неплохое паяло для новичка, если руки не из жопы. Жала подберёшь по мере необходимости.
Аноним 26/11/25 Срд 20:40:20 585636 445
>>585614
Объясни пожалуйста, а нахуя это всё?
Аноним 26/11/25 Срд 20:43:55 585638 446
>>585633
Не дописал про разряд, мой косяк.
Аноним 26/11/25 Срд 20:45:28 585639 447
Свинцово-кислотный аккум 9 Ач необслуживаемый. При зарядке, при достижении напряжения 14,5 В, ток падает до 0.6 ампера ниже не опускается. Если прислушатся слышно бульканье и выход газиков из под к клапана.

Я так понимаю какая-то банка либо повреждена, либо сульфатирована? В бесперебойник смысла нет пихать, при такой утечке будет постоянно заряжаться и выкипит?
Аноним 26/11/25 Срд 20:45:42 585640 448
>>585623
>живу буквально в мухосранске, где нет возможности
Озон, Али? Да тот же ДикПик доставляет на почту...
Аноним 26/11/25 Срд 21:07:40 585643 449
>>585639
>либо повреждена, либо сульфатирована
>0.6 ампера
Что примерно, одно и тоже. Да, нужно было его поддерживать в непрерывно рабочем состоянии. Или он, просто, отслужил свой срок
Аноним 26/11/25 Срд 21:24:53 585645 450
>>585598
> Ну никто же не способен сказать, что скорость существует сама по себе?
Волны, официально, все.
Аноним 26/11/25 Срд 21:26:06 585646 451
>>585640
Озон и почта есть. Просто там большими партиями продают. Это конечно не как просто прийти в дикпик ножками топ топ и взять 2 диода например. Ну и пох. Хотя я может плохо понимаю масштабы пиздеца и на самом деле 200 транзисторов - это не так уж и много. В общем, сначала нужно придумать йобу для крафта. А детали найдут меня сами.
Аноним 26/11/25 Срд 21:28:02 585647 452
>>585630
И в чем он не прав? Этот парень просто хотел разобраться с донтвейв иметь базовый комплект инструментов и дитолей👍💪😁😎😸😸😸
Аноним 26/11/25 Срд 21:33:50 585648 453
ФАА ВАТАФА ЗАЦЕНИ ЭТОТ ФЛЕКС! ПЕПЕ ЛЮБИТ ДИЗАЙН ПЕПЕ ЛЮБИТ ШАНЕЛЬ. ШНЕЙНЕ! МЕНЯ ЗОВУТ ПЕПЕ! МОЕ ВТОРОЕ ИМЯ ПЕПЕ! ПЕПЕ ЛЮБИТ ФЛЕКС! БИЭМДАБЛЮ!
Аноним 26/11/25 Срд 21:34:56 585649 454
>>585643
Это "новый", пришел только вчера. Думаю, может уронили как-то удачно. Притом от того же продавца нормальный приходил.
Аноним 26/11/25 Срд 21:38:48 585650 455
>>585649
>Это "новый",
Вероятно закоротилась одна ячейка. Какое напряжение после покоя
Аноним 26/11/25 Срд 21:47:48 585651 456
>>585650
13,07 В, вроде норм.
Аноним 26/11/25 Срд 21:48:59 585652 457
>>585598
ну мне эти слова про "скорость" вообще ни о чем не говорят. ну и кулоны скорее говорят про количество электронов. то есть ток это изменение количества электронов проходящих через сечение за единицу времени. а дрейфовая скорость пропорциональна напряженности электрического поля.

вот определение из википедии:
"Ёмкостное сопротивление — это сопротивление изменению напряжения на элементе'. то есть здесь есть два случая. Это:
1)понижение
в этом случае на конденсаторе остаются электроны, которые под действием поля на к-ре, которое сильнее понижевшегося поля в генераторе, уходят с к-ора и тем самым идет ток и они поддерживают напряжение и препятствуют его понижению
2)повышение
в этом случае электроны накапливаются на конденсаторе, формируют электрическое поле и чем оно становится сильнее, тем сильнее препятствие повышению напряжения

ну это я понимаю. но по итогу то как при нулевой ЭДС в первый момент времени может происходить ток? и как он не может происходить при максимальной ЭДС, при условии что конденсатор не заряжен? ведь на его заряд должно уйти время, а только заряженный/заряжающийся конденсатор представляет емкостное сопротивление.

>Еще, чтобы сразу снять у тебя возможную путаницу. Два тока, постоянный и переменный - это два различных феномена. Две различные области. Каждый со своим раздельным набором понятий, величин а также феноменов.
и почему это они различны? там же движутся и ударяются друг об друга электроны, тепло, магнитное поле из за этого возникает одинаково и так далее.
Аноним 26/11/25 Срд 21:49:49 585653 458
>>585651
Если не было никакой нагрузки после полного заряда, то не норм. Понаблюдай будет ли оно падать дальше.
Аноним 26/11/25 Срд 21:53:15 585654 459
>>585652
>при нулевой ЭДС
Между чем?
Аноним 26/11/25 Срд 22:30:48 585655 460
>>585654
ну между конденсатором и источником напряжения. в первый момент времени ЭДС равна нулю а значение тока максимально. хотя это не ток а его производная. короче не понятно зачем под "силой тока" иметь ввиду совершенно другое понятие. то есть эта "сила" описывает не количественнуюю величину в амперах а как бы в пропорции типа "много тока - мало тока"
Аноним 26/11/25 Срд 22:38:51 585656 461
>>585655
>в первый момент времени ЭДС равна нулю а значение тока максимально.
Эммм. Где ты это увидел? Если у тебя не заряжен конденсатор, то эдс не будет равен нулю.
Аноним 26/11/25 Срд 22:47:50 585658 462
asdsad.jpg 3894Кб, 3472x4624
3472x4624
вот. на графике видно что когда напряжение/ЭДС нулевое, ток на амплитудном значении. конденсатор разряжен так как скажем цепь замкнулась в момент отсчета времени
Аноним 26/11/25 Срд 22:48:11 585659 463
Аноним 26/11/25 Срд 23:02:18 585661 464
>>>585658
У тебя отрывок графика. Потенциал на конденсаторе уже будет.

Но если принять выделеное за нулевую точку, тока там не будет. Так на напряжение между пластинами конденсатора - нулевое, напряжение на источнике - нулевое. Ток невозможен.

Твои формули и производные предназначены для расчета в случае непрерывного явления, не старта.
Аноним 26/11/25 Срд 23:33:23 585662 465
Аноним 27/11/25 Чтв 05:15:41 585669 466
7489236236.webp 37Кб, 777x1000
777x1000
7521027053.webp 45Кб, 750x1000
750x1000
HEY BOYS! Как пикрил 1 в плане секса? А пикрил 2?
Аноним 27/11/25 Чтв 06:39:23 585670 467
3174730original.jpg 503Кб, 1000x750
1000x750
3175883original.jpg 453Кб, 1000x750
1000x750
Купил новые наушники типа пикрил (фотки не мои), трещат в диапазонах 20-100Гц и на частотах 500, 1000, 2000Гц. Интернет говорит, что либо мембрана, либо катушка.

Есть варик вдуть клизмой со стороны втулки или отодрать бумажные кружки (они на герметике) и осмотреть мембрану получше. Как лучше поступить? Можно ли их вообще отдирать? Решил доламывать, т.к. слушать их невозможно.
Аноним 27/11/25 Чтв 09:21:32 585679 468
>>585653
Дальше не падало.

Погонял пару аккумов от того же производителя(WBR HR1234W F2). Через пару часов после зарядки на одном 13,13 В, на другом те же 13.07 В. Но я не ждал, когда ток заряда опустится до 0,09 А, останавливал на 0,130 А.
А вот третий уже взял аккум от csb(2018г и живой еще) зарядил по правильному, через пару часов на нем было 13,23 В.
Одновременно с этим поставил на разряд проблемный. По итогу отдал 5,8 Ач при разрядном токе 1,5 А(по даташиту должон около 7,5). В общем похрен, буду возврат делать.
Аноним 27/11/25 Чтв 09:52:50 585680 469
Аноним 27/11/25 Чтв 10:19:00 585681 470
image 52Кб, 827x797
827x797
image 114Кб, 904x1280
904x1280
>>585670
Еще может быть мусор (в т. Ч. Магнитный) или проводок катушки об мембрану бьется. Посмотри сначала внимательно. Мне кажется отдирание мембраны это билет в один конец.
Аноним 27/11/25 Чтв 10:42:02 585683 471
>>585681
На тыльной стороне дифузора, там где втулка выпирает, тонкий намоточный провод торчал 4мм - я его прозвонил на сигнал+землю и он не звонился, так что отрезал. Само сопротивление на динамике присутствует.

Потом по гайду с той же стороны дифузора проткнул иглой отверстия и, закруглённой натфилем зубочисткой, прошёлся по замятинам на мембране, которые было видно за бумажным кружком. Стало сильно лучше, трещать начинает на половине кнобика при 40-50Гц. Хотел продуть клизмой, чтоб выправить оставшееся, но она мокрая, так что завтра.

Всё-таки бумажки отрывать - ласт резорт. Какую рвать - фронтальную или ту, что сзади? Подозреваю, фронталка даст больший обзор, но будет ебатни - аля видрил
rutube.ru/video/83b0d17bc4e2fe9ce91e2c93b1b8c9a5
Аноним 27/11/25 Чтв 10:45:46 585685 472
>>585616
Я конечно нашел схему Marantz PMD 222. Нашел на схеме генератор, нашел стирающую головку. До этого откопал схему Marantz PMD 221, поржал, как ERASE првератилось в EARSE и потом в EARTH HEAD :)))) Всё там конечно и возможно, обыкновенный потенциометр включенный последовательно со стирающей головкой решит все задачи.

Но с тобой связываться не буду, попросту потому что ты полностью безумен для этих дел.
Взять скачать какой-то левый файл из интернета и выдать мне его... Ну его нахуй. Ебись как знаешь, а я умываю руки.
Аноним 27/11/25 Чтв 10:55:00 585686 473
image 109Кб, 964x1280
964x1280
>>585683
Если проводок не звонился может надо было его вытащить а не отрезать. Может это он. Вообще песец конечно вмятины на новых динамиках? С таким качеством сборки там может быть что угодно где угодно внутри. Ну ты вроде сам соображаешь, так что решай.
Аноним 27/11/25 Чтв 10:56:33 585687 474
>>585686
Извиняюсь за эту шлюху, как-то случайно прикрепилась
Аноним 27/11/25 Чтв 11:06:02 585688 475
>>585623
Вяло-лениво присоединюсь. Тебя можно понять. Ты пытаешься экипироваться для того чтобы не было проблем и потом типа не бегать. Но это вся зависит от того что ты будешь делать потом. Штучно паять пищалки, мигалки, визжалки, бренчалки? Которым пох что там реально впаяно? Тогда возьми набором, все же лучше чем бегать. Набор-то сильно дорогой?
Возьми набор, лишним не будет. Конечно потратишь скорее всего деньги зря и он будет валяться, но лучше так, чем никак.

Просто попросту пока ты не сверишь детали с реальными схемами и не прочекаешь свои реальные схемы, всё бессысленно. У тебя всегда будет рассогласование - для схемы требуется одно, а у тебя физически есть другое.

Также, наверное на первое время тебе вообще лучше брать полностью готовые наборы (приёмников и прочей хуеты. А, ну да, и бессмертной ЁЛОЧКИ конечно же, как же без нее). Ну там все-все-все детали внутри с печатной платой. А иногда и корпус для поделия. НО к сожалению, полноценные наборы есть наборы. Его собрал и деталей от него не остается. И также засада - отломилась у тебя допустим нога, а замены нет...

Но если делать что-то самое лучшее, то готовься к тому что этот процесс заполнения лабы будет нелегким и не быстрым. Это выглядит так - ты берешь с запасом радиодетали для проекта и у тебя остаются остатки. Из этих остатков потом и сформируется набор для лабы.

И еще. Обычная ошибка весьма дотошного человека в том, что он обычно пытается найти все компоненты до буквы. Но тебе сразу надо знать как "варятся" ну скажем транзисторы и диоды. На производстве (по крайней мере китайском) никто не производит скажем такой-то и такой-то транзистор. Как? Они его не умеют производить. И потом, после того как сварят кристалл, они смотрят какие у него примерно получились параметры и соответствующим образом маркируют.

Я тебе к тому, что на самом деле в любительской электронике детали можно очень широко заменять зная базовые характеристики. Не надо скажем иметь 40 номиналов низкочастотных маломощных транзисторов. Можно иметь всего лишь штук пять. Ну по типу как в совке обходились несколькими "универсальными", маломощными КТ315/КТ361, КТ3102.
Средней мощности КТ814/КТ815, высокой мощности КТ805 и этого хватало на 99% поделок. Утрирую, но оно примерно так.
Аноним 27/11/25 Чтв 11:49:35 585690 476
>>585648
Хуясе. Тоже так хочу.
Как?
Аноним 27/11/25 Чтв 11:51:38 585692 477
>>585623
>а, то есть: сначала находим/придумывем схему. потом покупаем детали по мере надобности. понял. мне тоже кажется что наборы это сомнительно. просто живу буквально в мухосранске, где нет возможности пойти и купить нужное поштучно.

ужа давно сть списки того что стоит иметь в наборе для минимального прототипирования(достаточно погуглить). Ну а вообще, мигать диодом в симуляторе не намного скучнее чем паять в реальности
Аноним 27/11/25 Чтв 12:00:23 585694 478
>>585687
Не извиняйся, прикрепляй еще. Хорошая, ухоженная женщина. Или дай ссылку на раздел где ты их прикрепляешь.
Аноним 27/11/25 Чтв 13:43:24 585700 479
>>585694
>мужеподобная орчиха
>Хорошая, ухоженная женщина
Аноним 27/11/25 Чтв 13:51:15 585702 480
>>585688
>приёмников и прочей хуеты. А, ну да, и бессмертной ЁЛОЧКИ
в чем вообще смысл этих елочек и готовых приемников? это же просто развлечение вроде сборки лего
Аноним 27/11/25 Чтв 13:56:23 585703 481
>>585702
Не готов это обсуждать. Кому-то хоть так, чем никак.
К тому же откуда ты знаешь, может потыкает паяльником, поплавит припой, подымит флюсом и на это сочтет что его гештальт закрыт. И расслабится.
Все разное знаешь ли.
Аноним 27/11/25 Чтв 14:04:48 585704 482
>>585681
А почему стрелочка показывает куда-то на жопу-крестец и подписано "хранилище времени"?
В чем прикол?
Аноним 27/11/25 Чтв 14:13:18 585705 483
>>585703
>Все разное знаешь ли.
Но точно не електроника. Здесь важно что бы номиналы были в предела допуска. Если тебе важн оразное займись художесвенным искусством.
Аноним 27/11/25 Чтв 14:36:22 585708 484
и почему говорят что в реактивном сопротивлении ток и напряжение по фазе отстают друг от друга именно на 90 градусов? это отставание же должно зависеть от параметров конденсатора и катушки. например если эта катушка будет обладать маленькой индуктивностью, то емкостное сопротивление упадет быстро и отставание по фазе будет маленьким
Аноним 27/11/25 Чтв 14:40:38 585709 485
>>585708
>именно на 90 градусов?
Потому что производная синусоиды это косинусоида, которая сдвинута на 90 градусов. Вот и все.
Аноним 27/11/25 Чтв 14:48:41 585711 486
>>585709
а причем тут это? градусы же, если я правильно понимаю, зависят от параметров конденсатора/катушки. то есть правильнее бы было говорить что ток просто быстрее/медленнее напряжения.
Аноним 27/11/25 Чтв 14:56:32 585712 487
>>585711
>зависят от параметров конденсатора/катушки
Ну да. Но ты привел 90 градусов, которое имеет отношение только к простому элементу, для цепи из индуктивности и емкости формула будет иная.
Аноним 27/11/25 Чтв 15:47:41 585714 488
пиздец это сложно. вот вы когда изучали электронику, допустим взяли искусство схемотехники, спокойно прочитали параграф о реактивных элементах, rc цепях и так далее, и начали скажем интуитивнопонимать всю эту дифференциальную поебень, строить графики в голове и так далее?
Аноним 27/11/25 Чтв 15:53:49 585715 489
image 132Кб, 960x1280
960x1280
image 178Кб, 1280x853
1280x853
image 137Кб, 1280x1280
1280x1280
image 117Кб, 928x1280
928x1280
>>585714
Нет, ибо оно нафиг не надо в 99.9% случаев

>>585704
Да стырили мем про карлсона с двача, и форсят теперь. Ебаные нормисы, ничего своего нет.
Аноним 27/11/25 Чтв 15:55:16 585716 490
>>585714
>интуитивнопонимать всю эту дифференциальную поебень

John von Neumann once said, "Young man, in mathematics you don't understand things. You just get used to them."
Аноним 27/11/25 Чтв 16:05:56 585717 491
>>585715
>Нет, ибо оно нафиг не надо в 99.9% случаев
всмысле не нужно? а как тогда строить схемы если не понимаешь как оно работает?
Аноним 27/11/25 Чтв 16:07:51 585718 492
>>585717
С пониманием этого ты не станешь строить схемы.
Аноним 27/11/25 Чтв 16:13:29 585720 493
>>585718
а как тогда их строить? как можно допустим правильно вставить в схему rc цепь если не понимаешь как она повлияет на ток/изменит скажем зависимость тока от напряжения
Аноним 27/11/25 Чтв 16:42:02 585721 494
>>585720
Никак, только повторять за другими. Делать схемы могут только две калеки на все планету, да и те мертвы.
Аноним 27/11/25 Чтв 16:54:39 585722 495
>>585685
>Взять скачать какой-то левый файл из интернета и выдать мне его
Спасибо за информацию, может быть как-нибудь и повожусь с этой головкой. Я в этих схемах не понимаю НИ-ХУ-Я, передо мной можно положить любую схему от любого вентилятора и никогда в жизни не пойму, в чем подвох. Мое сообщение - "я только такую схему нашел" означает, что я не нашел ничего толкового, этот обрывок схемы я нашел на форуме, где челы обсуждали этот marantz. Спасибо, что поискал и разобрался. Где искать все эти чертежи и как понять, что я нашел именно то, что нужно я вообще не знаю.

>>585636
Ну потому что это весело, что мне еще тебе ответить? Какого-то глубинного, тайного смысла в этом нет.
Аноним 27/11/25 Чтв 18:41:42 585726 496
>>585646
>просто прийти в дикпик ножками топ топ
А что ты тогда вообще жалуешься?!
А про
>200 транзисторов
это нормальная практика. Взял мешок и не паришься, пока не закончится.
Аноним 27/11/25 Чтв 18:46:31 585727 497
>>585722
>Ну потому что это весело
Ну так веселись сам, зачем анона заставлять "веселиться"?
Аноним 27/11/25 Чтв 18:47:51 585728 498
>>585727
>заставлять
Отлично подобраное слово. Лучше и не придумаешь.
Аноним 27/11/25 Чтв 18:57:13 585729 499
>>585714
"Искусство схемотехники" (несмотря на название!) хуёвое тем что очень бессистемное. Оно может канать как общее введение, но по нему тяжело научиться проектировать схемы, оно этому не научит, нечего даже и думать. Охват у него огромный, но на многих конкретных аспектах не останавливается, там будет 1 строка и не более.
Окей, продемонстрирую это конкретикой. Известно, что транзисторных схем три: ОЭ, ОБ (общая база), ОК (общий коллектор). И где же конкретное явное заявление об этом?
Схема с ОБ в главе о транзисторах вообще не рассматривается! Вскользь упоминается, но не более того. А где таблица характеристик ОЭ, ОБ, ОК? Где варианты их согласования? Где конкретика расчета? Всего этого нет. Пэтому The Art of Electronics конечно обязательна, но не надо думать что прочитав её ты сможешь спроектировать что-то конкретное. Это очень общий информационный материал, общий информационный курс, даже учитывая ВСЕ книги, "теорию и практику", X-Chapters и т.д.
Аноним 27/11/25 Чтв 19:02:41 585730 500
>>585729
Можно не тратить время и сразу начинать с титце.
Аноним 27/11/25 Чтв 19:37:28 585731 501
YTDown.comShort[...].mp4 5451Кб, 1080x1920, 00:00:20
1080x1920
Насколько хуёвая идея купить чпу гравер только чтобы изготавливать печатки? ЛУТ конечно прикольная тема, и для моих размеров точности хватает, но каждый раз доёбывать знакомых с лазерным принтером, а потом пердолиться с кислотой уже поднадоело, и на балконе как раз есть свободный квадратный метр который можно накрыть клеёнкой.
Аноним 27/11/25 Чтв 19:58:09 585732 502
>>585731
На видео фотошоп, если что.
Аноним 27/11/25 Чтв 20:11:53 585734 503
Ананасы, есть вопрос.
Прозвонил трансформатор инвертора, половина первичной обмотки погорела, похоже. Это из-за перегрузки? Что с таким делают? Перематывают или обоссывают и выкидывают?
Аноним 27/11/25 Чтв 20:12:39 585735 504
>>585731
>> доёбывать знакомых с лазерным принтером

На авито взять Б/У лазерный принтер?

Кислотой?
Аноним 27/11/25 Чтв 20:41:01 585738 505
>>585729
что читать тогда?
Аноним 27/11/25 Чтв 20:58:47 585740 506
>>585732
Не, оно ещё до всех этих нейросеток было. Там просто ебанина за пять штук баксов рекламируется, я просто думаю, а нельзя ли чем-то побюджетнее в тридцать проходов чёто похожее делать, особенно если не жечь всю пластину, а только линии в фольге вокруг дорожек, как на фрезере

>>585735
Он мне кроме ЛУТа больше нахуй низачем не нужен был бы, да и с картриджами к ним сейчас всё плотнее гайки закручивают

Ну обычной такой кислотой, платы травить. Хлорное железо, лимонная кислота с перекисью, вот это вот всё. Уже не фоторезист по количеству ебли, но почему бы сразу не убирать медь уже на стадии нарезки и не искать потому куда безопасно слить реактивы
Аноним 27/11/25 Чтв 21:04:55 585741 507
>>585740
>Не, оно ещё до всех этих нейросеток было
Чел. Это фотошоп. ИФ спект не поглощается медью почти никак.
Аноним 27/11/25 Чтв 21:14:25 585742 508
>>585741
Так это и не инфракрасный лазер для фоторезиста и фанеры, это бандура киловаттная для гравировки произвольного железа
Аноним 27/11/25 Чтв 21:18:26 585743 509
>>585742
>бандура киловаттная
этого очень мало
Аноним 27/11/25 Чтв 21:19:24 585744 510
>>585743
Для фольги в несколько проходов хватает, очевидно
Аноним 27/11/25 Чтв 21:21:25 585745 511
>>585744
Очевидно что это фотошоп
Аноним 27/11/25 Чтв 21:25:19 585746 512
>>585745
Это обычный лазер, ёпта. Таких видосов вагон кругом, что в выжигании фольги такого сверхъестественного, кроме всратого монтажа с телефона?
https://youtu.be/PoYcjyghDx4?t=2048
Аноним 27/11/25 Чтв 21:40:17 585747 513
>>585731
Проблема в том, чтото не сильно лучше чем лут. Ты не сможешь сделать больше двух слоев. Ты не сможешь с разумными усилиями сделать металлизацию переходных отверстий. Так что это только для совсем простых плат сгодится. Но для простых и так есть лут.
А для такого как на видео - макетки более чем достаточно.
Аноним 27/11/25 Чтв 21:40:38 585748 514
>>585746

Где-то натыкался на вариант прожигания фольги электродугой на координатном станке.
Аноним 27/11/25 Чтв 21:42:39 585749 515
>>585727
>заставлять
Хуя я эксплуататор. Вам приходила в голову мысль, что если вы чего-то не хотите делать, можно просто не делать? А не за каким-то хуем полезть куда-то, чтобы потом высрать стену текста о том, как вам было сложно и плохо?
Аноним 27/11/25 Чтв 21:44:36 585750 516
>>585747
Мне второй-то слой не всегда нужен, а проблемы лута лично для себя я уже описал - это надобность надевать штаны и идти куда-то из дома, и возня с реактивами, потенциальная возня с пылесосом выглядит сильно проще.

Макетка для этого ещё хуже, сидишь усираешься с тем чтобы насовать дорожек из отбраковки, и при любой попытке что-то поправить или поменять у тебя половина схемы налипает на паяльник и спрыгивает с платы вместе с ним.
Fantastic 27/11/25 Чтв 22:24:12 585752 517
Подскажите что нужно ставить до трансформатора в линейном БП кроме естественно предохранителя? Хочу вкорячить варистор и термистор (хочу конденсатор ебанистический в 22000мкФ, там бросок тока будет). LC фильтр желательно? И как подобрать номиналы LC?
Аноним 27/11/25 Чтв 22:40:14 585755 518
>>585752

Что ты питать собрался?
Аноним 27/11/25 Чтв 22:58:17 585757 519
>>585755
Малюсенький усилитель.
Аноним 27/11/25 Чтв 23:09:03 585758 520
Аноним 27/11/25 Чтв 23:10:56 585759 521
>>585752
Не страдай хуйнёй, не слушай поехавших аудиофилов. Бери любой блок питания, который по напряжению подходит.
Аноним 28/11/25 Птн 02:16:39 585768 522
>>585759
Хочу пострадать и сам сделать. А где тут аудиофилия? В предохранителе? В наших сетях варистор 100% нужен, термистор так же при такой ёмкости не грех поставить. Вопрос только в LC фильтре, насколько он нужен. Мне как раз не нужны излишние заморочки, но и слишком по простому-колхозному тоже делать не хочется.
Аноним 28/11/25 Птн 02:17:58 585769 523
>>585758
Не, другой, ~ на 10 Вт.
Аноним 28/11/25 Птн 06:21:36 585773 524
>>585768
>В наших сетях варистор 100% нужен
БИНГО!
Аноним 28/11/25 Птн 09:57:05 585777 525
image 30Кб, 700x700
700x700
image 80Кб, 671x914
671x914
image 125Кб, 1053x1053
1053x1053
image 100Кб, 736x1074
736x1074
Сап аноны. Есть некоторое количество б/у тиристоров типа т500 и т1000 пикрил. У них управляющий электрод звонится накоротко на один из других. Это нормально или они все дохлые?
Аноним 28/11/25 Птн 11:01:20 585778 526
>>585769
В норм. усилителях ставят pc1237 : 5 в 1 - защита и 4 сек. на включение
Аноним 28/11/25 Птн 13:30:35 585781 527
175562134451271[...].jpeg 191Кб, 720x935
720x935
А как такое реализовать, кстати? Просто любопытно. Там моторчик какой-то или что?
Аноним 28/11/25 Птн 13:36:56 585782 528
>>585781
Какой нахуй моторчик? Это тормоз с велика. Всё, что он делает - тянет. В бачке переусложнённая пробка, которой заткнут слив с поплавком и кнопкой. Всё.
Аноним 28/11/25 Птн 14:03:15 585783 529
image 92Кб, 640x853
640x853
image 95Кб, 735x730
735x730
image 131Кб, 850x1202
850x1202
Аноним 28/11/25 Птн 14:24:28 585784 530
сап, б/ra/тья. как вкатиться в радиоэлектронную промышленность в этой стране? по каким направлениям нужна вышка, есть ли скажем возрастное ограничение на вход и так далее?
Аноним 28/11/25 Птн 14:32:17 585785 531
image 73Кб, 444x573
444x573
image 47Кб, 450x600
450x600
>>585784
Если ты рабом пойдешь, то там медкомиссия может быть и разумеется 18+, а какое образование надо звони узнавай. Монтажником на месте обучат.

Если на себя то похер всем, главное нологи плоти
Аноним 28/11/25 Птн 15:57:29 585787 532
>>585782
Я конкретно про кнопку слива спрашивал, думал, может, там кнопка куда-то вниз отъезжает. А она просто наверх типа тянется? И что за переусложнённая пробка?.
>>585783
Эту картинку вообще-то кто-то выше вбрасывал, а мне просто интересно стало.
Аноним 28/11/25 Птн 16:05:39 585788 533
>>585734
>первичной
Низковольтной, соответственно.

Бамп.
Аноним 28/11/25 Птн 16:11:29 585789 534
>>585782
Только поплавок на вход, пробка на выход.

>>585787
Можно загуглить, картинок полно.

мимо
Аноним 28/11/25 Птн 16:32:17 585791 535
image 53Кб, 811x419
811x419
image 39Кб, 604x339
604x339
image 196Кб, 881x1280
881x1280
image 72Кб, 1080x1068
1080x1068
>>585788
Можно попробовать поискать термопредохранитель внутри. Если повезет то замыкаешь его и пользуешься дальше. А насчет перемотки сам думай, целесообразно ли это и не дешевле ли купить б/у инвертор
Аноним 28/11/25 Птн 17:07:50 585792 536
image.png 127Кб, 379x671
379x671
>>585789
Да, про поплавок спизданул, каюсь. Тогда пробка с рычагом и переливом.
>>585787
>переусложнённая пробка
На, заебал. По факту - рычаг при нажатии на кнопку приподнимает ту самую пробку. Я надеюсь, ты не будешь спрашивать какой магией трос зацепили?
Аноним 28/11/25 Птн 19:43:24 585799 537
>>585792
> какой магией
Той же, которой фаерболлы запускают? Поясни, пожалуйста.
Аноним 28/11/25 Птн 19:51:19 585800 538
>>585791
Охренеть, бро, ты гений. Без сарказма. Как говорится, век учись - век дрочись.
Осталось понять, как разобрать (и потом собрать) эту паскуду, чтобы заменить предохранитель, ну и лавсан намотать поверх, я его нимношк порезал (больше похоже на дестрой корги против капусты, но всё же).
Аноним 28/11/25 Птн 19:58:36 585801 539
>>585749
>Вам приходила в голову мысль
А Вам приходила в голову мысль, что голова на то и голова, чтобы самой погуглить, определиться, попробовать.
А вот когда не получилось, тогда можно и совета спросить!
Аноним 28/11/25 Птн 20:00:38 585802 540
>>585750
>Вам приходила в голову мысль
Нахуя? Ты рукожоп?
Я вот спокойно всё травлю хлорным железом на кухне, ни от кого из родных и близких претензий не было!
Аноним 28/11/25 Птн 20:06:57 585803 541
>>585802
Дело не в рукожопстве, 0.2 дорожки спокойно лимонной кислотой травятся, дело, повторяю, в том чтобы выходить из дома чтобы вообще стартовать этот процесс. И вместо принтера, который не сдохнет просто от лежания на полке, и будет эту полку занимать, я подумывал о каком-нибудь станке который вообще весь процесс может делать без того чтобы в пять операций делать один сраный прототип.

Энивей, уже нашёл у кого спиздить китайский фрезер с лазерной насадкой, потом отрапортую если эта затея с вообще работает на малых мощностях, или им только контакты из маски вырезать удобно.
Аноним 28/11/25 Птн 20:08:09 585804 542
image.png 1654Кб, 2000x1500
2000x1500
Хочю починить телефонный аппарат
Он принимает входящие звонки, но номер перестал набираться, ни одна кнопка не работает
С чего начать, я вообще ни в чем не разбираюсь
Аноним 28/11/25 Птн 20:19:42 585806 543
>>585804
Взорвать тушку и посмотреть что там оторжавело. Скорее всего тупо шлейф от нумпада отгнил, иногда можно отрезать гнилой кусок и вставить поглубже внатяжку, иногда нет. А может тебе повезёт и только общий контакт повредило, и какая-нибудь токопроводящая краска его реанимирует.
Аноним 28/11/25 Птн 20:38:33 585808 544
image 143Кб, 1076x1090
1076x1090
image 138Кб, 822x1200
822x1200
>>585800
Обычно предохранитель прямо под скотчем, разрезаешь слой за слоем и смотришь. Менять нах не надо, пред в трансе - это идиотизм. Запланированное устаревание. Они и в обогревателях через год по кд отлетают. Лучше охлаждение улучши.
Аноним 28/11/25 Птн 20:57:54 585809 545
>>585808
Спасибо за совет.
С охлаждением понятное дело, но мне кажется, что какой-то смысл в предохранителе был, типа если он реально перегреется выше своего полагаемого температурного класса, как раз тот сработает (так и вышло). До него я добрался, прозвонил, сам он утоплен вглубь в изоляции, можно (по идее) даже не доставать, поверх него кинуть толстый провод, но вот изоляцию со стороны низковольтной обмотки я порезал, теперь надо как-то замотать по человечески.
Аноним 28/11/25 Птн 21:03:10 585810 546
>>585809
И в первом посте вольное допущение: похоже, предохранитель на средней точке, я не стал разбираться дальше, удовлетворился самим фактом, а так порезал и вроде понятно.
Аноним 28/11/25 Птн 21:25:05 585811 547
вот кто то сказал что чтение искусства схемотехники, понимание работы элементов в виде уравнений/графиков не нужно. а вы сможете обьяснить как работает например обычный мультивибратор? вот прям точно и подробно
Аноним 28/11/25 Птн 21:36:16 585812 548
Аноним 28/11/25 Птн 22:16:52 585815 549
>>585810
Медленнофикс, все туфта. Загугленные схемы вообще какая-то лажа. Посмотрел утуб, как раз это высоковольтная часть ограничена предохранителем, а толстые провода относятся к низковольтной обмотке (это даже логично, ведь там ток выше). Высоковольтные обмотки разные по сопротивлению (у меня три хвоста, у индуса на утубе четыре). Остался последний вопрос, чем обмотать изоляционным, чтобы держало градусов хотя бы 80 и не плавилось.
Аноним 28/11/25 Птн 23:27:06 585816 550
>>585811
По ссылке которую тебе дали "точно и подробно" как всегда полное говно.
"Мультивибратор" это просто усилитель (два транзисторных каскада) охваченный положительной обратной связью с выхода снова на вход.
Аноним 28/11/25 Птн 23:33:58 585817 551
>>585811
>> вот кто то сказал что чтение искусства схемотехники,
>> понимание работы элементов в виде уравнений/графиков не нужно.

Выше я кое-что писал о AoE. >>585729
Но рекомендую сообщение прочесть внимательно.

Также, в оригинале оно называется вовсе не "Искусство СХЕМОТЕХНИКИ", а "Искусство именно ЭЛЕКТРОНИКИ". Электроники. "Схемотехники" никто там не обещал.
Аноним 29/11/25 Суб 15:48:18 585825 552
По своему опыту могу сказать, что лучший учитель - не книги, а симулятор.
Аноним 29/11/25 Суб 16:50:16 585827 553
>>585825
Один или ты несколько используешь? Какие симуляторы тебя вдохновляют?
Аноним 29/11/25 Суб 17:30:19 585828 554
>>585825
ну и че ты собираешься делать в симуляторе если ты не знаешь что делают элементы? максимум посмотришь график напряжения но лично мне это ни о чем не говорило
Аноним 29/11/25 Суб 18:50:18 585829 555
>>585827
>>585828
Симулятор позволяет "на практике" потыркаться в разные схемы, начиная от простейших азов. Он даёт наглядность. Понимание будет приходить постепенно, входной уровень - закон Ома и 1-е правило Кирхгофа. Книги, конечно, тоже нужны, но вместо дроча с горой формул, можно получить желаемое эмпирическим путём, играясь с номиналами и/или моделями элементов. Для аналога нет ничего лучше LTSpice, а для цифры хорош протеус. Для любителя-ремонтника этого более чем достаточно.
Не, если вы метите в инженеров-конструкторов ракетной техники, то вышка, тонна литературы с формулами, матлаб и специализированные КАДы - ваш путь. Тут спору нет.
Аноним 29/11/25 Суб 20:10:47 585830 556
>>585815
Ну что, слабоумие и отвага, часть следующая.
Надо было кинуть соплю прямо поверх провода паралелльно, но проклятый перфекционизм заставил выпаять ноги предохранителя. На обратном процессе я узнал удивительную вещь: обмотка намотана омедненным алюминием, и медь с поверхности успешно сгорела. К такой хероте меня жизнь не готовила, кажется, проще будет выбросить его как есть, моток алюминиевой проволоки не годится даже огурцы подвязывать.
Аноним 29/11/25 Суб 20:42:47 585831 557
>>585777
Если 10-15 Ом, то нормально
Аноним 29/11/25 Суб 21:09:15 585832 558
image 114Кб, 1201x1280
1201x1280
image 124Кб, 581x1200
581x1200
image 137Кб, 853x1280
853x1280
>>585830
Да не было там меди никогда, лак цвета такого. Скрути, конец скрутки сдави
Аноним 30/11/25 Вск 03:14:56 585839 559
>>585731
Я только лазером и делаю.
Но на видео хуита какая-то. Лазер который сносит медь и режет текстолит – это уровень тяжелого машиностроения.
Нормальная техника такая:
Покрываешь плату краской, любой из баллончика на отъебись.
Сжигаешь эту краску.
Травишь.

Так же можно паяльную маску накладывать. Но у меня пока не получалось.

>пердолиться с кислотой уже поднадоело
Пердолься с перекисью водорода и лимоной кислотой.
Это говно хотя бы в быту пригождается и не уничтожает то что не надо.
Аноним 30/11/25 Вск 10:35:54 585840 560
>>585839
Лимонная кислота для тебя уже не кислота?
Аноним 30/11/25 Вск 16:08:57 585847 561
>>585840
Нет, я её даже пью и ем.
Аноним 30/11/25 Вск 16:12:07 585848 562
>>585750
>Мне второй-то слой не всегда нужен
Тогда и макетки вероятно достаточно. Не понимаю зачем для такого примитива вообще плата нужна.
Аноним 30/11/25 Вск 17:09:06 585850 563
>>585829
Не ожидал прочесть про LTSpice.
Спрашиваю потому что LTSpice у меня стоит и он мне не показался простым и интуитивно понятным. Думал будет предложено нечто иное, хотя бы falstad.com/circuit/
аноны тут его начали использовать (хочу верить что с моей подачи).
Аноним 30/11/25 Вск 17:09:44 585851 564
>>585848
Чтобы не делать дорожки руками, только чтобы они потом от платы отклеивались. Один резистор от земли пытаешься отпаять - за ним вся "земляная" палка слетает нахуй, я вообще не понимаю как на макетке чёто делать, если заранее не ебаться с выгибанием ног, которое потом отпаивать будет ещё веселее.
Аноним 30/11/25 Вск 17:21:45 585852 565
>>585839
>> Лазер который сносит медь и режет текстолит – это уровень тяжелого машиностроения.

И сразу вытяжку-хобот надо делать на улицу и на крышу.
Аноним 30/11/25 Вск 17:25:33 585853 566
>>583673
Ultra Vision (это их название DPO чтобы обойти патентный иск) всегда включено и нигде не выключается на Rigol DS1054Z и Rigol MSO5074.
Аноним 30/11/25 Вск 18:34:34 585856 567
>>585531
>килоамп
то есть чтобы зажечь 100 белых светодиодов нужно 300 вольт?
Аноним 30/11/25 Вск 19:02:02 585857 568
>>585803
>принтера, который не сдохнет просто от лежания на полке
Почему он должен сдохнуть? Специально для этого держу laserjet1020, он вполне справляется с задачей, в 0,2 кстати тоже может.
>подумывал о каком-нибудь станке
Тоже о нём подумываю. Отпишись по факту, очень интересно.
>>585802-анон.
Аноним 30/11/25 Вск 19:14:41 585858 569
>>585851
>чтобы они потом от платы отклеивались
Ты что-то делаешь не так!
Аноним 30/11/25 Вск 19:15:11 585859 570
IMG202511301900[...].jpg 3578Кб, 4096x3072
4096x3072
IMG202511301901[...].jpg 4180Кб, 3072x4096
3072x4096
Есть простой вариант включить такую вспышку вручную и чтоб работало от кнопки? Как я понял, там igbt транзистор в разрыв минуса кондера и минуса трансформатора и минуса от лампы. Т.е одновременно подается питание и управляется вторым чипом fh=ch. А как заряжается большой кондер? Там вроде квадратный дроссель или тоже транс импульсный. Он скорее всего повышайка для кондера. Как это запустить
Аноним 30/11/25 Вск 19:17:56 585860 571
image 38Кб, 640x752
640x752
image 164Кб, 1280x800
1280x800
>>585859
Найди схему На фотик такой или похожий и там посмотри как оно удачи
Аноним 30/11/25 Вск 19:40:29 585862 572
>>585856
Если последовательно, то да. Но это крайне хуевая идея из-за того что ни один электронный прибор не ведет себя постоянно при изменении температуры, и в итоге случится тепловое убегание, один из приборов в цепи сгорит.
Аноним 30/11/25 Вск 19:42:25 585863 573
>>585859
Пока ты не составишь схему, не поймешь.
Аноним 30/11/25 Вск 19:47:25 585865 574
20251130194005.jpg 5380Кб, 3468x4624
3468x4624
20251130193958.jpg 5418Кб, 3468x4624
3468x4624
>>585857
Я не ебу почему, но у меня ни один принтер дольше года-двух не жил пока я в старшей шкиле и универе ими пользовался. До наших дней дожил только один древнючий сапог, выпущенный ещё до того как придумали бухтеть на перезаправку из шприца, но он щас у брата. Порой подумываю на авито тоже купить какого-нибудь похожего лазерного мамонта, к которому ещё выпускаются картриджи и положить рядом молоток на всякий случай, но опять же, место на полке плюс каждый раз переться в магнит за куда-то потерянной лимонной кислотой. Одно только разглагольствование итт уже отбивает всё желание паяльник в руки брать, чтобы условно один час потратить только на то чтобы перепроверять свою косорукую пайку, и только потом уже чёто полезное делать.

>>585858
Ну вот к примеру обычная мигалка, совать в неё tl072 и смотреть не выбило ли его статикой. Чтобы заменить хоть один элемент в ней, особенно посередине, надо прогреть всю линию, и смотреть как то всё друг за друга цепляется, то уползает, то радостно выпрыгивает из платы. Вон у неё на жопе уже видны следы пересборки, лол. Это можно было бы решить печаткой с продольными полосочками, но схема получается нихуя не компактная, либо её раза три перерисовывать под перемычки и перерезанные полосы.
Аноним 30/11/25 Вск 20:11:21 585867 575
>>585863
Вот этот T4V это дроссель или транс? Я уверен, что это повышайка для зарядки 300в кондера, но я не вижу обвязки для импульсной схемы. Может шим в этом маленьком чипе или он на основной плате. Фотик не включается, я хуй как проверю, где приходит питание
Аноним 30/11/25 Вск 20:21:04 585868 576
>>585867
опыта нет у тебя, но это наверстать можно
Питание это широкие дороги. Тонкие - сигнальные.
Вон та самая широкая дорога это наверняка земля.
Аноним 30/11/25 Вск 20:53:00 585870 577
>>585865
Для таких мелочей как у тебя достаточно breadboard
Аноним 30/11/25 Вск 20:57:26 585871 578
>>585870
Никакущая виброустойчивость и цены неоправданные даже за говно. Я этой мелочью второй год пользуюсь, как ты представляешь пинание бредборда по столу так чтобы он выжил хоть полдня?
Аноним 30/11/25 Вск 20:58:36 585872 579
>>585832
Вообще, остальные концы припаяны, похоже на омеднение.
Может быть так и попробую, я тут погуглил про скрутки и вроде как пара ПОС-алюминий имеет низкую электрохимическую разность и не отгорит, но проверять чет не хочется.
Аноним 30/11/25 Вск 21:31:29 585873 580
кибердик2.webm 6298Кб, 1280x720, 00:00:59
1280x720
>>585865
Купи там же на авито лазер блять. Или ушатанный фотополимерный 3д принтер, им можно фоторезист отлично засвечивать без шаблонов.
Принтерами и ЛУТом пользовались потому что принтер и глянцевый журнал был у каждого под рукой. В без-месяца 2026м уже 3д принтер дома стоит чаще чем 2д принтер.
Забудьте нахуй эти технологии дедов, на кой хер вам покупать ебаный музейный экспонат только ради плат?
Берите гравер, он ещё кучу всяких пиздатых вещей сделает. Или фотополимерник, будете кошкодевочек печатать и дрочить на них.

Хлорное железо и соляную кислоту туда же на свалку истории.
Аноним 30/11/25 Вск 23:33:48 585878 581
image.png 176Кб, 353x446
353x446
Мне вот часто попадаются такие вот платы с юсб-ц. И у меня возник вопрос, а зачем юсб-ц 24 пина, если потом они всё равно выходят на 4 выхода?
Аноним 30/11/25 Вск 23:42:14 585879 582
>>585878
Потому что решили присрать дисплеи, pci-e шину и аудио джек в спеку разъёма, а пользоваться в итоге четырьмя на 2.0 скоростях
Аноним 30/11/25 Вск 23:42:35 585880 583
>>585878
Что бы глупые вопросы на дваче задавать. Иди на педивикию и прочитай, йопта.
Аноним 30/11/25 Вск 23:58:39 585881 584
>>585871
>он выжил хоть полдня?
Не знаю что ты делаешь, и что ты туда тыкаешь, у меня есть рабочая доска, которой лет 8, не меньше. Может в этом все дело, так как качество по соотношению к цене упало.
Аноним 01/12/25 Пнд 00:04:13 585882 585
>>585878
>юсб-ц 24 пина
Потому что оно идет симметрично с двух сторон, а это уже 2*12.
Потом, у тебя по два пина питания и земли, осталось 8
Две пары для передачи, -4.

Осталось 4 пина
пара на Д+-(это то что медленный усб, совместимый со старым стандартом) и два контрольных.
Не так и много.

У тебя на пике не полный усб, а только Д+-
Аноним 01/12/25 Пнд 00:19:27 585883 586
>>585878
Эта хуйня у тебя даже работать по Type-C кабелю не будет.
Аноним 01/12/25 Пнд 00:44:38 585884 587
>>585883
Будет аж бегом. Вон та перемычка в центре на месте, значит где-то на обратной стороне резисторы, задающие режим подключения.
Аноним 01/12/25 Пнд 00:57:11 585886 588
image.png 138Кб, 343x424
343x424
>>585884
На алишке всем всё нравится.
Аноним 01/12/25 Пнд 01:19:06 585887 589
image.png 37Кб, 487x74
487x74
>>585886
Ну значит вместо резисторов тупо перемычки. Чтобы работать в максимально тупом режиме 2.0 хоста достаточно СС1 и CC2 притянуть к линии +5, скорее всего где-то под корпусом гнезда идёт дорожка, на обратной стороне, где клиентское устройство, они будут на землю притянуты, провод без резисторов будет греться как мразь, но должен какое-то время работать.
Аноним 01/12/25 Пнд 01:36:53 585888 590
>>585887

Это для кабелей USB-A->USB-C
Аноним 01/12/25 Пнд 01:52:07 585889 591
>>585888
Это для любых кабелей
Аноним 01/12/25 Пнд 01:59:55 585890 592
>>585889
USB-C<->USB-C устройства на другом конце могут не понять кем надо быть, хостом или девайсом.
Аноним 01/12/25 Пнд 02:03:40 585891 593
>>585890
Буквально для этого ты и должен притягивать CC1 и CC2 к земле или плюсу, причём достаточно одного устройства, второе само поймёт что там на другой стороне если там полноценное гнездо. Если неполноценное, там уже по более дубовому четырёхпиновому протоколу договорятся.
Аноним 01/12/25 Пнд 04:19:41 585892 594
>>585887
>скорее всего
Заебал, тебе уже чёткие фото всей схемы из трёх с половиной дорожек принесли.
Нихуя там нет, самый парашный копеечный разъём пригодный только для мусорки.
Аноним 01/12/25 Пнд 06:17:52 585894 595
image 201Кб, 1019x1280
1019x1280
image 75Кб, 510x641
510x641
image 191Кб, 731x1280
731x1280
Аноны а как обычно работает детектирование фронта/среза в микроконтроллерах. Вот запрогал я на детект фронта. И чо. Оно каким-то триггером шмидта детектится железными или на проце работает и все же короткий импульс может между тактами пролезть?
Аноним 01/12/25 Пнд 10:34:57 585899 596
>>585892
Вторая половина схемы под разъёмом, никогда такого не встречал чтоли?
Аноним 01/12/25 Пнд 11:50:10 585904 597
>>585894
>Оно каким-то триггером шмидта детектится железными
Читай RM на контроллер, там все расписано
Аноним 01/12/25 Пнд 13:07:58 585908 598
>>585894
Надо писать конкретику.
И ТШ бывают, и бывает это с высокой частотой синхронно пасётся, и бывает что асинхронно.
Пока ты не напишешь микроконтрллер, что и как ты делаешь - все ответы тебе будут из области бээээ мэээ.
Аноним 01/12/25 Пнд 13:27:18 585909 599
>>585908
>Пока ты не напишешь микроконтрллер, что и как ты делаешь
Как ты к этому пришел?

В цифровой схемотехнике есть "классические" схемы для определения изменения состояния с нуля на 1 и наоборот.
Аноним 01/12/25 Пнд 14:51:42 585910 600
image 506Кб, 1882x1476
1882x1476
image 89Кб, 981x1280
981x1280
image 199Кб, 1280x853
1280x853
>>585908
Rpi2040. Да хз чо я делаю, я не погромист.
Аноним 01/12/25 Пнд 18:21:51 585912 601
>>585865
>то уползает, то радостно выпрыгивает из платы.
Это потому что у тебя макетка говно! Не покупай гетинаксовые макетки и всё будет ЗБС!
Аноним 01/12/25 Пнд 19:42:44 585913 602
176460733887834[...].jpg 12Кб, 300x300
300x300
А какой более технологичный в домашних условиях способ пайки/починки гибких шлейфов? Три раза перепаивал ебанные джва куска шлейфов для починки, один дохуя держит температуру и требует поебаца с зачисткой, второй от любого пука начинает плавиться.
Аноним 01/12/25 Пнд 22:08:57 585921 603
>>585910
Ясно ARM.
1. NVIC не пропустит внешний сигнал и
2. прерывание поставит в очередь (pending).
Поэтому ничего никогда не будет пропущено.

А refman читать маловато как это выше написали. Надо читать ARM'овские доки по Cortex'у и NVIC.
Аноним 01/12/25 Пнд 22:10:25 585922 604
>>585913
Обычно тоненькими проволочками подпаиваются.
Припой нужно взять легкоплавкий.
Аноним 01/12/25 Пнд 22:16:31 585923 605
>>585922

Ну у меня благо шлейф симметричны A-B поломался, просто нашел кусок другого (белый с легкоплавкой изоляцией), зачистил оба (оранжевый скальпелем пошкрябал с одной стороны а у белого от паяла само облезало с обоих сторон) и в нахлест пропаивал три раза блеать.
Аноним 01/12/25 Пнд 23:05:37 585926 606
>>585913
Да никакой, замени к хуям и всё.
Лапшу из мгтф наварить проще чем это говно чинить.
Аноним 02/12/25 Втр 00:34:33 585931 607
2294754.jpg 22Кб, 380x380
380x380
Ковырял ли кто-то проекционные dlp телевизоры? А то тут есть один, без синего цвета.
Аноним 02/12/25 Втр 01:03:25 585932 608
176462645281450[...].jpg 28Кб, 646x474
646x474
176462654453575[...].jpg 14Кб, 400x287
400x287
>>585931

Ты хоть узнай на какой конкретной технологии он сделан.
Аноним 02/12/25 Втр 01:24:18 585933 609
>>585931
>>585932
Первый пик. А так - отбой. Вывел тестовую картинку, а там все цвета съехали. Это программная проблема, решается через сервисное меню.
Аноним 02/12/25 Втр 04:05:12 585942 610
image 96Кб, 720x960
720x960
image 189Кб, 960x1084
960x1084
image 90Кб, 850x1190
850x1190
>>585933
Неужели тоже еепром слетел

>>585921
Спасибо!
Аноним 02/12/25 Втр 10:44:57 585949 611
>>585942
>Неужели тоже еепром слетел
Типа того. В настройках значение фазы для мотора с цветным колесом становится неадекватным.
https://forum-monitor.net.ru/threads/223388/
Аноним 02/12/25 Втр 13:26:11 585967 612
176467092142378[...].jpg 23Кб, 447x447
447x447
Анончики, а тут была фотка светодиода, ограненного как бриллиант, у кого-то из анонов. Очень хочу на это сокровище ещё раз взглянуть, никто не сохранил?
Аноним 02/12/25 Втр 13:45:25 585973 613
>>585949
Хех. В сервисном всё выставил, выключил-включил, а значение горизонтальной настройки подсъехало. Плюс, по экрану вертикальные полосы попёрли. Весело.
Аноним 02/12/25 Втр 14:25:33 585976 614
176467463306386[...].jpg 75Кб, 800x600
800x600
176467465314842[...].jpg 46Кб, 753x488
753x488
>>585967
В общем нашел, что искал. Причем просто и с одного запроса в нейросеть, вот до чего старая китайская техника дошла.
Называется hexagonal faceted led 6mm.

Продается на западных площадках, позже поищу где ещё есть.

А на алике ширпотреб уже, никакой экзотики там нет, там рынок крайне поменялся, не говоря о редких микросхемах, что я покупал.

Всем спасибо за внимание.
Аноним 02/12/25 Втр 15:49:06 585979 615
>>585976
>> там рынок крайне поменялся,

Не "рынок крайне поменялся", а Alibaba втихую без объявления войны и санкций забанили в Россию продажу электроники.
Оно всё есть и всё найдется, если выйдешь через VPN на aliexpress.com
Аноним 02/12/25 Втр 15:50:01 585980 616
>>585868
эти дорожки ведут на транс, а у транса обмотки почти КЗ. я если подключу, он просто лопнет
Аноним 02/12/25 Втр 16:04:24 585981 617
ADS1115DAC.jpg 49Кб, 800x414
800x414
Алё, тут кренделёчек был, собиравший voltage reference.
Видимо он хотел купить какой-то модуль многоразрядного АЦП, 24 или более бит. Какого АЦП?
Пост уже увы улетел. pic рандом
Аноним 02/12/25 Втр 16:07:16 585982 618
>>585980
>> он просто лопнет

Смотри внимательнее. Не могут дороги питания быть подкключенными напрямую к катушкам трансформатора.
Не может быть такой схемы.

И ты будешь очень долго дрочить вокруг и около, пока не начнешь рисоваь схему.
Рисуй схему. Это неизбежно. Иначе никак.
Аноним 02/12/25 Втр 16:07:45 585983 619
image.png 53Кб, 1011x586
1011x586
Аноним 02/12/25 Втр 16:12:55 585986 620
>>585982
Это дополнительная плата, припаянная к основной. Я предполагаю, что на основной плате обвязка для этого импульсного транса. Схему рисовать тяжело, там дорожки идут под компонентами, я забил уже на это дело
Аноним 02/12/25 Втр 16:50:28 585987 621
>>585973
Откинул телеку жопу, а там ад и израиль. БП общий отдельным блоком над камерой с лампой. DLP проектор, прикрученный к стальной плите здоровенными юстировочными болтами, на котором ещё и свой бп с умножителем для лампы. Электронные кишки телека собраны в отдельный выдвижной блок, который хрен вытащишь. Но самое интересное, что электроника телека соединена с проектором через DVI шнур. Как со всем этим говном разбираться я хз.
Аноним 02/12/25 Втр 17:06:09 585988 622
>>585983

DAC это ЦАП, я же интересовался АЦП.

Каких "этих задач"? Ты откуда взял "мои задачи"?
Я собирался просто потыкать палочкой в высокоразрядный АЦП, 24-32 бит.
Аноним 02/12/25 Втр 17:08:05 585989 623
>>585983
Но спасибо за попытку
Аноним 02/12/25 Втр 17:13:12 585990 624
>>585988
Я по диагонали читал, я думал тебе нужен референс и получать регулируемое напряжение с него.
Аноним 02/12/25 Втр 18:19:46 585994 625
>>585990
На самом деле тоже было интересно.
Аноним 03/12/25 Срд 09:01:14 586017 626
>>585979
А толку? Там большинство на глобале не доставляет в Россию - проверял.
Аноним 03/12/25 Срд 10:33:34 586019 627
Что из дешманских sdr лучше взять, если хочу слушать губителей, авиа, жд и речников? RTL-SDR v4 со встроенным апконвертером или MSi.SDR, тот который с дельфинчиком?
Аноним 03/12/25 Срд 12:06:56 586021 628
1764752675832.jpg 10Кб, 576x342
576x342
1764752719221.jpg 83Кб, 700x700
700x700
Как sma и f разъем?
Как повлияет разница в волновых сопровождениях 50 и 75 ом?
Аноним 03/12/25 Срд 12:10:46 586022 629
>>586021
Забыл написать - Соединить
Аноним 03/12/25 Срд 13:08:48 586024 630
Аноним 03/12/25 Срд 13:31:15 586025 631
17518744998550.gif 2590Кб, 241x246
241x246
Аноним 03/12/25 Срд 14:10:55 586027 632
414An9TLEXL.ACU[...].jpg 53Кб, 894x917
894x917
>>586025
адаптером со sma на f.
Аноним 03/12/25 Срд 15:08:58 586028 633
>>586017
Да, только доставлять из Китая с китайской Taobao, возить через посредника, будет плата посреднику но это все равно намного дешевле. Многие аноны тут это давным-давно делают.
Аноним 03/12/25 Срд 16:33:09 586032 634
что может в рандомном радио ресивере сломаться, чтобы он начал сильно шуметь? особенно если громкость повышать, то шум усиливается, а нешум нет. можете же без фото и тд написать, в чём примерно дело?
Аноним 03/12/25 Срд 18:48:23 586034 635
>>586032

Ты бы хоть характер шума описал.
Аноним 03/12/25 Срд 19:12:53 586036 636
>>586028
О, до, Таобао, просто рай для таких задротов как я. Покупал там всякое, когда в Китае был, полный чемодан напокупал.

В складчину покупаете?

Или может есть знакомые посредники? Хотел бы себе всякую мелочевку купить.
Аноним 03/12/25 Срд 21:22:45 586041 637
>>586036
Ничего я пока не покупаю. Но хочу. Ищу возможность.
Аноним 03/12/25 Срд 22:53:52 586044 638
>>586041
Анон, если хочешь организовать складчину/обсужление вопроса, я - за. Но не в обиду - я ближе к среднему, могу только изредка помогать, но я не могу активно эту идею продвигать и следить - я как бы отошёл от эмбеда и электроники. Есть возможность - хорошо, нет - ну ладно.
Если созреешь или ты или кто-то другой - будет круто.
Аноним 04/12/25 Чтв 05:21:26 586051 639
Кстати, о покупках в Китае. Кто-нибудь совершал перевод в ВТБ Шанхай? Китайцы выставили инвойс, а реквизиты оттуда не принимаются банковским приложением.
Аноним 04/12/25 Чтв 09:10:38 586054 640
>>585979
>без объявления войны и санкций забанили в Россию продажу электроники.
В смысле без санкций? Ты дурак?
Аноним 04/12/25 Чтв 12:00:27 586056 641
>>586032
Конденсатор скорее всего нужно менять.
Аноним 04/12/25 Чтв 17:21:42 586067 642
>>586054
Дурака ты видишь каждый день в зеркале.

На момент исчезновения электроники из Aliexpress, компания Alibaba не объявляла и нигде не сообщала о вводе санкций. Что интересно, российская половина конторы тоже.
Это сделано без объявлений, тихо, хитрожопо и подло.
Ппродажа радиодеталей сначала не могла быть доставлена если у тебя адрес Россия, затем постепенно "вымывалась" из поиска (на страницу ты все еще мог попасть), а затем страницы которые размещал продавец в конкретной категории и вовсе стали явно блокироваться. На любых других сайтах кроме российского электроника есть.
Аноним 04/12/25 Чтв 17:22:26 586068 643
>>586056
Прокладку между рулем и сидением
Аноним 04/12/25 Чтв 18:26:08 586069 644
>>586067
>компания Alibaba не объявляла и нигде не сообщала о вводе санкций
Они и не вводят своих санкций, они соблюдают американские.
Аноним 04/12/25 Чтв 18:59:15 586071 645
image 23Кб, 368x615
368x615
image 107Кб, 932x1280
932x1280
Давно покупал в китае пару раз лампочки светодиодные копеечные на 1-2вт 220в чтобы делать ночники, эти лампочки включены были круглогодично и ни одна не сгорела, но все светили все тусклее и тусклее, а одна начала мигать то ярче то тусклее. Ее я разобрал и оказалось что там один светодиод из 5 последовательных почти все время коротит но тогда включается. Получается в остальных лампочках светики тоже коротнули частично. Как так. Почему в дешман лампочках с ебая стоят светодиоды которые коротят и дают лампочке работать дальше, а в том что продается местно втридорога светики уходят в обрыв? Или это из-за низкой мощности
Аноним 05/12/25 Птн 08:38:03 586084 646
изображение.png 115Кб, 425x367
425x367
кто-нибудь такие вилки разбирал? думаю разрезать либо по красному шву, либо по зеленому, потом склею обратно. подводные?
Аноним 05/12/25 Птн 08:47:37 586085 647
image 42Кб, 1035x487
1035x487
>>586084
Не взлетит. Купи разборную.
Аноним 05/12/25 Птн 08:57:24 586086 648
image 26Кб, 474x487
474x487
image 196Кб, 811x833
811x833
image 142Кб, 850x1275
850x1275
>>586084
Если других вариантов нет я бы не стал долго ебаться и накинул петли из проводов на штырьки
Аноним 05/12/25 Птн 09:29:46 586087 649
>>586084
Смысла нет. Это монолит, они не разбираются. Разрезать можно, я так делал, но это лютый колхоз уровня необитаемого острова. Если надеешься припаять отвалившийся провод, то спешу расстроить - там обжимка. Начнёшь паять - пластик будет плавиться, всё пойдёт по пизде, штыри станут криво и/или будут болтаться. Купи разборную вилку (только не самую дешманскую!), сэкономишь кучу времени и нервов.
Аноним 05/12/25 Птн 09:46:43 586088 650
image 210Кб, 960x1280
960x1280
image 139Кб, 1064x1280
1064x1280
image 214Кб, 960x1280
960x1280
>>586087
Все там нормально паяется, если ты не криворук, штыри латунные. Буквально все штекеры и гнезда сейчас это контакты в пластмассе, причем изделия зачастую микроскопические. Раньше советские были хоть карболит или поликарбонат арминованный стекловолокном, а то что сейчас например db9 или din5? У них контакты перекашивает, как говорится, если на них просто посмотреть. И все же люди их покупают и используют.
Аноним 05/12/25 Птн 11:17:41 586090 651
+
Аноним 05/12/25 Птн 11:32:41 586091 652
На кой хрен нужны fpga платки формата ардуины? Я гуглил и спрашивал нейронки. Все что понял, что они годятся либо для обучения логическим схемам, либо для нереальных проектов обработки видеосигнала на лету и подобного. Если на ардуинах тысячи готовых бытовых проектов "взял и повторил", то на fpga таких практически нет.
Аноним 05/12/25 Птн 11:45:26 586092 653
>>586091
Fpga умеет то что контроллеры не умеют вообще никак. Если тебе это надо - берешь ее.
Аноним 05/12/25 Птн 13:13:29 586096 654
>>586092
>это
Так я и хотел узнать для чего его можно использовать в быту.
Аноним 05/12/25 Птн 13:53:12 586097 655
>>586096
В быту никак, только если у тебя есть какая-то схема которую в китае заказывать только партиями от миллиона штук, а тебе надо вотпрямщас эмулировать несуществующую железку. Или если тебе надо эмулировать тридцать разных ардуин в одной труднодоступной жопе, чтобы понять, насколько дешёвое говно хватит для задачи чтобы сэкономить на закупе в миллион штук. Ни одна из этих задач как бытовая не выглядит, думай сам.
Аноним 05/12/25 Птн 14:04:23 586099 656
>>586096
Игровая приставка достаточно бытовой прибор для тебя?
Аноним 05/12/25 Птн 15:21:23 586100 657
>>586099
Я для этого и думал взять, чтобы попробовать аналоговые выходы сделать. Только чет не верится, что качество видео и аудио на fpga получится как на реальной консоли с крутыми фирменными чипами. В любом случае это на пару дней поиграться.
Аноним 05/12/25 Птн 16:03:08 586102 658
>>586100
> с крутыми фирменными чипами
Которые ты буквально эмулируешь. Или не эмулируешь, а только отдаёшь ржб сигнал на какой-нибудь современный конвертер который может 240i картинку заскейлить хотя бы до минимальных HDMI-ных 480р, или ещё какой тв-тюнер.
Аноним 05/12/25 Птн 17:03:28 586107 659
>>586091
>На кой хрен нужны fpga платки формата ардуины?
Потому что это плата для прототипирования и разработки. Существует миллионы готовых изделий где достаточно простых фпга.

Это какое то клоунство проводить аналогии с ардуинкой, хотя и то также существует как продукт для обучения, а не финальное решение
Аноним 05/12/25 Птн 17:07:04 586109 660
>>586100
>Только чет не верится, что качество видео и аудио на fpga получится как на реальной консоли с крутыми фирменными чипами.
А чего бы не получится? На современной базе с современным цап оно быть хуже не может по опреледению.

>>586102
>Которые ты буквально эмулируешь
использования фпга для создания цпу это не эмуляция. Эмуляцией оно было, если бы ты интерпретировал инструкции на другом цпу.
Аноним 05/12/25 Птн 17:19:24 586111 661
image.png 906Кб, 1024x768
1024x768
>>586107
В чем клоунство? Это буквально та же ардуина, но фпга.
Аноним 05/12/25 Птн 17:23:16 586113 662
>>586111
>буквально та же ардуина, но фпга
Если у тебя компактная платка с выводами, это еще не критерий называть ее ардуиной.
К тому же у тебя там дохуя периферии, в том числе видео цап.
Аноним 05/12/25 Птн 17:30:45 586114 663
>>586109
Ты интерпретатор с эмулятором не путай, тут буквально эмуляция на уровне физических блоков.
Аноним 05/12/25 Птн 17:32:09 586115 664
image.png 55Кб, 188x269
188x269
>>586113
Я человек простой, для меня макетка с гпио - это ардуина. У меня цель упростить себе жизнь, а у тебя доебаться до слов. Мы с тобой на разных уровнях.
Аноним 05/12/25 Птн 17:32:49 586116 665
>>586114
>Ты интерпретатор с эмулятором не путай, тут буквально эмуляция на уровне физических блоков.
In computing, an emulator is hardware or software that enables one computer system (called the host) to behave like another computer system

Никто не ведет себя как иная система, этот термин не уместен.
Аноним 05/12/25 Птн 17:33:49 586117 666
>>586115
>У меня цель упростить себе жизнь, а у тебя доебаться до слов.
Если бы ты изначально не называл платку конкретным продуктом, то и вопроса задавать не пришлось. Ничего ты не упростил.
Аноним 05/12/25 Птн 17:35:33 586118 667
>>586117
Когда бабушка системный блок называет процессором, ты тоже истерику устраиваешь и начинаешь с ней спорить?
Аноним 05/12/25 Птн 17:40:29 586119 668
>>586118
Где ты увидел истерику и спор с моей стороны, я не понимаю.
Аноним 05/12/25 Птн 18:02:57 586120 669
>>586116
Ведёт себя как иная система на уровне транзисторов, блять. Тебе нужно нагрузку на блок питания схожую выдавать, и срать в эфир теми же помехами, чтобы ты это эмулятором признал, википидор?
Аноним 05/12/25 Птн 18:04:42 586121 670
image.png 253Кб, 600x399
600x399
>>586119
>я не понимаю
Это твоя проблема.
Аноним 05/12/25 Птн 19:06:37 586122 671
>>586120
>Ведёт себя как иная система на уровне транзисторов, блять
Если ты сделал логику на фетах, это не эмуляция биполярных транзисторов. Слово эмуляция здесь не уместно.
Аноним 05/12/25 Птн 19:13:10 586124 672
>>586121
Чего ты такой злой, не пойму чем я тебя обидел.
Аноним 05/12/25 Птн 19:19:38 586126 673
>>585808
Низкий поклон, бро. Все собрал обратно - работает. И даже мосфеты там не выгорели (у меня были такие подозрения), обошлось одним предохранителем.
Как вообще адекватнее всего охлаждать трансформатор? Понятное дело, приточная вентиляция, большой вентилятор с приличными оборотами, но это же просто металлическая дура с не такой большой поверхностью, я наобум оцениваю ее эффективность, и у меня выодит печка в сто ватт, на минутку.
Аноним 05/12/25 Птн 19:19:42 586127 674
>>586122
Это эмуляция на логических гейтах, дебс. Если где-то слово "эмуляция" применимо, то на фпга уж точно.
Аноним 05/12/25 Птн 19:21:38 586128 675
>>586121
Сходи к психиатру, шиз!
Аноним 05/12/25 Птн 19:23:01 586129 676
>>586127
>Это эмуляция на логических гейтах
Эмуляция логических гейтов на логических гейтах, не вижу в этом смысла.
Аноним 05/12/25 Птн 19:23:45 586130 677
>>586129
А тебя и не спрашивали
Аноним 05/12/25 Птн 19:24:52 586131 678
>>586130
Тогда зачем было вылезать из своего манямирка?
Аноним 05/12/25 Птн 19:34:48 586132 679
>>586124
Да я-то не злой. Я же тебя не оскорбляю. Это ты меня клоуном обозвал.
Аноним 05/12/25 Птн 19:36:33 586133 680
>>586132
>Это ты меня клоуном обозвал
>>586107
>Это какое то клоунство проводить аналогии с ардуинкой

Двач 2025. Итоги.
Аноним 05/12/25 Птн 19:57:42 586135 681
>>586126
Ну посмотри не сэкономил ли производитель на дырках в корпусе, их легко можно добавить еще, особенно если корпус пластмасса. Бывает там ребра внутри можно поотломать чтобы расширить вентиляционные щели. Ну и вентилятор это следующий и в общем последний вариант. Хотя он может добавить шума в комнате. Поставь устройство на пол, где холоднее.
Аноним 05/12/25 Птн 21:33:10 586138 682
Помогите наебать датчик в машине ремня безопасности в электрике нихия не понимаю. На датчик идет 3 провода 5V GRD Signal. Знаю что сигнал должен быть от 0.8 до 3.5 вольта если кинуть просто 1.5 вольта на сигнал нихуя не работает. Но если кинуть 1.5 вольта от генератора сигналов(DC) то все работает. Пробывал собрать делитель напряжения на резисторах 20Ком не помогло. Как наебать датчик? Может сопротивление высокое а он еще меряет по силе тока?
Аноним 05/12/25 Птн 23:25:49 586140 683
>>586138
Погугли как это сделать на твоей машине.
Аноним 05/12/25 Птн 23:29:08 586141 684
>>586138
Просто пристегнись, чё ты как этот
Аноним 05/12/25 Птн 23:45:50 586142 685
>>586135
Отверстия придётся насверлить однозначно, и вентилятор без вариантов. Пусть шумит, пес с ним. Я больше думал о том, как рассеять с трансформатора такую мощь. Не ребрами же его обклеивать, в самом деле, идея пососная.
Аноним 06/12/25 Суб 00:10:57 586143 686
176496892712639[...].jpg 33Кб, 500x500
500x500
176496894764813[...].jpg 29Кб, 500x500
500x500
176496897218648[...].jpg 38Кб, 604x304
604x304
Аноним 06/12/25 Суб 01:55:49 586144 687
>>586141
Это датчик натяжения ремня. Я искал информацию нет инфы .первопроходец.
Аноним 06/12/25 Суб 02:19:57 586145 688
>>586142
>Отверстия придётся насверлить однозначно, и вентилятор без вариантов
Если у тебя перегревается трансформатор, то правильнее было бы заменить на подходящий по току. Сам по себе транс всегда будет теплым и это нормально, так как оптимальная температура при которой кпд будет наиболее высоким это примерно 70-80с
Аноним 06/12/25 Суб 02:28:06 586146 689
image.png 58Кб, 513x551
513x551
>>586144
>датчик натяжения ремня
Мое ебало невообразимо.

>Знаю что сигнал должен быть от 0.8 до 3.5 вольта если кинуть просто 1.5 вольта на сигнал нихуя не работает.
Меряешь сопротивление в замкнутом состоянии.
Меряешь сопротивление в разомкнутом состоянии.
Профит.
Аноним 06/12/25 Суб 11:08:49 586151 690
IMG202512021244[...].jpg 3162Кб, 3000x4000
3000x4000
IMG202512021241[...].jpg 366Кб, 1236x1648
1236x1648
IMG202512021240[...].jpg 426Кб, 1236x1648
1236x1648
>>338104 (OP)
Как вам магнитола? Как вам кабель при заявленных 3х0.75 по факту 2х0.15 из неизвестного сплава, который сгорает с искрами от зажигалки?
Аноним 06/12/25 Суб 11:42:17 586153 691
>>586151
>Как вам магнитола?
Что платили, то и получили.
Аноним 06/12/25 Суб 12:34:50 586154 692
>>586146
Блять ты тупой сука 3 провода на датчике 5 вольт земля и сигнальный. Сука блок безопасности ждет сигнал от натяжения ремня! Ремень не натянут 1 вольт ремень натянуть силой 2.5 вольта.ПО этому диапазон а ты мне блять обычную перемычку скинул.
Аноним 06/12/25 Суб 13:20:29 586155 693
>>586154
С вероятностью в 90 там либо резисторы соеденены с кнопкой, либо резистивный сенсор, никакой логики и трансформации сигнала там не будет. Если бы ты измерил сопротивление межде выводами, то можно было бы востановить схему и воспроизвести.
Аноним 06/12/25 Суб 15:17:30 586156 694
>>586142
Кулер и будет помогать рассеивать. Радиаторы лепить конечно можно, но могут появиться сложности впихнуть обратно в корпус. Еще есть вариант теплопроводными прокладками передавать тепло на корпус, а корпус изнутри обклеить фольгой потолще. Или утопить в масле, но это совсем экстрим.
Аноним 06/12/25 Суб 16:39:26 586157 695
а куда делся тренд про 3д печать?
Аноним 06/12/25 Суб 18:59:27 586162 696
>>586156
Ладно, ты прав. Я уже начинаю загоняться по оверинжинирингу заранее, буду решать проблемы по мере поступления. Спасибо за идеи, кстати.
Аноним 06/12/25 Суб 19:02:13 586163 697
>>586145
Боюсь, это несколько сложнее, я не представляю себе его параметров, да и в корпус не влезет. Он греется спустя некоторое время, попробую решить установкой вентилятора если найду на плате +12 вольт.
Аноним 06/12/25 Суб 19:04:07 586164 698
>>586151
Это под заначку же.
Аноним 06/12/25 Суб 19:26:11 586165 699
image.png 249Кб, 700x700
700x700
Компьютерные колонки 2.1 DEFENDER Sirocco S10 Pro, 2х2.5Вт+5Вт
Анон, есть вот такая стереосистема, саб вроде ничего, а вот эти маленькие хрипунцы работают так себе, хочу просто подпаять нормальные динамики и замутить им корпус из фанеры.(мне для гаража). Как мне выбрать подходящие динамики? чисто измерить сопротивление тех, что есть?

спасибо
Аноним 06/12/25 Суб 21:46:20 586172 700
>>586165
Попробуй пошуршать даташиты
Аноним 06/12/25 Суб 23:06:28 586176 701
image.png 123Кб, 600x600
600x600
Достал с полочки некогда залитую клаву для PS3 у которой при нажатии FN стало дублироваться нажатие W, при помощи мата снял клавиши, достал пленку, собственно на скане видно почернение в некоторых местах где видимо пошла электрическая коррозия, помочил в спирте периодически потирая и было видно что жидкость таки меж пленок просачивается в неустановленных местах хотя сами пленки не разделяются. Вот думаю как просохнет иголкой потыкать или скальпелем порезать в местах где потемнело. Какие еще есть варианты?
Аноним 06/12/25 Суб 23:07:09 586177 702
PS3 Wireless Ke[...].png 320Кб, 581x773
581x773
Аноним 07/12/25 Вск 01:04:56 586183 703
>>586088
Ты - сказочный долбоёб, раз сравниваешь ПВХ с PBT.
Аноним 07/12/25 Вск 01:08:16 586184 704
Аноним 07/12/25 Вск 03:04:11 586187 705
image 65Кб, 1080x1152
1080x1152
image 55Кб, 640x538
640x538
image 243Кб, 883x1280
883x1280
>>586183
Во первых что хочу то и сравниваю, во-вторых пошел нахуй что ты мне сделаешь я в другмо городе. за мат извени.
Аноним 07/12/25 Вск 11:02:27 586194 706
>>586184

Дороги целы, пленки не разделяются, из видимого только следы окислов. В этом вопрос.
Аноним 07/12/25 Вск 12:33:27 586196 707
Аноним 07/12/25 Вск 13:20:46 586198 708
>>586196

Очевидно на тот интегральный усилитель что стоит в этой поделке.
Аноним 07/12/25 Вск 23:09:23 586218 709
image.png 24Кб, 344x307
344x307
Товарищи, а как посчитать потенциалы там где просто источник ЭДС а не резистор? В точке M потенцевал нашел, а как в точке A - хз ваще; даже не знаю что именно гуглить чтобы получить необходимые знания для решения задачи.

Если че, все напряжения и значения ЭДС известны
Аноним 07/12/25 Вск 23:11:51 586219 710
>>586218
и зависит ли потенциал от наличия источника ЭДС вообще? Потому что я подозреваю что потенциалы в точках A и M равны
Аноним 08/12/25 Пнд 00:31:42 586222 711
>>586067
>а затем страницы которые размещал продавец в конкретной категории и вовсе стали явно блокироваться
Кстати недавно покупал робота-паука, там китаец мне ссылку кидает, а я говорю:
-Ты еблан? Проверь ссылку.
А он отвечает:
-Ты еблан? Проверь страницу.

И так раза два.

И потом до меня дошло что санкции, ёпта.
Аноним 08/12/25 Пнд 11:37:53 586233 712
Я тут подумал на досуге. А насколько вообще плохая идея отводить тепло с сердечника трансформатора на металлический (алюминиевый немагнитный) корпус устройства? А через непроводящую термопрокладку? Гроб, пидор, наркоман?
Просто как концепция. Не помню ни одного устройства, где такое было бы реализовано, значит, идея плохая сама по себе.
Аноним 08/12/25 Пнд 11:45:17 586234 713
>>586233
> А через непроводящую термопрокладку?
C мосфетами или кренками так делают иногда. Вообще если трансформатор настолько греется, что ему не хватает обдува, там уже короб с маслом его охлаждает
Аноним 08/12/25 Пнд 12:01:54 586235 714
image 67Кб, 724x738
724x738
image 115Кб, 1024x1280
1024x1280
>>586233
Алюмин магнитостатик, может нарушить работу транса. И закоротить на себя часть вихревых токов, что уменьшит и без того низкий кпд и увеличит нагрузку на транс. А подкладку я уже предлагал >>586156
Аноним 08/12/25 Пнд 12:08:34 586236 715
image 121Кб, 1159x1280
1159x1280
image 93Кб, 850x1133
850x1133
>>586233
> Не помню ни одного устройства
Любой мало-мальски нормальный блок питания или зарядка залита изнутри силиконовым герметиком и облеплена этими прокладками, погугли, вспомнишь.
Аноним 08/12/25 Пнд 14:55:38 586242 716
photo2025-10-04[...].jpg 110Кб, 728x960
728x960
Хочу подудеть на СиБи с балкона!

Вводные:

Доступа на крышу нет и не будет;
Этаж четвертый;
Минимум вложений. Мой максимум - какой-нибудь всратый диполь из RG-58, ну если прям напрячься и пернуть - Sirio Boomerang 27. Магнитку от авто не рассматриваю по понятным причинам, от нее толку на балконе столько же, сколько от обычной деревянной палки.

Что скажет Анон? Хуйня затея?
Аноним 08/12/25 Пнд 17:17:14 586244 717
>>586234
Это в рамках шизотеории, потому что алюминий у меня уже есть.

>>586235
Потому и возник такой вопрос, вихревые токи не хер собачий. Курва бобер, алюминий, может медь тогда?

>>586236
Но трансформатор там висит в воздухе и не касается стенок обычно, и типа какой-то теплоперенос через воздух.

Спасибо за ответы.
Аноним 08/12/25 Пнд 18:40:51 586249 718
image 77Кб, 700x1018
700x1018
image 82Кб, 1106x1280
1106x1280
image 99Кб, 771x1280
771x1280
Аноним 08/12/25 Пнд 23:51:10 586258 719
176522653087434[...].jpg 19Кб, 389x389
389x389
Несколько лет не делал свои проекты на STM32, наверное попсово было тогда ещё на SPL, потом знал что он подох, и все уже на LL, я ещё застал времена как людей корежило от куба и зала
.
Решил захуярить часы себе за вечерок. Да ебаный рот какие же ST дегенераты, код на HAL генерится рабочим, RTC считает, на LL где-то баг и таймер не идёт.
Да ебать мой хуй эта вся поебота существует лет 10 точно, а у них какие-то мелкие баги в стандартной периферии, ну как так-то, а?
Аноним 09/12/25 Втр 00:10:07 586259 720
>>586258
>на LL где-то баг и таймер не идёт.
Какой еще таймер, это же самая база баз и все зависит от этого. Баг может быть в чем то маргинальном, но не в том что нужно почти в каждом проекте.
Аноним 09/12/25 Втр 00:29:57 586260 721
Unекгу.jpg 60Кб, 468x837
468x837
7365424106.jpg 103Кб, 750x1000
750x1000
Привет.
Плохо разбираюсь в электронике. Хочу починить кемпинговый фонарь: в нём стояли какие-то ноунейм банки, которые очень быстро издохли. Я собирался просто взять 18650 3.7 В и впаять их вместо старых, но потом посмотрел на всратую плату питания и задумался. Она выглядит так, что нихера не защищает от перезарядок и переразрядок. По маркировке нахожу только один китайский сайт, где их без всякой дополнительной инфы продают на вес кварцевого песка.
Я подумал, что стоит взять модуль зарядки TP4056 с защитой и впаять банки в него. Но у фонаря четыре светодиода, переключаемые циклом с двух кнопок, которые нормально можно подключить только к родной кастомной плате. S на ней, если что, выход на солнечную батарею, которую я к чертям выну. Собственно, вопросы:
1. Как вы думаете, оригинальная плата реально всратая и гробит аккумы?
2. Могу ли я впаять аккум в TP4056, а потом подключить через out на оригинальную плату, как переходник?
Аноним 09/12/25 Втр 00:47:49 586261 722
>>586258

Возьми нормальную RTOS и не еби мозги.
Аноним 09/12/25 Втр 01:14:48 586262 723
>>586260
Ты уверен что там защит нет? Покажи фотки остальных плат.
Аноним 09/12/25 Втр 01:59:50 586263 724
c6838823-1e47-4[...].jpg 140Кб, 960x1185
960x1185
>>586262
В том то и дело, что это единственная плата. Всё, что я вижу, это пара индукторов, резистор и диод. Насколько я понял, на нормальной плате за защиту отвечает микро DW01, а тут ничего нет. Банки всратые, спаянные, не похоже, чтобы с защитой шли, по длине обычные 14500. Или я заблуждаюсь, или хер на производителе решил, что безопасности и жизнь аккумов у него не в приоритете.
Аноним 09/12/25 Втр 02:03:09 586264 725
tilt.jpg 71Кб, 753x762
753x762
>>586263
Сорян за отвратное качество, макросъёмка очень плохо работает.
Аноним 09/12/25 Втр 04:27:11 586267 726
image 85Кб, 736x736
736x736
image 61Кб, 972x727
972x727
image 146Кб, 1280x719
1280x719
>>586258
Пешы на орудине, базарю, заработает с первого раза
Аноним 09/12/25 Втр 04:33:26 586268 727
image 94Кб, 1080x954
1080x954
image 95Кб, 960x1280
960x1280
>>586264
Ну да с одной стороны хорошая идея защитить акк. С другой стороны родные акки были говно инфа 146% и быстро сдохли бы в любом случае. Если акки сами с защитой, то это уже безопаснее.
Аноним 09/12/25 Втр 04:37:04 586269 728
>>586219
Конечно зависит. Источник эдс добавляет или отнимает потенциал к предыдущей точке.
Аноним 09/12/25 Втр 07:41:55 586273 729
>>586263
>Но у фонаря четыре светодиода, переключаемые циклом с двух кнопок
И кто же за это отвечает тогда? Куда идут эти кнопки?
На плате, что ты показываешь, вообще ничего кроме разъёмов нет. С них питание куда-то на другую плату с микроконтроллером должно идти.
Аноним 09/12/25 Втр 10:59:25 586277 730
orig.jpeg 123Кб, 860x927
860x927
Сап, рач. Как разрядить ("натренировать") этого Ni-Mh засранца?

Купил для работы на даче, но сезон уже всё и он лежит дома без применения. Рекомендуют его в начале полностью разряжать хотя бы пару раз, но при этом хранить рекомендуют с полным зарядом. Я его успел только зарядить, а разрядить не успел.

В интернетах советуют "взять у друга" дивайс для разрядки. У меня такого нет. На маркетплейсах только устройства для зарядки.

Думаю подключить к нему 12В галогеновую лампу и слить заряд в неё. Какие подводные?
Аноним 09/12/25 Втр 11:09:05 586278 731
image 1269Кб, 1080x2400
1080x2400
image 850Кб, 1080x2400
1080x2400
image 42Кб, 676x918
676x918
image 190Кб, 876x1280
876x1280
>>586277
Те которые заряжают часто и разряжают и тренируют, читай инструкцию. Пикрил
Аноним 09/12/25 Втр 11:37:54 586279 732
>>586278
Пон, спасиба. Выглядит интересно. Только дороговато. На коленке рублей за двести не получится девайс собрать? Мне он по сути нужен на один-два раза.
Аноним 09/12/25 Втр 11:55:58 586280 733
image 644Кб, 1080x2400
1080x2400
image 281Кб, 1080x1080
1080x1080
image 56Кб, 700x933
700x933
image 41Кб, 533x800
533x800
>>586279
Ni-mh имеет хитрую процедуру отлова окончания зарядки, так что на коленке из говна и палок вряд ли. Уверен что процедура тренировки тоже мудреная, но гуглить лень. За цену такого порядка можешь для зарядки взять модуль на али на нужное напряжение, пикрил. Если у тебя родной зарядки от него нет. А разряжать лампочкой. Если в шуруповерте нет фонарика.
Аноним 09/12/25 Втр 12:15:40 586282 734
>>586280
Зарядник родной от шурика есть, но им только зарядить можно. Лампочки в шуроповерте нет. Пытался им дырки в бревне сверлить чтобы разрядить, штук десять сделал - надоело, устал.

Хочу разрядить через лампу, но что-то мне подсказывает что не всё с этим просто. Пока думаю сделать схемку, которая мне будет ограничивать ток разрядки, особенно на этапе розжига лампы, и мониторить напряжение, чтобы оно не падало ниже какого-то порога (я хз какого, надо ещё найти эту цифру).

Нмчего не упустил?
Аноним 09/12/25 Втр 12:24:39 586283 735
image 174Кб, 932x658
932x658
image 109Кб, 960x1280
960x1280
image 111Кб, 1200x1153
1200x1153
image 65Кб, 627x1280
627x1280
>>586282
В акке может быть встроена схемка для контроля порога разрядки. Маловероятно конечно, но можешь погуглить.
Нафиг этап розжига не нужен, не бери сильно мощную лампочку да и все. Тебе куда торопиться?
Если у тебя есть куча релюшек можешь подобрать такую которая отпускает при нужном напряжении.
Аноним 09/12/25 Втр 12:45:43 586284 736
>>586283
У меня уже куплена галогенка на 35W. Меньше не было. В рабочем режиме должен идти ток примерно в 3А, но при розжиге вроде может зайти за 50А, и мне чтото ссыкотно за лампу и за сам аккумулятор. Не пригорит ли у него чего внутри от таких токов.

Кстати тот iMAX B6 разряжает через 5W, значит это точно безопасная нагрузка должна быть. Наверное можно вместо лампы взять нагрузочный резистор с таким номиналом, минус в том что он не светится, а было бы прикольно понаблюдать за процессом.
Аноним 09/12/25 Втр 19:48:10 586291 737
image 48Кб, 604x558
604x558
image 159Кб, 933x1200
933x1200
Аноны придумайте где можно взять хорошие пружинистые контакты позолоченные? Типа две маленькие каленые пластины с позолотой? Хочу сделать что-то вроде измерительного пинцета
Аноним 09/12/25 Втр 20:41:03 586293 738
>>586269
а
спасибо)

слушай, а что насчет источника тока Jk? После него там в ветке резистор стоит, он повлияет на результирующий ток? Или ток в этой ветке так и будет равен Jk?
Аноним 09/12/25 Втр 21:00:24 586295 739
>>586249
Ладно, подловил. Добра.
Аноним 10/12/25 Срд 05:38:28 586311 740
image 157Кб, 1280x906
1280x906
image 151Кб, 823x1280
823x1280
Аноны а как можно улучшить контакт между двумя проводниками которые нельзя спаять или сварить? Они прикручиваются но контакт со временем плохой становится. Один позолоченный вроде другой какая-то сраная латунь. Может графитом натереть например?
Аноним 10/12/25 Срд 08:25:21 586312 741
>>586311
Токопроводящий клей или краска.
Аноним 10/12/25 Срд 08:43:15 586313 742
image 143Кб, 1124x1280
1124x1280
image 125Кб, 768x1280
768x1280
image 73Кб, 1080x1280
1080x1280
>>586311
Спасибо. Хотелось бы чтобы соединение осталось разборным. Латунь это сменная рабочая часть. Не хочу говорить что это чтобы не делать рекламу этому говнопроизводителю. Я пробовал кернить латунь чтобы она острыми краями впивалась в позолоту, но не получилось.
Аноним 10/12/25 Срд 08:43:38 586314 743
Аноним 10/12/25 Срд 15:36:38 586320 744
Анончики! Хочу купить старую советскую Цэшку, посоветуйте какая модель лучше всего? В основном я увлекаюсь усилками как транзисторными так и ламповыми
Аноним 10/12/25 Срд 15:41:03 586321 745
>>586320
Никакая, купи современный мультиметр и не еби себе голову, даже в 830 больше смысла чем в цешке.
Аноним 10/12/25 Срд 15:54:20 586322 746
01.jpg 364Кб, 2529x545
2529x545
Нужно запитать штуку с потреблением 9v/100mA. Искать адаптер (9V 0.1A) именно с такими характеристиками или подойдет еще что-то?
Аноним 10/12/25 Срд 16:04:44 586323 747
>>586322
Блок питания не будет насильно заталкивать больше тока чем устройство попросит, бери любой 9вольтовый БП с подходящим коннектором
Аноним 10/12/25 Срд 16:13:03 586324 748
image 66Кб, 660x950
660x950
image 10Кб, 266x480
266x480
image 115Кб, 702x1280
702x1280
>>586322
Бери лучше все же чтобы ток был больше. 500мА хотя бы. На всякий случай. Из китая под видом 100мА могут такое говно прислать...
Аноним 10/12/25 Срд 16:23:29 586325 749
>>586320
Советую Не покупать старую советскую цэшку. Это годится только на полку "для красоты" поставить.
Аноним 10/12/25 Срд 16:34:16 586326 750
Аноним 10/12/25 Срд 16:56:22 586327 751
>>586322
Бери юсб зарядку для мобильников которая может в 5 9 12 вольт и триггер. Универсально и полезно.
Аноним 10/12/25 Срд 17:11:18 586328 752
>>586327
У меня есть подзарядка на которой написано: "9V 1.67A or 5.0V 2.0A" - оно?

>и триггер
?
Аноним 10/12/25 Срд 18:03:46 586329 753
>>586321
>>586325
а почему вы так категоричны?
у меня как бы есть уже китайские цифровые мультиметры, появилось желание поебаться со стрелочками, только хочется как бы что бы это было максимально приятно
Аноним 10/12/25 Срд 18:30:22 586330 754
image 442Кб, 1080x2400
1080x2400
image 75Кб, 582x611
582x611
image 87Кб, 1280x1135
1280x1135
image 59Кб, 662x1280
662x1280
>>586328
Пикрил. Если блок у тебя PD. Может быть еще QC, тогда этот товар не катит.
Аноним 10/12/25 Срд 18:39:16 586331 755
>>586311
Скрути и обожми гильзой.
Аноним 10/12/25 Срд 18:44:56 586332 756
>>586329
Потому что толку от этого музейного экспоната - только спихнуть его следующему каллекционеру.

>>586330
Зачем ты эту хуйню к постам прикрепляешь?
Аноним 10/12/25 Срд 18:46:09 586333 757
Чат. Важный вопрос.
Хочу заказать сборку 200-250 плат у китайцев. Их саппорт нулевой. Советовайте как поступать! Иначе я за себя не ручаюсь!
Короче, впопенсорс проект, на гитхабе есть абсолютно все, модель kicad платы со всеми слоями и компонентами. Что этим узкоглазым пидорасам от меня надо? Ссылку на гитхаб игнорируют.
Аноним 10/12/25 Срд 18:48:57 586334 758
image 112Кб, 960x959
960x959
image 134Кб, 1028x1280
1028x1280
image 67Кб, 690x1106
690x1106
Аноним 10/12/25 Срд 18:50:18 586335 759
image 258Кб, 1200x1179
1200x1179
image 105Кб, 817x1280
817x1280
>>586333
А чо бы у них не спросить, чо им надо. Описание товара почитать не?
Аноним 10/12/25 Срд 20:33:02 586337 760
Аноним 11/12/25 Чтв 00:26:25 586344 761
image.png 47Кб, 288x483
288x483
Не могу найти как эту штуку подключить к ардуине.
inb4: я знаю, что есть модуль для ардуины, но на ней трэкбол - говно
Аноним 11/12/25 Чтв 00:33:58 586345 762
>>586344

Подключить что? Это только механическая часть без оптического сенсора.
Аноним 11/12/25 Чтв 00:42:43 586346 763
image.png 332Кб, 800x800
800x800
>>586345
А заменить на этом модуле получится? Я хз на что крепится.
Аноним 11/12/25 Чтв 00:51:43 586347 764
>>586346

На защелки оно крепится, по поводу совместимости нашлепок ниибу.
Аноним 11/12/25 Чтв 00:58:20 586349 765
176540374606579[...].jpg 91Кб, 618x480
618x480
>>586346

А, там даже не оптический сенсор а 4 датчика холла похоже. Ну и под шариком RGBW светик который будет бесполезен с непрозрачным шариком.
Аноним 11/12/25 Чтв 05:08:32 586357 766
6986131712.jpg 171Кб, 1000x750
1000x750
Screenshot2025-[...].jpg 20Кб, 219x200
219x200
Ананасы, есть hdd померший году в 2007. На сколько помню, при очередном включении ПК, просто перестал определяться в биос. Звуки страшные не издает, головкой вроде водит. Подключал через юсб адаптер, буква диска появляется, при обращении к нему комп задумывается и кажет ошибку. После непродолжительного времени минут через пару отключается движок. Как-то раз подучилось кристал диском смарт увидеть, жаль не схоронил. Модель определяется вроде верно. Пропаял все что было с оловом на плате. Слил дамп флэхи. Купил такую же плату и залил дамп в неё. Поведение не изменилось. Что делать дальше? Менять головы? Хз справлюсь ли. Попробую еще терминалом подключится, может увижу на чего полезного. Никогда таким не занимался, есть среди вас опытные маги которые проведут меня через этот Мордор аки Гендальф?

ЗЫ: Капча как бы намекает что нет...
Аноним 11/12/25 Чтв 05:19:27 586358 767
image 54Кб, 640x569
640x569
image 193Кб, 1280x1045
1280x1045
>>586357
Контакты протри от блока головок к плате, если есть что протирать. если не поможет, то ничего не сделаешь. Если ты еще хуже ему уже не сделал. Нужны файлы - обращайся к профессионалам. Хочешь отремонтировать - оно того не стоит.
Аноним 11/12/25 Чтв 05:34:51 586359 768
>>586358
Ну так просто сдаться тоже не вариант, есть возможность попрактиковаться и чему-то научиться. Я не против и отблагодарить за толковую помощь. В принципе беспылевой ящик из подручных средств собрать смогу. Только вот не просто же головы блоком переставляются? Я как-то флопик 3,5" в ноуте востанавливал, так пришлось с юстировкой головок заморачиваться, благо была утилита для этого и подробная инструкция как подготовить дискету.
Аноним 11/12/25 Чтв 05:40:56 586360 769
image 67Кб, 789x785
789x785
image 133Кб, 736x1104
736x1104
>>586359
А тебе кто-то предлагал что-то переставлять?
Аноним 11/12/25 Чтв 05:44:26 586361 770
>>586360
Я предполагаю что кроме как заменить головы там делать нехуй.
Аноним 11/12/25 Чтв 05:45:59 586362 771
image 62Кб, 1280x960
1280x960
image 47Кб, 640x614
640x614
image 182Кб, 876x1280
876x1280
Аноним 11/12/25 Чтв 05:52:19 586363 772
>>586362
Ты не меньше странный, посылать на востанновление данных. Какое неожиданное предложение. Как же так получилось, что я в 2k25, с помощью ИИ и гугла не нашел такое решение проблемы?
Аноним 11/12/25 Чтв 06:16:57 586364 773
>>586357
Если у тебя есть деньги и нечем заняться, купи PC-3000. Посмотри на ютубе видосы, восстановление данных это весело.
Аноним 11/12/25 Чтв 06:17:59 586365 774
>Контакты протри от блока головок к плате
>>586362
Спасибо все же за совет, но это было проделано в первую очередь.
Аноним 11/12/25 Чтв 06:55:01 586367 775
>>586364
Я приценивался на бу комплект, но кроме этого жёсткого диска у меня целей нет. Тяжело с мотивацией, знаю что для получения от этого финансовых профитов нужен большой опыт, для того что бы его получить нужно практиковаться. Что бы было на чем, придется либо покупать самому дохлые тушки, либо пытаться что-то за спасибо делать знакомым знакомых. В первом случае это слив денег барыгам продающих мусор, во втором мне будет это делать не приорететно, и я могу динамить людей по пол года. К тому же там у людей может быть на самом деле важная инфа, которую я проебу из-за невежества. Но авито мониторю. Пока комплект дешевле 60к не попадался. Попадаются недорогие ISA, но это надо ретро ПК еще собрать и возможно он стар для этого диска. А ютубчик посмотрю, может и созрею. Спасибо.
Аноним 11/12/25 Чтв 11:00:43 586368 776
>>586367
>покупать самому дохлые тушки
>слив денег барыгам продающих мусор
Зайди на барахолку и купи хлам по цене грязи у бомжей, которые их на мусорках собирают. За одно есть шансы найти потерянные биткоины.
Аноним 11/12/25 Чтв 15:12:52 586375 777
>>586277
Херней не майся, я тример для стрижки Panasonic er 217 покупал в 2007 тоже на никеле аккум 2 года назад новый поставил. Заряжал раза 2-3 в году, шуруповертов штук 5 было на никеле нормально они живут, эти поверия про разрядить зарядить походу еще со времен первых мобилок пошли.
Аноним 11/12/25 Чтв 15:31:46 586376 778
1764369732870033.jpg 3085Кб, 2976x3968
2976x3968
>>586320
Неудобно стрелки смотреть, вот тут сколько вольт?
Аноним 11/12/25 Чтв 17:39:59 586378 779
cpae1ng55upd1.jpeg 33Кб, 640x637
640x637
Аноним 11/12/25 Чтв 17:56:38 586379 780
>>586378
Почему множители такие еврейские, если даже омметр нормально проградуирован?
Аноним 11/12/25 Чтв 18:09:14 586380 781
1755641206306527.jpg 3036Кб, 2976x3968
2976x3968
>>586378
Ответ не верный 4,17 на цифровом, вот батарейка например 1,53. Как написали только на полку поставить как антиквариат, сундучек прикольный бакелитовый с ручкой.
Аноним 11/12/25 Чтв 18:24:15 586381 782
>>586380
Я конечно только за музеизацию и дециферблатизацию, но ты когда последний раз его калибровал?
Аноним 11/12/25 Чтв 18:37:14 586382 783
1741157097788559.jpg 2780Кб, 1728x3936
1728x3936
>>586381
Никогда, я хз как да и пользоваться не собираюсь. Друг отдал нашел в гараже у умершего деда, спросил надо нет. Переменное в розетке и на трансформаторах он нормально показывает, я тупой или шкала постоянного напряжения ебанутая или он не откалиброван?
Аноним 11/12/25 Чтв 19:00:08 586384 784
>>586380
Кстати, нормально показывает, только требует включения головы. Вот смотри: у тебя вход на 2 вольта, на шкале его нет, зато есть на 20. И если показания разделить на 10, то...
Аноним 11/12/25 Чтв 19:07:22 586385 785
>>586384
Тем временем в любом нормальном мультиметре шкала идёт множителями не по 4-5, а по 10, чтобы не заниматься этой ебаторией

>>586382
Где-то или на жопе, или на морде должен быть подстроечник, которым можно его к реальным показателям привести, и у самого миллиамперметра который дёргает стрелку обычно есть винтик выставляющий ноль. Можно минут пять поиграться и обратно на полку поставить, а потом выёбываться на дваче как у тебя напряжение можно мерить кирпичом, даже без батареек.
Аноним 11/12/25 Чтв 20:13:56 586387 786
1758539967922274.jpg 2681Кб, 2976x3968
2976x3968
>>586384
Ну это логично а как по первой фотке понять что там 4,17? Вот на фото 9.6 переменки например, игрушка дьявола квадратные корни высчитывать... Убрал на полку.
>>586385
Он походу слева внизу но толку от его кручения нет. Ничего не меняется, крутится как энкодер а не как резистор переменный.
Аноним 11/12/25 Чтв 20:33:49 586389 787
IMG8939.png 275Кб, 828x1792
828x1792
IMG8940.png 273Кб, 828x1792
828x1792
IMG8941.png 154Кб, 828x1792
828x1792
>>586332
В контексте современных компьютерных мышей существует дроч на минимально возможный вес девайса.
Есть такая тема как замена фабричного, более ёмкого, но тяжёлого аккумулятора на сторонний, менее ёмкий и намного более лёгкий по весу.
Существует, допустим, такая мышь как Rapoo VT0, 49гр, 800 махов аккумулятор.
На реддите есть чел, который все эти мыши разбирает и придумывает, как бы их облегчить.
И вот в случае упомянутой мыши он заменил дефолтный аккум на 150-маховый (могу пиздеть), и мышь сразу полегчала на 10 грамм.
Вот тред с маркировками и всем нужным:
https://www.reddit.com/r/MouseReview/comments/1oxanao/rapoo_vt0_disassembly/
Мы там решили обмазаться этим модом и заказать с али такую же батарейку, но сначала написали челиксу в лс. Ответы на оп-пиках. Плюс он приложил свою таблицу:
https://docs.google.com/spreadsheets/d/12jjOAsstn5d8HCQ5f5Y3wgKbxemBJBxaIzOqEDu6hTc/htmlview
Там пока нет VT0, но есть куча другой полезной информации.
Как быть? Реально ли можно ёбнуть мышь чуть-чуть неверным вольтажем? Там отличие всего в 0.2V. Интересно мнение шарящих мужчин, то есть вас.
Аноним 11/12/25 Чтв 20:40:58 586391 788
>>586389
Звучит как хуйня для безработных дебилов, но если у тебя мышь хочет 4.4 вольта для запуска, а батарея отдаёт 4.2, в худшем случае мышь просто не запустится и не станет её заряжать, думая что аккум сдох.
Аноним 11/12/25 Чтв 21:05:53 586393 789
>>586391
Хотя бля, я вообще не понял, у него на скринах на аккумах 3.7/3.85V написано. Про что тогда он в лс писал? ЯННП!
Аноним 11/12/25 Чтв 21:39:03 586394 790
>>586393
Ну может там встроенная бмска на батарею 4.2 или 4.4 вольта отдаёт, пока заряжается. Если ты готов заряжать этот аккум отдельно, от лягушки, и хотсвапать его когда второй сядет, то вперёд.
Аноним 11/12/25 Чтв 23:54:05 586398 791
>>586380
может я чего то не понимаю
но он жутко врет
Аноним 12/12/25 Птн 03:00:35 586400 792
Какие подводные могут возникнуть если я запитаю PS/2 клавиатуру от 3.3 вольтового контроллера (Ардуино)? Я слышал что клавиатура подтягивает пин данных до 5в, по это же если ее саму питать от 5 вольт как я понимаю. Насколько я понимаю, 3в это больше чем 2.7, которые нужны чтобы передать 1. В худшем случае она просто не заработает или будет глючить, но ничего не сломается. Так?
Аноним 12/12/25 Птн 05:40:00 586401 793
174399908667460[...].jpeg 75Кб, 828x477
828x477
>>586394
Оао, понял.
А как можно узнать, есть ли там такое? И откуда чего знает? На батарейке вроде не написано.
Аноним 12/12/25 Птн 07:35:17 586402 794
>>586401
>Откуда чел это знает
Фикс.
Аноним 12/12/25 Птн 10:10:55 586405 795
image 340Кб, 628x319
628x319
>>586400
>ничего не сломается
Не должно.
Аноним 12/12/25 Птн 12:48:20 586412 796
Анчоусы, как запаять сраную гребенку в необлуженные отверстия? Лудить выводы бесполезно, припой остается везде, даже на небе и кришне, но не на ногах, а при вставленной в плату тоже затекать отказывается категорически. Я чет нервничаю.
Аноним 12/12/25 Птн 12:55:57 586417 797
>>586412
Варианты: гребёнка хуёвая, флюс хуёвый, пальник с перегревом. Предполагая Т12 или JBC, температура для ПОС-61 ставится 280..300 градусов. ЛТИ-120 от завода Коннектор - хороший флюс для выводухи. Флюс Ф-61 очень агрессивен и лудит почти всё, но его нужно тщательно смывать.
Аноним 12/12/25 Птн 13:01:06 586419 798
Аноним 12/12/25 Птн 13:20:38 586421 799
>>586394

4.2 - 4.4В это нормальная напруга полностью заряженного аккума.
Аноним 12/12/25 Птн 13:57:33 586423 800
image.png 1200Кб, 672x896
672x896
image.png 1074Кб, 896x672
896x672
Есть такой вот блок питания, на выходе которого 0 после отключения света уебал бы всех этих электриков от жкх; будем надеяться, что плату устройства он защитил На входе 230 нормально. Предохранителя не вижу. Из конденсаторов только один синий выглядит слегка горбатым, иногда такие еще сто лет работают. Остальные визуально в порядке. В отключенном от сети состоянии бахнул меня током до ожога на пальце.

Как-то можно достоверно продиагностировать? Ваши советы?
Аноним 12/12/25 Птн 14:10:10 586424 801
>>586423

А что на другой стороне? ШИМка жива?
Аноним 12/12/25 Птн 14:14:45 586425 802
image.png 986Кб, 672x896
672x896
Аноним 12/12/25 Птн 14:18:24 586426 803
>>586425

Ну вот с ШИМки и начни, что там по напряжениям и где.
Аноним 12/12/25 Птн 14:31:35 586428 804
image.png 72Кб, 177x185
177x185
>>586426
Как это сделать? На включенном в сеть лезть мерять напряжение между ногами? И на каких что должно быть? Там же что-нибудь коротнется щупом.
Вот эти ноги звонятся.
Аноним 12/12/25 Птн 17:16:53 586435 805
Аноны, подскажите есть ли в продаже (озон, китай) устройство с антенкой которое генерирует сигнал спутников для геолокации телефона, допустим забил в нем в меню координаты, включаешь нужные и телефон (яндекс карты) показывает что ты находишься именно в этих координатах. Как такое искать?
Аноним 12/12/25 Птн 18:06:50 586436 806
>>586419
>>586417
Из флюса у меня только боярышник канифоль на спирту, паяльник простой советский, про температуру которого я знаю, что она выше температуры плавления припоя.
Какие есть варианты запаять без извращений? Ради двух десятков пинов бежать кабанчиком за супер-кислотой чет не хочется.
Аноним 12/12/25 Птн 18:28:42 586437 807
>>586436
Похоже, что сама гребенка - кетайское фуфло. Ох, чую, утомлюсь я с ней. Из чего они только делают этот мусор.
Аноним 12/12/25 Птн 18:53:12 586438 808
>>586329
Потому что он дебил. Юзаю ц4324. Закрывает все потребности, как комбинированный прибор. Идеален, когда надо смотреть динамику нарастания/спада сигнала, колебания показателей оценить, а не конвульсии циферок на экране созерцать. Проблема только в том, что рабочий подобный прибор ты купить уже не сможешь. Остались только трупы с битыми/палёными головками
Аноним 12/12/25 Птн 19:00:09 586439 809
>>586437
Так зачисти выводы лезвием до блеска, набодяж жидкую канифоль, нанеси ватной палочкой и залуди. Чо, как полудурок, сука?
Аноним 12/12/25 Птн 19:04:09 586440 810
>>586439
Дельный совет, попробую, спасибо.
Аноним 12/12/25 Птн 19:05:04 586441 811
>>586436
>бежать кабанчиком за супер-кислотой чет не хочется
Загугли, как аспирином пользоваться для пайки.
Аноним 12/12/25 Птн 19:20:54 586442 812
S4433fbdf05e847[...].webp 12Кб, 640x640
640x640
кроме зарядки устройств ничего не получается сделать с этим удлинителем, флещки и клавиатуры пишет не опозннанное устройство как починить?
Аноним 12/12/25 Птн 19:48:27 586443 813
>>586400
>не сломается. Так?
Так
>она просто не заработает
Так
Аноним 12/12/25 Птн 19:54:06 586444 814
>>586412
Гребёнки говно, сталкивался.
Я такие мелким напильником сначала обрабатываю, потом лужу с СКФ аккуратно, чтобы они не стали толще, только потом в плату.
Аноним 12/12/25 Птн 19:56:53 586446 815
>>586442
Мультиметром прозванивал?
И если он длиннее 3 метров, то уже может быть проблемой.
Аноним 12/12/25 Птн 20:45:34 586448 816
>>586441
Спасибо, погуглю. Мыть его потом надо?

>>586444
Да, надфилем наверное будет проще всего. Спасибо!
Аноним 12/12/25 Птн 22:33:08 586450 817
7241065530.webp 13Кб, 800x800
800x800
Какой максимально дешевый дедовский паяльник с медным жалом купить чисто для нечастой пайки кабелей слаботочки на РАБотку? Чтобы если проебу - не жалко, но при этом не был полным барахлом? Думал взять дешевый рексант, но отзывы на них так себе
Аноним 12/12/25 Птн 22:38:45 586452 818
>>586450
>пайки кабелей слаботочки на РАБотку?
Чем мошнее тем лучше.
Аноним 13/12/25 Суб 00:00:12 586453 819
Господа, платиновый вопрос.
Из ассортимента Озона/WB какой взять проверенный флюс и припой?
То есть, побыстрее (но если есть варианты из Китая, то рассмотрю).
Подешевле и не в промышленных масштабах - изредка для мелочи.
Мне нужно стики в геймпадах перепаять и пару смд сменить, ну и чтоб на будущее было для подобных работ.
Сейчас перепаял один пад на пробу, имея в наличии ЛТИ-120 и пруток 0.8 с канифолью (для бытовых нужд хватало).
Но даже без ЛТИ прут гадит канифолью, подгорает и не очень то потом счищается.
Поэтому, видимо, нужно что-то посовременнее и подходящее для таких работ (что-то в шприце?)
Аноним 13/12/25 Суб 00:11:54 586454 820
>>586446
нет, а как его прозванивать?
Аноним 13/12/25 Суб 06:02:21 586457 821
Аноним 13/12/25 Суб 10:36:01 586459 822
>>586453
Пынямаешь какая тема тут, если руки из карманов на жопе растут, то никакой даже самый уберохуевший стафф для пайки тебе не поможет. И обратное справедливо - если с руками все ровно, то допизды что брать и чем паять. Пользуйся
Аноним 13/12/25 Суб 11:00:03 586460 823
>>586453
> ЛТИ-120
> пруток 0.8
> гадит канифолью, подгорает
Поди дедовским эпсн'ом, парой постов выше, паяешь. Если взять нормальный паяльник и отрегулировать температуру, то ничего не горит и нормально отмывается.
Как ты там "смд сменяешь" с таким скилом, я ваще не представляю. "Пруток 0,8" толще чем смд, блядь!
Аноним 13/12/25 Суб 11:19:43 586461 824
>>586460
Yihua 908Dу меня.
Ну вот что было под рукой из материалов, тем и пользуюсь, а опыта, конечно, почти нет.
Аноним 13/12/25 Суб 19:12:05 586471 825
Анчоус с гребенками возвращается в тред.
Мучас грациас, амигос! По советам из треда почистил, залудил, запаял. Качество - фирмА, не отличить от фабричного, ибо на этой плате из узкоглазого подвала орион-непропай по умолчанию, все работает, я доволен.
Вы все няшки, шлю лучи добра.
Аноним 13/12/25 Суб 19:22:49 586472 826
Какая у этой имбы прочность и пропускная способность? https://www.youtube.com/shorts/c2DBwC611wI
Судя по применению полосы там больше чем на мобильном.
Это что же, так можно за 40км в деревню по кронам себе нормальный инет за день провести?
Аноним 13/12/25 Суб 20:10:59 586475 827
>>586472
> прочность
Никакая

> можно
Можно оказаться в фсб и там долго доказывать что ты не хохол.
Аноним 14/12/25 Вск 02:03:52 586479 828
image.png 1025Кб, 818x1080
818x1080
Радиач, помоги опознать тип компонента, это какой сенсор срабатывабщий на наличие / отсутствие препятствия между U-образным корпусом. Стоит в принтере и как-то связан с механизмом детекта отрытой / закрытой дверци доступа к коретке с картриждами. Алсо как его проверить мультом?
Аноним 14/12/25 Вск 07:15:53 586480 829
3254353й.png 313Кб, 1860x1080
1860x1080
Есть у кого идея, от чего в данной схеме могли сдохнуть силовые ключи (QM801 и QM802)? ШИМ исправен, обвязку прозвонил - вроде всё целое, обмотки трансов не в обрыве. Пробиты только ключи (+сгорел QM801, сработавший как предохранитель). Транзисторы на замену заказал, но хотелось бы понять, почему оно почти 20 лет работало и вдруг сдохло без какой-либо явной причины?
Аноним 14/12/25 Вск 11:12:36 586483 830
image.png 10Кб, 208x159
208x159
>>586480
На картинке резонансный конвертор с трансформаторным драйвером у котором используется конденсатор CM813. Если допустить что его емкость сильно упадет либо изменился импеданс, то будет недостаточно напряжения на выходе трансформатора и управляемый мосфет перейдет в линейный режим либо не закроестся вообще и закоротится с соседним мосфетом.

В референсе к микросхеме вообще нету конденсатора. Не вижу как он может помочь, более того, вижу как он будует вредить, тем что он образует резонансную LC схему и будет звенеть.
Аноним 14/12/25 Вск 11:50:20 586484 831
>>586483
Я запитывал ШИМ от внешних 12В и подключал частотомер между выводами 12 и 14. Показало частоту 184 кГц. Ёмкость 1600В плёночника CM808 в норме, 22 нФ. От него можно ждать сюрпризов под высоким напряжением? CM813 - это 0603 керамика, вряд ли ему что-то будет. Между его выводами 57 кОм, ёмкость без выпайки не проверить тестером. Но спасибо, когда дойдут руки до этой платы - отпаяю и проверю.
Аноним 14/12/25 Вск 12:56:40 586485 832
6287190927.webp 56Кб, 1000x1000
1000x1000
герлянда вентеляторов подходить на 3 пиновый контакт материнке . как их подключить к этому реобасы, разделить ивставить по отдельности или на одном смогут работать?
Аноним 14/12/25 Вск 13:28:44 586486 833
>>586485
Вместо материнки, подключай к этой плате, и питание через молекс ей дай.
Можешь попробовать все вентиляторы на 1 пин повесить, но пальцем проверь температуру мосфета. Если на пальце останется ожог, то надо разделить.
Аноним 14/12/25 Вск 13:55:18 586487 834
>>586486
а где там мосфет?
как долго он будет накаляться?
Аноним 14/12/25 Вск 14:06:16 586488 835
orig (1).webp 21Кб, 817x800
817x800
подключил переднюю панель подобным кабелем один порт пишет что неопознанное устройстов и работает только на зарядку. и при перезагрузе спикер выдал 7-9 писков и не запустился, чтоможет быть как пофиксить?
Аноним 14/12/25 Вск 15:00:18 586489 836
>>586487
Вон те квадратные чёрные, 4 штуки. По 1 на каждые 2 выхода.
Подключи вентиляторы, положи палец на мосфет и крути скорость. Если палец не воняет жаренной кожей, то всё нормально. Если он просто горячий будет, то всё норм.
Аноним 14/12/25 Вск 15:47:31 586491 837
>>586479

Оптопара обычная, не благодари.
Аноним 14/12/25 Вск 16:00:56 586492 838
Какой коврик для резки использует анон, gamma норм?
Аноним 14/12/25 Вск 16:35:06 586494 839
>>586492
Тебе в какое-нибудь рукоделие в /diy/
Аноним 14/12/25 Вск 17:15:09 586495 840
в системнойм блоке все варианты подсветки мегающие, это особенность вентеляторов или хаб так запрограмирован? как сделать чтоб просто светило?
Аноним 14/12/25 Вск 17:42:05 586496 841
>>586495
Я вообще видел связку из 4 вентиляторов, где на первый взгляд все одинаковые, но первый на самом деле мастер и в нём контроллер подсветки, который управляет всеми остальными.
Посмотри куда у тебя идут разъёмы подсветки и по очереди их отключай и вычисляй откуда идёт управление.
Аноним 14/12/25 Вск 18:00:45 586497 842
dcade8f68d6adf1[...].webp 444Кб, 2000x2000
2000x2000
Аноним 14/12/25 Вск 19:01:13 586498 843
>>586497
Это вот та плата сверху? Куда каждый провод у неё идёт? Там должен быть выход на кнопку для переключения эффектов.
Аноним 14/12/25 Вск 23:57:23 586499 844
>>338104 (OP)
Есть одна андройд магнитолла dx855, решил разобрать и ливануть масла на ось куллера, какого то хуя отсоединять начал шлейфы, итог - отъебнул собаку коннектора дисплея, отъебнул собаку коннектора тача ёбаные азиаты с их экономией на пластиках, там где эта экономия нахуй не в кассу короче дисплей не зажигается, подсветка дисплея горит(она отдельно, там два проводка) тач не работает(там слева есть кнопки включения, домой, звук-+, и еще какая то, так вот кнопка выкл\вкл не выключает магнитоллу, еще и подсветка этих 5 кнопок какогото хуя перестала гореть) .
Проц алвайнер 133 его можно как-то проверить, или дисплей както прозвонить, как там чего приходит? на плате есть пятаки контрольные. Пока решил покурить спеки на MIPI DSI, но сдается не осилю его, может кто советом поможет?
Аноним 14/12/25 Вск 23:58:44 586500 845
>>586471
Ну точно полудурок оказался

мимо анон с советом почистить лезвием
Аноним 15/12/25 Пнд 00:09:56 586501 846
>>586499
Т. е. ты после того, как сломал разъёмы, все равно решил все вхуярить обратно и включить девайс? Ты ебнутый, да? Ну теперь молись азиатскому дядюшке Соси Хую, чтоб вся эта поебота не оказалась выгоревшей нахуй от КЗ в этих разъёмах
Аноним 15/12/25 Пнд 00:11:07 586502 847
>>586498
все варинты мигают, яже сразу написал
Аноним 15/12/25 Пнд 00:11:50 586503 848
>>586501
>Ты ебнутый, да?
Нет. Я молодой и шутливый.
Аноним 15/12/25 Пнд 00:25:18 586504 849
DEMON SLAYER | [...].webm 16479Кб, 1080x1920, 00:00:57
1080x1920
>>586502
Ну раз ты в /ra/, то собирай себе WLED или купи готовый и настраивай миллионы вариантов подсветки как тебе нравится с переключением по кнопке, таймеру, телефону, компу, звуку и вообще как пожелаешь.
Аноним 15/12/25 Пнд 00:36:08 586505 850
>>586502

Ну вот ты сам себе и ответил, судя по разъемам там обычные DLED ленты и если мать не DNIWE EBANOE то цепляй туда и рули через https://openrgb.org/.
Аноним 15/12/25 Пнд 13:16:48 586509 851
683160p28.jpg 31Кб, 870x870
870x870
>>586505
>>586504
такой вход нуден будет на материнке?
Аноним 15/12/25 Пнд 13:18:09 586510 852
Аноним 15/12/25 Пнд 13:25:21 586511 853
>>586509
Для WLED материнка не нужна, это отдельная плата, она сама выдаёт сигналы на RGB ленты.
Аноним 15/12/25 Пнд 13:37:11 586512 854
176579495771419[...].jpg 36Кб, 618x496
618x496
176579501605176[...].jpg 27Кб, 516x387
516x387
>>586509

Инструкцию на мать смотри.
Аноним 15/12/25 Пнд 18:20:09 586514 855
>>338104 (OP)
Анон, а сложно ли получить звание кмс или мс по радиоспорту? Заинтересовал этот вид спорта, в чем там самая основная сложность?
Аноним 15/12/25 Пнд 18:34:19 586515 856
>>586500
Почему так категорично? Может молодой ещё.

мимо анон с советом почистить надфилем и облудить
Аноним 15/12/25 Пнд 20:40:15 586520 857
>>586500
Щито поделать, десу.
Аноним 15/12/25 Пнд 21:06:29 586521 858
Скоро мне достанется почти бесплатно советский генератор ВЧ с полосой пропускания 100 Кгц - 50 МГц (синусоида). Чем он может пригодиться нубу? Делать тру-ъ радиостанцию?
Аноним 15/12/25 Пнд 22:48:14 586523 859
BtN6vO5HnE-UY82[...].png 559Кб, 1920x2115
1920x2115
Автомобильный УНЧ, как вам?
Аноним 15/12/25 Пнд 22:55:04 586524 860
Аноним 15/12/25 Пнд 23:33:55 586525 861
>>586510
А, че это за разъем вообще, первый раз вижу, что на материнке написано под разъемом?
У меня по классике два отдельно стоящих f-panel usb. Оба работают и как зарядка и как обмен данными.
Аноним 16/12/25 Втр 00:09:41 586527 862
Аноним 16/12/25 Втр 04:37:58 586532 863
>>586514
Есть разные подвиды. Где-то нужно километры наматывать по пересеченной местности в поисках радиопередатчиков, а где-то сутки напролет сидеть и трепать языком
Аноним 16/12/25 Втр 08:10:10 586538 864
>>586523
Но зачем? Купи какую-нить TDA нужной мощности и не мучайся.
Алсо, всегда проигрывал со всех этих ЧСВшных "увеселитель васи пупкина", "схема от васян666" и т.п. Будто велосипед изобрели. Абсолютно стандартная "нонейм" схемотехника.
>>586532
>>586514
Это бессмысленный и унылый дроч ради дроча. Никогда не понимал, что в этом интересного и/или увлекательного.
Аноним 16/12/25 Втр 11:48:13 586539 865
176587487484667[...].png 5Кб, 634x569
634x569
>>586532

А есть все сразу.
Аноним 16/12/25 Втр 20:46:07 586543 866
123452.jpg 74Кб, 800x717
800x717
123451.jpg 60Кб, 1000x359
1000x359
123450.jpg 45Кб, 800x342
800x342
Суп, аноны.
У меня есть шизовопрос. Опять. Вроде тут еще не спрашивал.
Есть нерабочая материнская плата, на ней куча компонентов, и некоторые из конденсаторов имеют отличный от других цвет - медно-золотистый вместо здорового бледного алюминия. Причем, расположены они по всей плате.
Пик один, обрезка фото, где-то внизу платы. Пик два - в цепи питания процессора, пик три в цепи питания ОЗУ, вид немного сбоку. Естественное солнечное освещение, камера передает чуть всрато, но вроде различить можно.
Маркировка одинаковая, но цвет различается.
Вопрос: втф? Это вообще нормально?
Аноним 16/12/25 Втр 20:50:20 586544 867
123453.jpg 31Кб, 476x543
476x543
>>586543
Вживую выглядит заметнее, из второго пика сделал коллаж, даже на некалиброванном мониторе разница должна быть видна.
Аноним 16/12/25 Втр 21:10:46 586545 868
>>586543
Нет, не нормально, это ОКР
Аноним 16/12/25 Втр 21:18:54 586546 869
>>586543
Разные партии конденсаторов
Аноним 16/12/25 Втр 21:36:28 586547 870
>>586545
>>586546
Спасибо за ответы. Значит, дело не в них. Отлично.
Аноним 17/12/25 Срд 09:31:49 586553 871
>>586523
И где там автомобильное? Там 30+ вольт питание и двуполярное еще в добавок. Ты где его брать в жоповозке с 12 вольт в бортсети собрался? Это умзч для стационарного комплекса в сычевальню. И то, убер мощные. Эти 120 ватт выбьют тебе стекла нахуй в хате, дебс
Аноним 17/12/25 Срд 10:27:04 586554 872
>>586553

Там же блять прямо на схеме повышайка из +12В на +/-31В.
Аноним 17/12/25 Срд 12:07:12 586557 873
>>586554
Ну и что это меняет? Ты, блядь, трансформатор заебешься мотать под этот преобразователь. И нахуя ебать козу, когда можно сделать по уму, как высирался аноний выше? вот реально шизодебилы кругом
Аноним 17/12/25 Срд 12:13:58 586559 874
Приборотред умер, пощу здесь

Какой мультиметр можно с озона запупить огромным чёрным мешком, чтобы просто раскидывать их по квартирам, гаражам, бордачкам, рюкзакам, дачам, хатам знакомых, небесам и аллахам? Заебался вечно забывать его взять и переться обратно в машину за фикспрайсной говномерилкой за 100 рублей просто чтобы что-то несложное посмотреть.

Любой примитивный слаботочный кирпич подойдёт, без автоматики, без подсветки, без замеров конденсаторов, без запаса прочности в 200 ампер. Но два простых условия: запитываться от кроны, т.к. она спокойно будет лежать без саморазряда пару лет в отличие от лития, и звонилка должна не реагировать на омметр падающий ниже какого-то значения спустя полсекунды, а быть отдельной аналоговой звонилкой, чтобы брррррык по гребёнке контактов, и в ту же миллисекунду понять на каком из них пискнуло. Почему-то после 2010 эта фича отовсюду пропала.
Аноним 17/12/25 Срд 14:04:27 586560 875
image 42Кб, 497x604
497x604
image 129Кб, 1120x1280
1120x1280
image 90Кб, 1011x720
1011x720
>>586559
Ну так в фикспрайс тебе и дорога. Онлайн даже если отзывы о прозвонке все будут как надо, тебе придет новая улучшенная версия.

У меня вот на днях буквально случай был. Заказал два адаптера с нвме на усб. На фотках и отзывах контроллер jm. Пришли rtl. Деньги вернули. Бред.
Аноним 17/12/25 Срд 14:07:00 586561 876
>>586560
> в фикспрайс тебе и дорога
Уж на что я любитель вариаций восемьсот тридцатого, тамошняя версия вообще без бипера
Аноним 17/12/25 Срд 18:26:45 586563 877
>>586557
>трансформатор заебешься мотать под этот преобразователь
ЛОЛ! Рукожоп?
Аноним 17/12/25 Срд 19:07:27 586567 878
image 39Кб, 510x479
510x479
image 136Кб, 1170x1244
1170x1244
image 287Кб, 876x1280
876x1280
Может вы подскажете почему производитель переходника нвме на усб пишет что максимум 2тб диск поддерживает? При том что контроллер на котором он собран не имеет никаких ограничений на объем.
Аноним 18/12/25 Чтв 00:40:55 586579 879
snc23-1922r-2-v.jpg 52Кб, 575x515
575x515
Сап двач! Подскажи страждущему где можно намутить разъемы СНЦ23 и ОНЦ-БС? Досталась пара приблуд на этих разъемах и есть желание подключить их чуть более эстетично чем методом втыкания кусочков проводов в контакты розеток, но я столкнулся с невозможностью купить их по более или менее адекватной цене. В Митино этих разъемов хоть жопой жри, но местная глубоконеуважаемая южная фауна хочет за них столько что охуеть можно, я потыркался в павильоны, везде плюс минус одна цена - 5 килорублей и это за демонтаж. Для меня это звучит как полный пиздец, с одной стороны я не понимаю блядь за что, там драгметы конечно есть, но по паспортам не сказать чтобы их было особо много, ну а с другой для меня 5к за вилку на кабель в 10 контактов это дохуя. Есть ли какая нибудь альтернативная локация в ДС где их можно зацепить по более адекватной цене? Новые не паяные с военной приемкой и паспортом нахуй не нужны, я не гордый, готов повозиться с бэушными, но не за такие деньги
inb4: сканить Авито, другие города через авито доставку
Аноним 18/12/25 Чтв 01:31:32 586581 880
>>586579
Замени их на разъёмы этого века и всё.
Аноним 18/12/25 Чтв 01:35:46 586582 881
>>586579
У дедов на барахолке. Я себе так штук 6 взял, не знаю нахуя.
Аноним 18/12/25 Чтв 11:44:03 586585 882
>>586579
Вот через авито и придётся, ага. Я когда вкатывался в дриставрирование всякой совковой рухляди даже не представлял, что самым сложным будет не расшифровка двемерской документации или осознание того что внутри происходит, а уговаривать сраных кабанов-аффинажников из зауральского Пердяево-4 взять уже мои деньги и дотащить свою сраку до сдэка, в моём миллионнике такое барахло уже в статусе коллекционных экспонатов и всё по адекватным ценам уже запылесосили, приходится копаться на дальняк.

На твоём месте я бы и правда напечатал какой-нибудь кожух где с одной стороны макароны и втыкание кусочков, а с другой стороны 24пиновый ATX разъём от материнки, или вообще на шлейф идешный переделай, если там какого-то мощного питания не поступает. С дюпонтными разъёмами будет сильно проще.
Аноним 18/12/25 Чтв 14:35:00 586592 883
>>586563
Нет. Просто предпочитаю не заниматься покраской травы, сдуванием мух с говна, намоткой всякой хуеборды, когда это и в хуй не упёрлось из-за наличия куда более кашерных вариантов, таки да
Аноним 18/12/25 Чтв 14:38:00 586593 884
>>586567
На контроллере то собран, но вот какую ему контроллеру прошивку подлили косоглазые рукожопы - вот это уже другое дело совершенно
Аноним 18/12/25 Чтв 17:52:08 586597 885
image 38Кб, 555x800
555x800
image 370Кб, 1080x2400
1080x2400
image 128Кб, 768x1280
768x1280
>>586593
Не, в пришивке ничего этого нет, переходник работает с 4тб диском. Я искал неочевидные причины почему он может глючить. Потому что все очевидные и умозрительные варианты я уже проверил.
Аноним 19/12/25 Птн 18:42:47 586630 886
>>586096
В быту лучше взять такую платку и пропить
Аноним 19/12/25 Птн 19:04:09 586631 887
>>586176
Подобное потемнение часто бывает из-за того что попадает чай. Чай реагирует с напылением.

Просто так ты не выяснишь, надо измерять сопротивление кнопок и делать это надо когда клава в сборе, просто так вытащить плёнку и померить не выйдет.

Токопроводящим клеем (серебро) надо уметь работать, чинить клавиатуру им можно но сильно непросто, он чрезмерно жидкий и размазывается в сильно широкие треки, для работы с ним надо покупать набор игл и брать иглу раза в 3-4 тоньше чем идет с ним в комплекте.

Лучший варик - поищи саму пленку для клавы. Помню ими барыжили когда-то на ebay, amazon, aliexpress.
Аноним 19/12/25 Птн 19:08:09 586632 888
>>586222
Прокатило бы, если бы китаёза разместил товар не в категории "электроника".
Аноним 19/12/25 Птн 19:21:33 586633 889
>>586280
Ключевое слово CADEX.
Аноним 19/12/25 Птн 19:45:34 586634 890
>>586291
Т.к. я занимаюсь точной измериловкой, немного в теме вопроса.
Заебёшься.
Китайцы обязательно наебут, так как эти пидоры продают либо просто покрытые латунью изделия (никакого золота там за такую цену быть не может) либо покрытые нитридом титана.
https://ru.wikipedia.org/wiki/Нитрид_титана
Если тебе для своей разовой поделки, тебе лучше разобрать какой-то существующий слаботочный выключатель/переключатель/реле. Причем опять же, из англоязычного мира или совкового производства, но не китай.
И они не "калёные", это бериллиевая или теллуриевая бронза. См. "электротехнические бронзы".

Но для измерительного пинцета (если это не выносной пинцет на проводе с 4W схемой измерения подключаемый к 6.5 - 8.5 разрядному мультиметру) золочение контактов потребуется исключительно только для удорожания, потому что точность обычного пинцета не превосходит thermal EMF и возможный окисел. Для прибора с 3-4 знаками золочение щупов смысел имеет только эстетический.
Аноним 19/12/25 Птн 19:54:11 586635 891
>>586311
Способов много. Не написал, "контакт"-то постоянно работающий? Или это просто разборное электрическое соединение?
Смотри втч самые разные улучшатели, смачиватели, смазки контактного соединения. Самое просто что у меня было - баночка размером с большой ноготь, внутри смазка (силикон) с медным порошком. Бывает такая же хня на базе графитового порошка. Всё это обычно идет для электриков. Как вариант уже написали, на али есть токопроводящий клей 1-2мл, его можно налить, проводимость будет отличная и соединение потом можно будет разломать.
Аноним 19/12/25 Птн 19:55:07 586636 892
>>586320
Не начинай :))) И полгода не прошло :)))
Аноним 20/12/25 Суб 17:53:27 586653 893
cerrowire-nm-wi[...].jpg 5Кб, 600x600
600x600
Сап радиач, есть в доме одна розетка, без нагрузки ~122V, если подключить электроприбор мощностью 15А (1800W), происходит просадка до 118.9V и ток 14.13А, достоверно известно что к линии ничего дополнительно не подключено и из щитка до розетки она тянется напрямую, так же известно толщина кабеля - 12GA одножильный. Как определить длину проводки?
Аноним 20/12/25 Суб 18:20:06 586654 894
>>586653
> 122V
Это пол розетки. Иди нахуй.
Аноним 20/12/25 Суб 18:57:15 586655 895
Аноним 20/12/25 Суб 20:16:26 586658 896
>>586423
Бамп. Опухший кондер на 1000мкф перепаял, отковыряв кучу компаунда. На выходе по прежнему 0.
Аноним 20/12/25 Суб 20:54:13 586659 897
1744503652698874.jpg 3429Кб, 3968x2976
3968x2976
>>586559
>>без саморазряда пару лет в отличие от лития,
А если выключить забудешь сядет ща неделю если не меньше. А потом когда надо приходится пиздовать в магазин если дома нет.
Аноним 21/12/25 Вск 02:26:08 586661 898
>>586659
Последний раз забывал выключать когда в шкиле учился, но там я его целиком на станции юных техников забыл на пару дней. С тех пор ни разу не забывал. А вот если я его забуду выключенный где-нибудь в машине, он спокойно в любой мороз включится.
> А потом когда надо
Беру из шкафа свежую, обычно пять-шесть штук всегда есть, их же не только в мультиметр совать.

Энивей, нашёл партию старых DT-9205A, и в отзывах были видео дрочения этой пищалки, звучит как то что надо.
Аноним 21/12/25 Вск 15:51:00 586665 899
image 45Кб, 714x670
714x670
image 125Кб, 1039x1280
1039x1280
image 149Кб, 1057x1280
1057x1280
Аноны зачем нужна влажная губка если можно в металлическую стружку потыкать? Которую мочить не надо и она почти вечная?
Аноним 21/12/25 Вск 19:06:10 586668 900
>>586665
Зачем нужна металлическая стружка, которая царапает жало, если можно просто салфеткой вытирать. Как я всегда и делал.
Аноним 21/12/25 Вск 19:13:46 586669 901
image 46Кб, 1280x939
1280x939
image 166Кб, 1062x1280
1062x1280
image 208Кб, 853x1280
853x1280
>>586668
Я буквально несколько лет уже остервенело царапаю неродное жало тс100 и оно все как новое.
Аноним 21/12/25 Вск 19:21:47 586670 902
176633405330535[...].jpg 266Кб, 900x1200
900x1200
176633409506757[...].jpg 451Кб, 1500x1500
1500x1500
>>586665
>стружку

Юзаю мочалку.
Аноним 21/12/25 Вск 20:58:48 586671 903
>>586668
Затем что кроме адамантиевой стружки есть латунная, которая мягче чем оцинковка на жале
Аноним 21/12/25 Вск 23:13:19 586672 904
image.png 210Кб, 640x640
640x640
image.png 2311Кб, 1920x1440
1920x1440
image.png 218Кб, 800x567
800x567
Посоветуйте компактный двусторонний коннектор на стену. Так чтобы и с одного конца и с другого можно было свободно подключать-отключать. Надо примерно герметично, не прям пиздец чтоб не текло, но без явных щелей точно.
Стена 2мм, токи до 5А, напряжение низкое постоянное, плюс цифровые сигналы.
Пока нашёл только зелёный пик, но дорого. Печатная для ваг, но сами ваги – дорого да ещё дрочиться и авиационную йобу, охуеть как дорого.
Аноним 21/12/25 Вск 23:21:47 586673 905
>>586665
На влажной губке припой быстрее отделяется от жала, плюс вода очищает рабочую кромку.
Аноним 22/12/25 Пнд 10:17:37 586678 906
>>586665
1. Потому что когда губка сухая, ничего об нее не сделать, стремно, неудобно, короче это не работает.
Поэтому губка должна быть мокрая.
2. Потому что стереть (вытереть) с жала канифоль/флюс надо именно об губку, об стружку ты не вытрешь. А если и вытрешь, она быстро засирается. Поэтому стружка нужна чтобы жесткий нагар стереть, реально ПОЧИСТИТЬ жало. А губка нужна — быстренько вытереть, мазануть жалом об губку. Это разные вещи для разных задач.
Аноним 22/12/25 Пнд 10:25:04 586680 907
>>586678
Дядя петя, ты дурак? Мягкая латунная стружка нужна именно чтобы снимать олово с жала своими гранями, пока оно разогретое и жидкое, а не когда оно твёрдое чтобы как еблан его со всей силы шкрябать. Губка нужна для этого же, краями отверстий в материале собирать ещё жидкое олово с поверхности, и влажной она должна быть только чтобы не сгореть слишком быстро. Губку ты будешь год засирать пока вообще заметишь что ей кто-то пользовался, ибо шарики застывшего припоя тупо скатываются вниз сквозь неё.
Аноним 22/12/25 Пнд 10:26:22 586681 908
Тьфу, сука, стружку будешь засирать. Понабрался от поехавшего.
Аноним 22/12/25 Пнд 11:36:44 586683 909
>>586678
>2. Потому что стереть (вытереть) с жала канифоль/флюс надо именно об губку, об стружку ты не вытрешь. А если и вытрешь, она быстро засирается. Поэтому стружка нужна чтобы жесткий нагар стереть, реально ПОЧИСТИТЬ жало. А губка нужна — быстренько вытереть, мазануть жалом об губку. Это разные вещи для разных задач.

Этот не вкурсе что шарики для реболинга это просто припой собраный с латунной стружки на китайских заводах.
Аноним 22/12/25 Пнд 11:44:29 586684 910
>>586678

Сую жало в металлическую губку, немного кручу его, ??????, ПРОФИТ!!!11
Аноним 22/12/25 Пнд 12:30:24 586686 911
>>586658

Определи что за микруха, найди даташит, узнай для начала есть ли высокое в первичной "горячей цепи" на сглаживающем конденсаторе, там будет 1.4 * 230В = 325В. Щупы применяют острые и короткие с защитной изоляцией, плату БП надежно закрепляют. Лезут одной рукой, другую держут за спиной. БП включают через лампочку.
Аноним 22/12/25 Пнд 14:44:02 586690 912
>>586684
очень тянет написать что сую в пизду твоей мамаши и там покручиваю. :)
Губка у меня вискозная, клубок стружки бронзовый, Brass wool.
Крутить паяльник не собираюсь, так как не долбоёб и знаю что кручение паяльника ведет к поломке проводов в ручке.

Кстати, китайцы объёбывают даже здесь - самое время проверить,
не магнитится ли твоя © "бронзовая" стружка.

>>586680
Ты выдумываешь хуйню и сам же ее опровергаешь.
Как принято писать, "в шары ебёшься". Прочитай что я написал и прочитай свой ответ.


Действительно, и мотком brass wool и губкой можно снимать припой. Они делают одни и те же вещи, разница в агрессивности. Но В ОРИГИНАЛЕ эти вещи не для того что придумал ты.
В оригинале они нужны для того тобы счищать не припой, а окислы и остатки сгоревшего флюса.
При этом моток стружки делает это агрессивно (а еще существует бронзовая щеточка, а у продвинутых - аппаратик с двумя вращающимися круглыми щетками, куда суешь жало).

Губку используют так:
Перед пайкой быстро касаются её, снимая с жала окисел, делая жало зеркально-блестящим.
В стандарте:
"Quick wipe on the damp sponge: one swift pass is usually enough."
Аноним 22/12/25 Пнд 14:51:14 586691 913
>>586690
В ОРИГИНАЛЕ латунная блять стружка используется чтобы чистить горячее жало во время пайки. Стальная стружка, которой ты чистишь сковороду, вообще к паяльнику прикасаться не должна, забудь про неё навсегда и не еби людям мозг, в контексте паяльника всегда имеется в виду либо бронза, либо латунь.
Аноним 22/12/25 Пнд 15:38:41 586694 914
Сказочный.jpeg 13Кб, 480x360
480x360
>>586691
Слышь, ты, объёбаный спидами наркоман!
Ты уже второй раз пишешь про горячее жало. Я что, где-то писал про холодное?
Как ты вообще мог такое придумать, ебаное ты обдолбанное шизло?

>> Стальная стружка, которой ты чистишь сковороду

Шизло, зачем ты выдумываешь себе сам и сам же опровергаешь свои же тезисы?
Научись читать что тебе пишут люди и иди ты нахуй, долбоёб.

P.S.
В ужасе блядь от того какой феерический кретин тут сидит.
Аноним 22/12/25 Пнд 15:40:54 586695 915
>>586694
Да потому что ты как последний дундук продолжаешь долдонить про очистку каких-то там кремнезёмных отложений стальной губкой вместо того чтобы не отвечать мне моими же словами и выёбываться будто ты сам это придумал. Ты бы ещё нейросеть сюда скопипастил, мудила.
Аноним 22/12/25 Пнд 19:36:12 586697 916
>>586691
Она цвета латуни, то же железо с покрытием латунь если зжать она не выпрямится обратно как эта хуйня.
Аноним 22/12/25 Пнд 19:39:45 586698 917
>>586697
Почему у нормальных людей латунь не магнитится и не ведёт себя как выдуманный пластилиновый сплав?
Аноним 22/12/25 Пнд 19:57:15 586701 918
image 88Кб, 1280x855
1280x855
image 39Кб, 700x720
700x720
image 183Кб, 681x1280
681x1280
>>586697
>>586698
Я сейчас проверил две "медные" стружки и одну "латунную". "Медные" магнитятся как железо, "латунная" не магнитится, но она очень пружинится и крепкая, ленточка из настоящей латуни так не смогла бы, так что тоже скорее всего какой-то железный сплав с покрытием. Жало я много лет тыкаю в "медную"
Аноним 22/12/25 Пнд 20:01:07 586702 919
image 32Кб, 449x792
449x792
image 71Кб, 680x680
680x680
image 146Кб, 908x1280
908x1280
Если кто не знал кстати, оплетка для удаления припоя это тоже сталь с покрытием.
Аноним 22/12/25 Пнд 20:07:32 586703 920
>>586701
Не знаю насчёт медных, но если точить на токарном латунь, стружка от неё пружинит ещё как, если по ней не топтаться конечно.

>>586702
Шизофрения какая-то
Аноним 23/12/25 Втр 10:17:27 586719 921
1765266224304461.jpg 2895Кб, 2976x3968
2976x3968
>>586698
Ты вот это называешь латунью?
Аноним 23/12/25 Втр 15:32:49 586725 922
>>586719
https://hakkousa.com/599b-tip-cleaner.html
599B Tip Cleaner List Price $9.97

The Hakko 599B Tip Cleaner is the ideal cleaning alternative to the traditional wet sponge. The non-abrasive brass shavings is tough enough to scrub residual solder from your soldering tools without your soldering iron becoming cool.

TIP CLEANER
The HAKKO 599B cleans your soldering iron tips without water! The 599B is made from coils of brass, which is softer than the tip plating yet harder than the oxidation that forms on the tip. To clean the tip, simply plunge (stab) the iron tip into the coils.
• Shell design keeps the solder from splattering
• It will not reduce the tip temperature
• This is a great alternative to the conventional wet/damp sponge

=====================

Обращаем внимание на вкладку TECHNICAL DOCUMENTS,
где в PDF'ах читаем

https://hakkousa.com/amfile/file/download/file/2253/product/5959/
— Состав

https://hakkousa.com/amfile/file/download/file/2251/product/5959/
— Описание продукта

https://hakkousa.com/amfile/file/download/file/2252/product/5959/
— Инструкция к использованию,
из которой следует что оригинальная стружка еще и покрыта жирными кислотами.

=====================

На images.google.com набрать Brass Wool.
"Brass" — латунь.

В любом случае, это должен быть мягкий, медесодержащий материал с тем чтобы не царапать и не изнашивать верхнее покрытие жала.
Аноним 23/12/25 Втр 16:23:08 586726 923
>>586725
Ты вчера родился, честно? Brass у китайцев может быть все что угодно желтое , как и stainless steel - нержавеющее, и gold plated - имеющее золотой цвет.
Аноним 23/12/25 Втр 17:13:30 586727 924
>>586726

Где ты в посте выше >>586725 видишь "китайцев"?
HAKKO USA или HAKKO JAPAN это тебе не "китайцы"
Аноним 23/12/25 Втр 17:31:01 586728 925
как измерить индуктивность под нагрузкой переменного тока?
Аноним 23/12/25 Втр 17:43:27 586729 926
>>586727
У меня для тебя плохие новости
Аноним 23/12/25 Втр 17:51:37 586730 927
>>586729
У меня для тебя тоже плохие новости.

У тебя серьезное расстройство психики и восприятия сообщений других людей.
Реальность (факты) написанные там заменяешь на фантазии выдуманные из головы.

Печально, но это прекурсор шизофрении.
Аноним 23/12/25 Втр 18:21:29 586734 928
>>586730
А у тебя словесный понос и брендопоклонничество, и это, в отличие от того что ты выдал, правда.
Аноним 23/12/25 Втр 20:44:45 586739 929
>>586727
Где ты в наших магазинах хаку видел? Хуй пойми что с желтым покрытием которое слазиет, будут тебе китайцы в стружку латунь переводить... Товарищ купил витую пару на озоне говно с медным покрытием так оно ломается от каждого чиха.
Губка с водой нормально чистит если жало не засрано нсли уж так за покрытие переживаешь...
Аноним 23/12/25 Втр 22:30:11 586742 930
Аноним 23/12/25 Втр 22:33:22 586743 931
>>586742
Ну так она и измеряется переменным током в основном, че те надо то
Аноним 24/12/25 Срд 00:00:55 586748 932
>>586743
я долбоеб просто.
если я ставлю катушку с 1 генри, и подключаю ее к сети 220/50 и нагрузке в 1квт. я же не увижу 1 генри на катушке? в зависимости от перенасыщения сердечника
Аноним 24/12/25 Срд 00:05:18 586749 933
>>586734
>> А у тебя словесный понос и брендопоклонничество, и это, в отличие от того что ты выдал, правда.

Не сочиняй.

> Где ты в наших магазинах хаку видел?

Не владеешь логикой.
Для того чтобы узнать что стружка в оригинале сделана из латуни HAKKO не обязана продаваться в магазинах.
Необходимую информацию (но не всю) я выписал выше: >>586725

HAKKO продается в России:
https://hakkorussia.ru/pajalnye-stantsii/
https://supereyes.ru/catalog/Soldering_stations/hakko_fx_100/
https://www.chipdip.ru/catalog-show/soldering-stations-and-accessories?p.0=Hakko

>> Хуй пойми что с желтым покрытием которое слазиет, будут тебе китайцы в стружку латунь переводить...

Я это писал здесь >>586690
>> Кстати, китайцы объёбывают даже здесь - самое время проверить,
>> не магнитится ли твоя © "бронзовая" стружка.


>> Губка с водой нормально чистит если жало не засрано нсли уж так за покрытие переживаешь...

Все верно. Про губку писал много постов назад.
Есть и другие средства и лайфхаки.
Аноним 24/12/25 Срд 00:09:12 586750 934
>>586748
Сдвиг фазы найдешь осциллографом.
Из сдвига фазы найди реактанс индуктивности. Из реактанса найдешь индуктивность.
Аноним 24/12/25 Срд 00:13:23 586752 935
>>586750
обьясни пожалуйста что такое сдвиг фазы на 90° и как его можно исправить? я правильно понял что насыщение сердечника и есть сдвиг ?
Аноним 24/12/25 Срд 00:40:21 586753 936
>>586750
>>586752
бля извини я прям долбоеб просто.
у меня из тестера только китайский line emi, который показывает 1600mv из сети, при накидывании индуктивности снижается до 100mv, но после подключения нелинейного потребителя вырастает до прежних значений. Поэтому я думаю.что сердечник уходит в насыщение.
вроде он 2300ui, при bsat 0.3-0.5.
Аноним 24/12/25 Срд 00:40:37 586754 937
phase-shift.png 102Кб, 881x554
881x554
>>586752
Сдвиг фазы на 90° это сдвиг фазы на четверть. См. картинку.

>> и как его можно исправить?

Недостаточно информации.
У меня перекос угла 0.1°. Как его можно исправить?

>> я правильно понял что насыщение сердечника и есть сдвиг ?

Нет. Индуктивность сама по себе сдвигает фазу сигнала. Насыщение если оно случается вносит отдельный вклад.
Аноним 24/12/25 Срд 01:31:28 586755 938
>>586754
есть совет хорошего ослика в пределах 5-7к чтобы можно было в розетку вставлять?
Аноним 24/12/25 Срд 03:18:03 586757 939
>>586755
"Земля" щупа (крокодил) любого осциллографа соединена с его корпусом и с заземлением в шнуре питания 220.
Коснешься земляным щупом осциллографа фазового провода в розетке и получишь короткое замыкание.
Поэтому осциллограф либо развязывают трансформатором гальванической развязки, либо используют осциллограф с батерейным питанием.
У осциллографа с батарейным питанием и любого другого земли двух щупов-каналов соединены друг с другом, поэтому даже батарейный нужно использовать с умом.

Если сигнал всего лишь 50Hz, в качестве двухканального осциллографа можно устроить осциллограф на Arduiono, различные самопалы, пойдет даже аудиовход ноутбука с предварительным делителем сигнала.

Но лучше не создавать себе проблем, не лезть измерять на горячую и всё-таки отключить или отпаять катушку.
В качестве RLC измерителя можно использовать программу и простейшую приставку к компьютеру:
https://antiradio.narod.ru/rlc-meter/index.htm

Либо хотя бы использовать низковольтную сеть, подав вместо 220v низковольтное переменное напряжение от трансформатора, на измерение фазы это не повлияет.
Аноним 24/12/25 Срд 08:36:11 586759 940
>>586757
>"Земля" щупа (крокодил) любого осциллографа соединена с его корпусом и с заземлением
Прям любого? А нет "нормальных" осциллографов, где земли каналов не соединены друг с другом и с землёй?
Чтоб можно было несколько напряжений с разными землями замерять?
Аноним 24/12/25 Срд 11:28:21 586761 941
Посоветуйте набор отверток для разборки смартфона, пинцеты и всякие другие штуки которые могут понадобится для ремонта. Телебон начал сыпаться все-таки ему уже семь лет.
Аноним 24/12/25 Срд 18:19:07 586767 942
>>586761
Советую. Без отверток, пинцетов и всяких других штук вообще хуево будет.
Аноним 24/12/25 Срд 18:36:49 586768 943
>>586759
> Прям любого? А нет "нормальных" осциллографов,
> где земли каналов не соединены друг с другом и с землёй?
> Чтоб можно было несколько напряжений с разными землями замерять?

Есть но встречаются редко. У какого-то ручного Rohde & Schwarz ценой в лям были изолированные каналы.
Это делается докупкой активных щупов. а) Высоковольтный щуп с оптикой вместо коаксиала. Цена космос.
б) Дифференциальный активный щуп. У него два равноценных входа измеряющие разность напряжения между ними. Входами можно цепляться куда угодно. Питается изолированным БП. Нужны для ремонта-разработки сварочников, частотников, индукционных печей итд. Либо купить, но один щуп стоит дороже любительского RIGOL, либо : diy differential probe.
Аноним 24/12/25 Срд 18:38:12 586769 944
>>586759
Из двух каналов осциллографа с математикой между каналами можно устроить псевдо-дифференциальное измерение.
Шуп к щупу цепляется встречно земляными крокодилами. Входной сигнал подается между центральных жил щупов.
На осциллографе включается математика: показывать сигнал как разницу: Channel_A минус Channel_B.
Полноценной развязки не будет (будет ~1 MOhm между каждым входом щупа и землёй по постоянке и какойто импеданс из-за входной емкости). На аналоговых ослах такое работало хорошо, потому что амплитудное вычитание производилось с высоким разрешением аналогово, также как и в диффщупах. С цифровыми ослами это работает похуже.
Аноним 24/12/25 Срд 18:52:29 586770 945
>>586761
Лучше посмотри ремонт твоего телефона на Youtube и приобрети такие же инструменты как увидишь.

Внезапно, на сайте магазина DNS набери: "набор отверток". Либо ищи в магазинах по продаже радиодеталей и комплектухи для ремонтников сотовых. Китайские наборы за 100-200-300 руб с aliexpress или Ozon - это выкинутые на ветер деньги, полная хуета. Они выглядят прилично только на картинках продавцов. На деле там облой, отвертки сделаны на полный отъебись очень неточно, металл мягкое говнецо. Смысла отдавать за них 200-300р нет, их место сразу в мусорке.
Аноним 24/12/25 Срд 19:03:11 586773 946
>>586757
спасибо за совет.
слушай, а если подключить индукцию паралельно фазе и нейтрали будет кз?
Аноним 24/12/25 Срд 19:54:30 586775 947
image.png 62Кб, 1144x710
1144x710
Где я проебался поясните пж собрал нихуя не работает
Аноним 24/12/25 Срд 20:04:38 586776 948
>>586775
на чем 3 генри накрутил?
Аноним 24/12/25 Срд 20:09:03 586777 949
>>586776
Ну просто вторичная обмотка большая и всё. Че не работает то, хоть подсказку напиши
Аноним 24/12/25 Срд 20:50:47 586779 950
изображение.png 1325Кб, 1105x846
1105x846
изображение.png 1197Кб, 1042x809
1042x809
изображение.png 1171Кб, 1420x803
1420x803
Нашел обзор генераторов старшей и младшей модели (при этом у младшей полоса пропускания больше). В итоге, при разборке оказалось, что у большого генератора большую часть корпуса занимает пустота, а за мозг отвечает ПЛИС за 2 килорубля
Аноним 24/12/25 Срд 23:09:25 586783 951
Аноним 24/12/25 Срд 23:10:40 586784 952
Замечал что почему-то именно в электронике больше всего пидорасов, которым не западло приложить картинку, но всегда западло приложить ссылки или написать название товара. В особенности когда это касается "Я купил" бла-бла-бла, фотки. А нахуя ты это пишешь, падла, если не прикладывать ссылки на магазин? Чисто хвастануть?

Или вот только что было видео.
Долбоёб регулярно выкладывает видео сравнения прошивки FNIRSI 1013-D фирменной и самодельной.
Но ссылку на прошивку не дает. Его спрашивают - где скачать? Ответ долбоёба: "На страницах eevblog"...
Аноним 24/12/25 Срд 23:16:51 586785 953
>>586784
Электроника это не твоё.
Аноним 24/12/25 Срд 23:30:27 586786 954
>>586785
Хуёвый из тебя предсказатель
Аноним 25/12/25 Чтв 02:46:17 586787 955
>>338104 (OP)
Вадим Валеев официально предатель Христа с 2014-по-с.г
Аноним 25/12/25 Чтв 09:44:30 586791 956
>>586783
>>586779
ну дык ты платишь не за железо, а за код и за реализацию кода в плис

иди сам сдлай тогда
Аноним 25/12/25 Чтв 11:42:38 586793 957
>>586754
Почему просто не писать - сдвиг на 1/4 периода, сдвиг на полпериода, нахуй эта дрочь с градусами, мы что в школе сидим на геометрии? Тупость пиздец.
Аноним 25/12/25 Чтв 11:44:16 586794 958
>>586793
Так же как и исчисление в децибелах, тоже какой-то долбоёб придумал - чтобы перевести в нормальные единицы надо пердолиться с формулами или онлайн-калькуляторами.
Аноним 25/12/25 Чтв 12:22:17 586796 959
>>586793
Сколько периодов в 1920 градусах, быстро
Аноним 25/12/25 Чтв 12:28:59 586797 960
Аноним 25/12/25 Чтв 12:42:30 586798 961
>>586797
Ну и хули, шесть минут думал, иди нахуй отсюда
Аноним 25/12/25 Чтв 12:43:46 586799 962
>>586798
Чё больше нечем крыть, хуйло?
Аноним 25/12/25 Чтв 15:53:16 586800 963
Аноним 25/12/25 Чтв 16:30:54 586801 964
Как наиболее кошерно залудить металлизированные отверстия так, чтобы они не залудились наглухо?
Аноним 25/12/25 Чтв 16:37:40 586802 965
Аноним 25/12/25 Чтв 17:26:31 586803 966
>>586557
Эту схему я скинул чтобы челы оценили на наличие ошибок, если есть более простые схемы автомобильного унч - было бы рад их получить
Аноним 25/12/25 Чтв 17:36:50 586804 967
>>586538
Я хотел сделать на TDA, но столкнулся с проблемой что их максимальная мощность - это моя минимальная, а мне на канал нужно 40Вт+.

Если есть схема где можно получить уверенные 40-50вт на канал - с радостью бы принял
Аноним 25/12/25 Чтв 17:56:05 586805 968
>>586801
Залудить наглухо, потом убрать лишнее оплёткой, или сунуть в него иглу из нержавейки к которой припой не липнет. Швейную, или от шприца какого-нибудь многоразового, вон паяльные иглы на али продаются рублей за сто куча разных калибров.
Аноним 25/12/25 Чтв 18:20:24 586806 969
Что за зелёный уф клей используют в видосах про восстановление плат? Сколько он высыхает?
Аноним 25/12/25 Чтв 18:59:19 586807 970
>>586793
Потому что ты местный недоразвитый жопочтец.

Меня спросил человек:
>> обьясни пожалуйста что такое сдвиг фазы на 90°

Я ему ответил про 90°.
А четверть, половину или полный период — это на картинке видно, текстом писать нахуй не надо.
Еще вопросы?
Аноним 25/12/25 Чтв 19:03:35 586808 971
>>586800
"Бамп" тебе по макушке.
Иди хотя бы на детско-игрушечный https://www.falstad.com/circuit/
и собери свою схему там своими руками. Расшаренную ссылку на проект можешь сюда прислать, кому-нибудь будет занятно покопаться.
Аноним 25/12/25 Чтв 19:05:22 586809 972
>>586805
>> вон паяльные иглы на али продаются

Можно ссылку на "паяльные иглы"? Ни разу не видел что такое.
Аноним 25/12/25 Чтв 19:13:41 586810 973
>>586538
>> Это бессмысленный и унылый дроч ради дроча.
>> Никогда не понимал, что в этом интересного и/или увлекательного.

В с оюзе наличие ДОСААФ корочек и прочей такий радиолюбительских корок
означало что в армию тебя МОГУТ распределить киснуть в части возле аэродрома и нихуя не делать торча в радиостанции, радаре, итп. Как случилось например с моим дядьком.

Сейчас ничего не изменилось, совсем забылось как шерстили забирая на СВО?
А так есть шанс что тебя распределят хотят бы не пушечным мясом прямиком в окоп.
Аноним 25/12/25 Чтв 19:28:10 586811 974
>>586806
Ссылку на видосы?
Поди не "клей" а УФ отверждаемая паяльная маска?
Аноним 25/12/25 Чтв 19:30:26 586812 975
Аноним 25/12/25 Чтв 19:33:43 586813 976
>>586804
Ищи схему усилителей D класса. Или прямиком готовые платы/модули.
и 40 и 50 и киловатт на канал бывает.
Аноним 25/12/25 Чтв 19:37:58 586814 977
>>586812
Занятная херня. Это чисто трухолы прочищать? Что ими еще делают или можно делать?
Там в наборе довольно толстые есть я смотрю.
Аноним 25/12/25 Чтв 19:44:43 586815 978
>>586814
Кстати спасибо за ссылку!

Я про те, что трубочки с ручкой.

И иголки клёвые, набрал бы себе про запас но если был бы весь спектр тоненьких до 30G.
Аноним 25/12/25 Чтв 20:02:46 586816 979
176668145495762[...].jpg 37Кб, 510x392
510x392
176668160245923[...].jpg 38Кб, 596x335
596x335
176668191395928[...].jpg 20Кб, 404x495
404x495
>>586804

Ищи STK'шки по помойкам и готовь жопу соответствующий источник питания. У меня STK403-070 имеется с полной обвязкой и LC75341 для руления входами. Если печатку набросать и сделать не проблема то с БП немного траблы т.к. в наличии нет транса с биполяркой но есть от матричного дрюкера на 30В которые в теории можно полумостом поделить и навернуть фильтры.
Аноним 25/12/25 Чтв 20:09:40 586817 980
>>586814
Вообще это именно выпаивать детали с платы, когда у тебя или ноги слишком далеко чтобы подлезть пинцетом или широким жалом, или когда там такая гребёнка что надо всю сразу прогревать. А тут ты надеваешь трубку на конец ноги, греешь площадку и продавливаешь иглу в текстолит, даёшь остыть, и она сама вываливается. Подход уязвим к такому мудацкому явлению как загнутые перед пайкой ноги, да и горячие оловоотсосы удобнее чем сидеть паяльником выпрямлять эту ногу, которая скорее буквой "з" изогнётся чем нормально выпрямится, да и стенки у этих игл не очень толстые. Дедовский метод, но иногда выручает когда лень искать розетку под ещё один прибор или обжигать руки.
Аноним 25/12/25 Чтв 20:29:03 586818 981
>>586817
Спасибо тебе что раписал так всё!
Аноним 25/12/25 Чтв 20:44:55 586819 982
Кэпы DC
Аноним 25/12/25 Чтв 21:17:51 586820 983
image 101Кб, 1233x480
1233x480
Какой положняк по микроскопам? Какую камеру выбрать?
Хочу с USB.
Пикрил норм?
Аноним 25/12/25 Чтв 21:40:31 586821 984
>>586820
если под пайку то смотри латенси что бы была маленькая, если сохранять не надо то вывод на монитор, при прочих равных usb 3.0 (+) и hdmi в плюс. по матрице все очевидно
Аноним 25/12/25 Чтв 22:35:49 586822 985
>>586805
Спасибо за ответ.
Да, я так и делаю, но это дичь же. Наверное.
Залудил-разлудил, три отверстия еще норм, а двадцать напряжно. Подумол, может быть есть более простой способ.
Аноним 25/12/25 Чтв 23:13:03 586823 986
>>586820
На картинке по цене у тебя нихуя нет. Штатива, объектива.

Какой бы ты микроскоп ни выбирал, ни один камера-микроскоп не годится для реальной работы (ремонта).

1. Невозможно нормально работать паялом тудой, а мордой смотреть вперед или не дай бог вбок. То есть можно, но это как рисовать локтем. Ты это понимаешь когда работаешь с нормальным оптическим микроскопом. Все эти камеры - китайский гон чтобы куда-то девать электронику.
Камера-микроскоп действительно удобен только в одном - для инспекции.

2. У оптического стерео-микроскопа поле зрения СТЕРЕО, объемное. У камеры - плоское, объем ты не видишь.
Когда ты паяешь, работаешь пинцетом и паяльником это важно, потому что это позволяет позиционироваться ближе-дальше, вверх-вниз.

Это основное, про лаг молчу, но даже лаг так принципиально не важен как п1, п2.
Аноним 25/12/25 Чтв 23:14:39 586824 987
image 93Кб, 1238x505
1238x505
image 98Кб, 1229x484
1229x484
>>586821
Камеры с низкой задержкой стоят по 300$+
Остановился на пикрил. Завтра на карту денег положу и закажу.
Аноним 25/12/25 Чтв 23:17:13 586825 988
image 112Кб, 1262x517
1262x517
>>586823
Понял, берём стерео микроскоп. Скинь на карту басов 800 чтоб на растаможку ещё процентов 40 сверху хватило.
Аноним 25/12/25 Чтв 23:42:51 586826 989
>>586825
Обязательно, сейчас переведу.
Ты пока скинь фото своей карты. Сзади сфотать где код тоже не забудь.
Аноним 26/12/25 Птн 00:23:04 586830 990
>>586822
Увы, или снимать олово плёткой или оловоотсосом, или выталкивать его чем-то нелудящимся. Наверное феном бы это было быстрее, разогрел всю линию уже пройдённую оплёткой, и пытьк-пытьк-пытьк-пытьк-пытьк по ним, поверхностное натяжение не даст им обратно запаяться просто так. Другое дело что ты ещё выгягиваешь со стенок цилиндра припой, который мешал бы туда всунуть что-то стандартного размера, вроде гребёнки от коннектора. Придётся нудить и долго тыкать.
Аноним 26/12/25 Птн 04:49:29 586831 991
>>586794
> Так же как и исчисление в децибелах, тоже какой-то долбоёб придумал
У усилителя коэффициент усиления - 937, а ослабление в линии передачи - 0.827. Сможешь быстро в уме перемножить 937 и 0.827?
Аноним 26/12/25 Птн 05:18:52 586832 992
Аноним 26/12/25 Птн 10:38:57 586834 993
>>586823
>Невозможно нормально работать паялом тудой, а мордой смотреть вперед или не дай бог вбок.
Ты ща только что диджитал хуйдожников, которые хуярят на графическом планшете глядя в монитор
Аноним 26/12/25 Птн 13:45:00 586836 994
Анон, посоветуй конкретные модели трансформатора тока, которые можно купить на алике или каком-нибудь чипдип, чем дешевле, тем лучше. Коэффициент от 1:1000 до 1:2000. Наверное, что-то типа EE14 нужно.
Аноним 26/12/25 Птн 15:26:02 586838 995
>>586830
Жаль, конечно. Но хотя бы метод рабочий, спасибо, что подтвердил.
Аноним 26/12/25 Птн 17:26:11 586839 996
>>586830
Я тут недавно приобрел на Ali выпайку, паяльник-отсос. Пока он там был в пределах косарей 5. Proskit SS-331. Вот обдумываю твои слова, высосет ли он из металлизированного отверстия.. Надр попробовать, что ли.

Иголки мне нравятся. Нужное дело. Но китаец сука не продает тонкие и набором.
Аноним 26/12/25 Птн 18:06:01 586840 997
Купил строительный фен с регулировкой температуры, как же все просто выпаивается теперь, как я без него вообще жил?
Аноним 26/12/25 Птн 18:19:18 586841 998
>>586840
Что за фен-то колись. Тоже ведь вещь интересная и нужная.
Аноним 26/12/25 Птн 19:05:00 586842 999
>>586823
Имею микроскоп за пятак с экраном в 7 дюймов. Отлично всё делается и объём видно, если ты не отбитень.
Аноним 26/12/25 Птн 19:10:56 586843 1000
>>586839
Имею 929VD, сосёт как ненормальный, если плотно к пятаку приставить. Сколько раз выручал при выпайке всякого многолапово говна.
Аноним 26/12/25 Птн 19:14:03 586844 1001
Настройки X
Ответить в тред X
15000
Добавить файл/ctrl-v
Стикеры X
Избранное / Топ тредов